小度生活
首页
美食营养
手工爱好
生活家居
返回
小度生活
首页
美食营养
游戏数码
手工爱好
生活家居
健康养生
运动户外
职场理财
情感交际
母婴教育
时尚美容
知识问答
搜索
SA系列多回转电动执行器使用说明书:[2]
2025-10-27 18:18:25
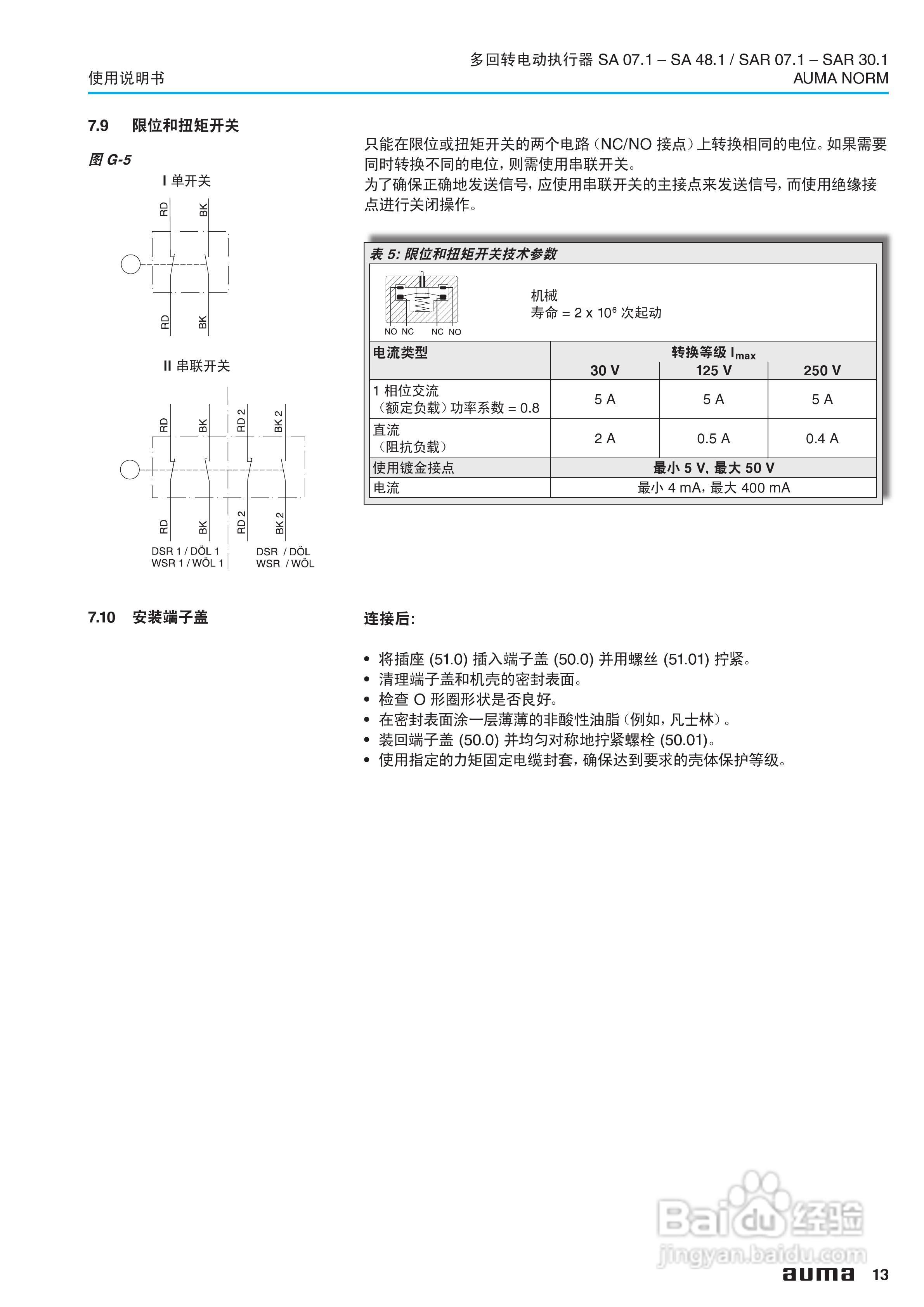
本篇为《SA系列多回转电动执行器使用说明书》,主要介绍该产品的使用方法以及常见故障解决方案。
(共篇)
上一篇:
|
下一篇:
声明:
本网站引用、摘录或转载内容仅供网站访问者交流或参考,不代表本站立场,如存在版权或非法内容,请联系站长删除,联系邮箱:site.kefu@qq.com。
相关推荐
SA系列多回转电动执行器使用说明书:[3]
阅读量:190
SA系列多回转电动执行器使用说明书:[1]
阅读量:66
Auma多回转电动执行器操作手册:[2]
阅读量:70
Auma多回转电动执行器操作手册:[3]
阅读量:183
HURKO智能电动执行器说明书:[2]
阅读量:63
猜你喜欢
摔跤的意思
tare是什么意思
pressure是什么意思
天寒地冻的意思
在农村开什么店赚钱
电放是什么意思
stamp是什么意思
广州最近有什么活动
结婚祝福语
赤子之心是什么意思
猜你喜欢
记叙文是什么意思
tick是什么意思
知性的意思
cos数学是什么意思
energy是什么意思
bee是什么意思
学无止境的意思
玩什么游戏最赚人民币
勾心斗角的意思
2010属什么生肖