小度生活
首页
美食营养
手工爱好
生活家居
返回
小度生活
首页
美食营养
游戏数码
手工爱好
生活家居
健康养生
运动户外
职场理财
情感交际
母婴教育
时尚美容
知识问答
生活知识
生活百科
搜索
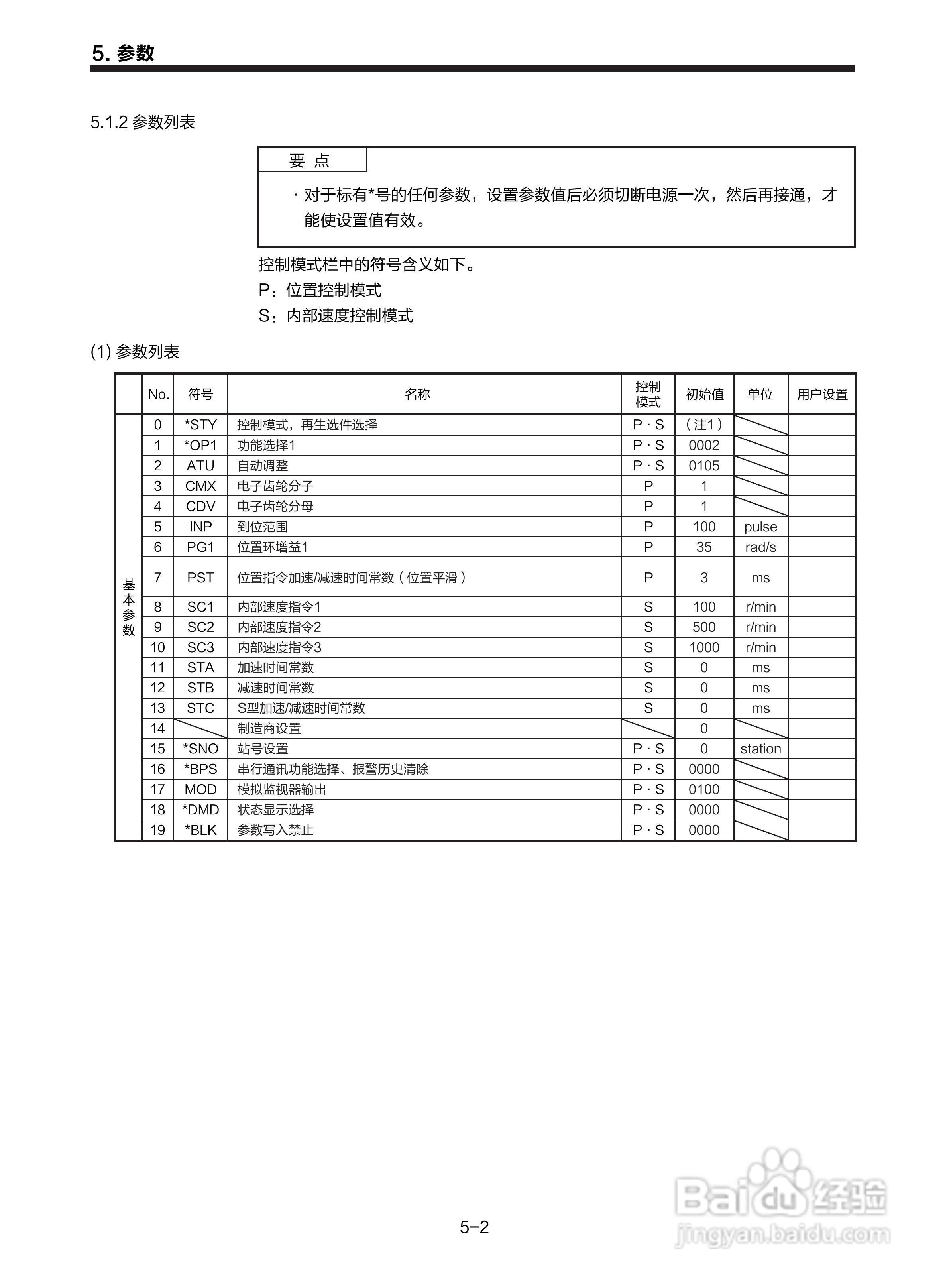
三菱 MR-E-□A-KH003 MR-E-□AG-KH003通用交流伺服接:[9]
2026-04-07 07:33:21
本篇为《三菱 MR-E-□A-KH003 MR-E-□AG-KH003通用交流伺服接》,主要介绍该产品的使用方法以及常见故障解决方案。
(共篇)
上一篇:
|
下一篇:
声明:
本网站引用、摘录或转载内容仅供网站访问者交流或参考,不代表本站立场,如存在版权或非法内容,请联系站长删除,联系邮箱:site.kefu@qq.com。
相关推荐
三菱 MR-E-□A-KH003 MR-E-□AG-KH003通用交流伺服接:[16]
阅读量:103
三菱 MR-E-□A-KH003 MR-E-□AG-KH003通用交流伺服接:[25]
阅读量:28
三菱plc红绿灯设计
阅读量:21
三菱 MR-E-□A-KH003 MR-E-□AG-KH003通用交流伺服接:[22]
阅读量:103
三菱 MR-E-□A-KH003 MR-E-□AG-KH003通用交流伺服接:[28]
阅读量:82
猜你喜欢
83年属什么
auto什么意思
生化是什么意思
加盟是什么意思
wto是什么意思
snail是什么意思
内分泌失调是什么意思
腺肌症是什么病
增值业务费是什么
制动器是什么
猜你喜欢
rma是什么意思
电脑上怎么截图按什么键
教师节送什么礼物
道不同不相为谋什么意思
三个贝念什么
一个永一个日念什么
接驳是什么意思
手脱皮是什么原因
无线耳机什么牌子好
有什么好玩的游戏