小度生活
首页
美食营养
手工爱好
生活家居
返回
小度生活
首页
美食营养
游戏数码
手工爱好
生活家居
健康养生
运动户外
职场理财
情感交际
母婴教育
时尚美容
知识问答
生活知识
搜索
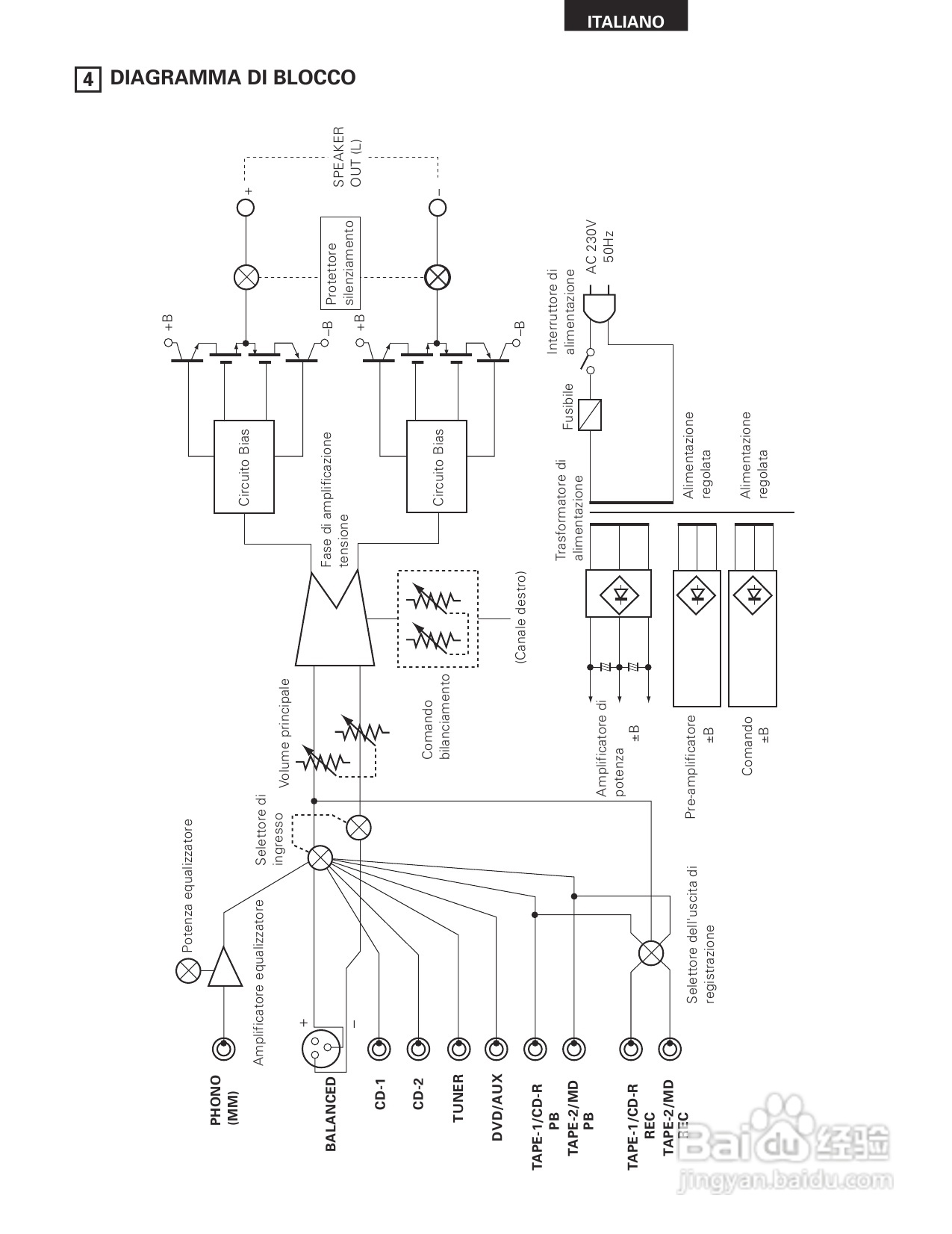
天龙PMA-SA1型音响说明书:[3]
2026-02-05 22:25:38
(共篇)
上一篇:
|
下一篇:
声明:
本网站引用、摘录或转载内容仅供网站访问者交流或参考,不代表本站立场,如存在版权或非法内容,请联系站长删除,联系邮箱:site.kefu@qq.com。
相关推荐
天龙PMA-2000AE型音响说明书:[3]
阅读量:79
天龙PMA-1500RI型音响说明书:[4]
阅读量:69
天龙PMA-2000AE型音响说明书:[5]
阅读量:90
天龙PMA-495R型音响说明书:[2]
阅读量:167
天龙PMA-390Ⅲ功放无声的检修
阅读量:130
猜你喜欢
怎么快速美白
大闸蟹怎么做好吃
羊腿怎么做好吃
青春痘的治疗方法
牙龈炎的治疗方法
鼻窦炎治疗方法
栗子怎么煮好吃又好剥皮
炒白菜的家常做法
蒙特卡洛方法
花甲怎么做好吃又简单
猜你喜欢
如何做饺子馅好吃
折纸飞机的方法
宝宝感冒发烧怎么办
灰指甲的治疗方法醋
裙子的英文怎么说
无线网卡怎么设置
慈铭体检怎么样
云飞的歌曲大全
山药怎么做好吃又简单
胆息肉最佳治疗方法