小度生活
首页
美食营养
手工爱好
生活家居
返回
小度生活
首页
美食营养
游戏数码
手工爱好
生活家居
健康养生
运动户外
职场理财
情感交际
母婴教育
时尚美容
知识问答
生活知识
生活百科
搜索
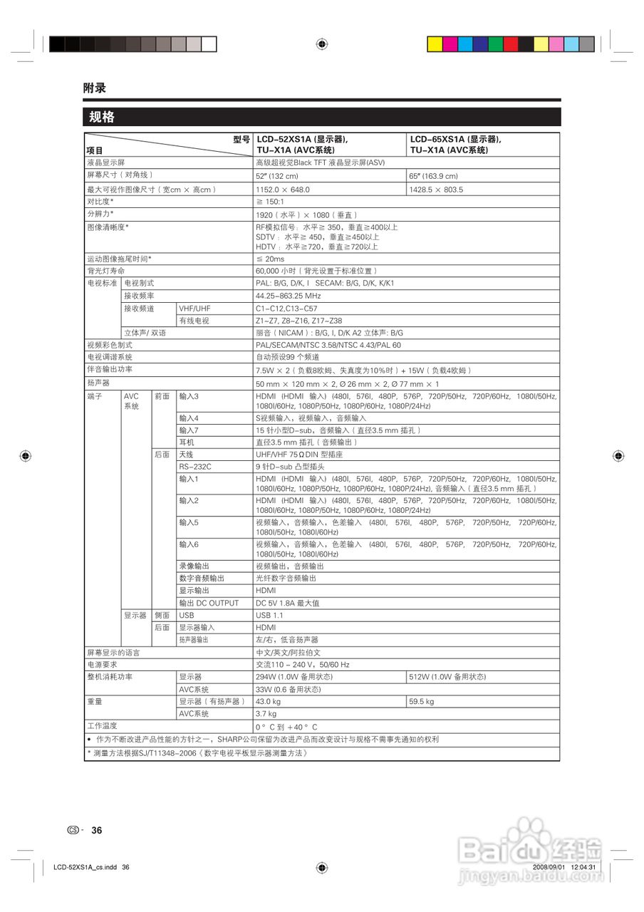
夏普液晶电视LCD-52XS1A型说明书:[4]
2026-04-30 16:18:34
/>
(共篇)
上一篇:
声明:
本网站引用、摘录或转载内容仅供网站访问者交流或参考,不代表本站立场,如存在版权或非法内容,请联系站长删除,联系邮箱:site.kefu@qq.com。
相关推荐
夏普电视机遥控器如何打开后盖?
阅读量:117
夏普液晶电视LCD-52RX1型说明书:[3]
阅读量:143
夏普液晶电视LCD-52RX1型说明书:[4]
阅读量:58
夏普液晶电视LCD-46RX1型说明书:[2]
阅读量:99
夏普液晶电视LCD-46RX1型说明书:[3]
阅读量:47
猜你喜欢
dl是什么意思
柳条像什么比喻句
77年属什么生肖
大圆脸适合什么发型
7月9日是什么星座
4月6日是什么星座
炉中火命是什么意思
burberry是什么牌子
倾国倾城是什么意思
84年属什么的
猜你喜欢
海底捞是什么
事业单位是什么意思
烟瘾是什么感觉
hbsag阴性是什么意思
什么的宇宙
pc是什么材料
梅花什么时候开
联通查流量发什么短信
dts是什么意思
什么的滋味作文