小度生活
首页
美食营养
手工爱好
生活家居
返回
小度生活
首页
美食营养
游戏数码
手工爱好
生活家居
健康养生
运动户外
职场理财
情感交际
母婴教育
时尚美容
知识问答
生活知识
生活百科
搜索
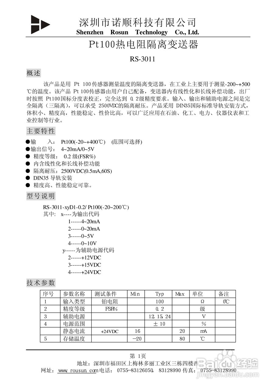
Pt100热电阻隔离变送器说明书
2026-04-09 23:55:47
声明:
本网站引用、摘录或转载内容仅供网站访问者交流或参考,不代表本站立场,如存在版权或非法内容,请联系站长删除,联系邮箱:site.kefu@qq.com。
相关推荐
生个美国宝宝:[1]我能不能去美国生宝宝
阅读量:126
澳门赛狗的方法
阅读量:148
戴尔灵越15 5000金属版评测
阅读量:101
SW如何在相交命令中消耗掉相交的曲面
阅读量:95
SW怎么修改圆角大小
阅读量:122
猜你喜欢
有酒窝的人代表什么
怨天尤人什么意思
智力运动会
数学必修一知识点总结
戏曲知识
葵花籽的功效与作用
什么是高汤
初中英语知识点大全
苦菊的功效与作用
金荞麦的功效与作用
猜你喜欢
200分能上什么大学
pose什么意思
幼儿园运动会活动方案
世界上什么东西最大
单作用液压缸
庆余年第二季什么时候播出
黄豆的功效与作用
女人手脚冰凉什么原因
橘子不能和什么一起吃
什么鱼线好