小度生活
首页
美食营养
手工爱好
生活家居
返回
小度生活
首页
美食营养
游戏数码
手工爱好
生活家居
健康养生
运动户外
职场理财
情感交际
母婴教育
时尚美容
知识问答
搜索
华科仪HK-3C型台式精密酸度计使用说明书v22:[2]
2025-11-19 21:30:09
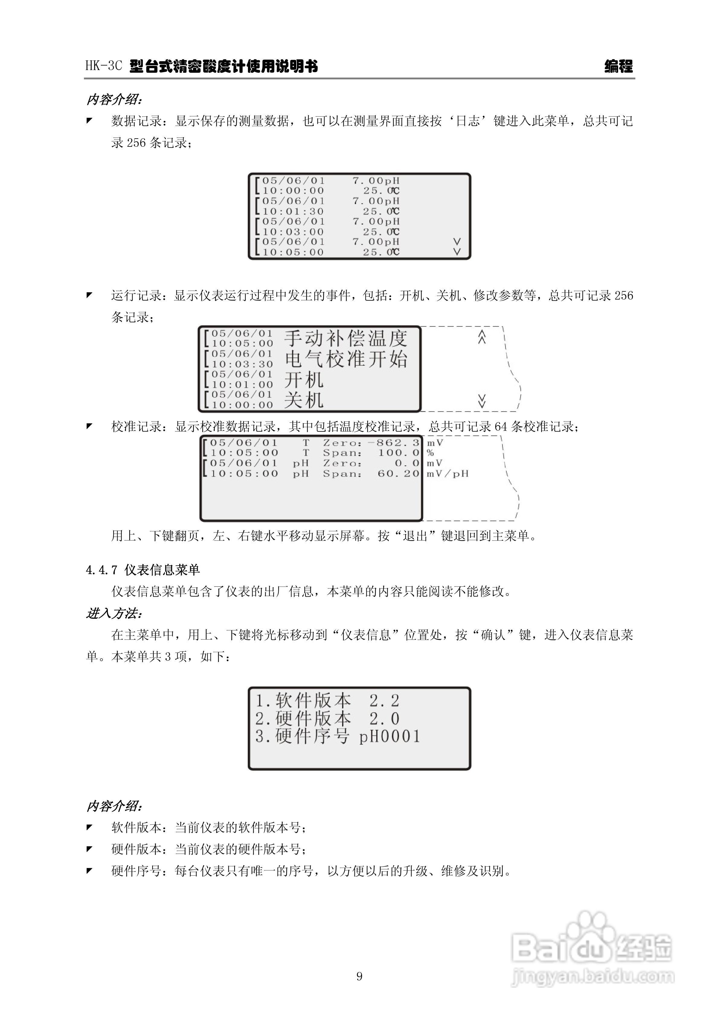
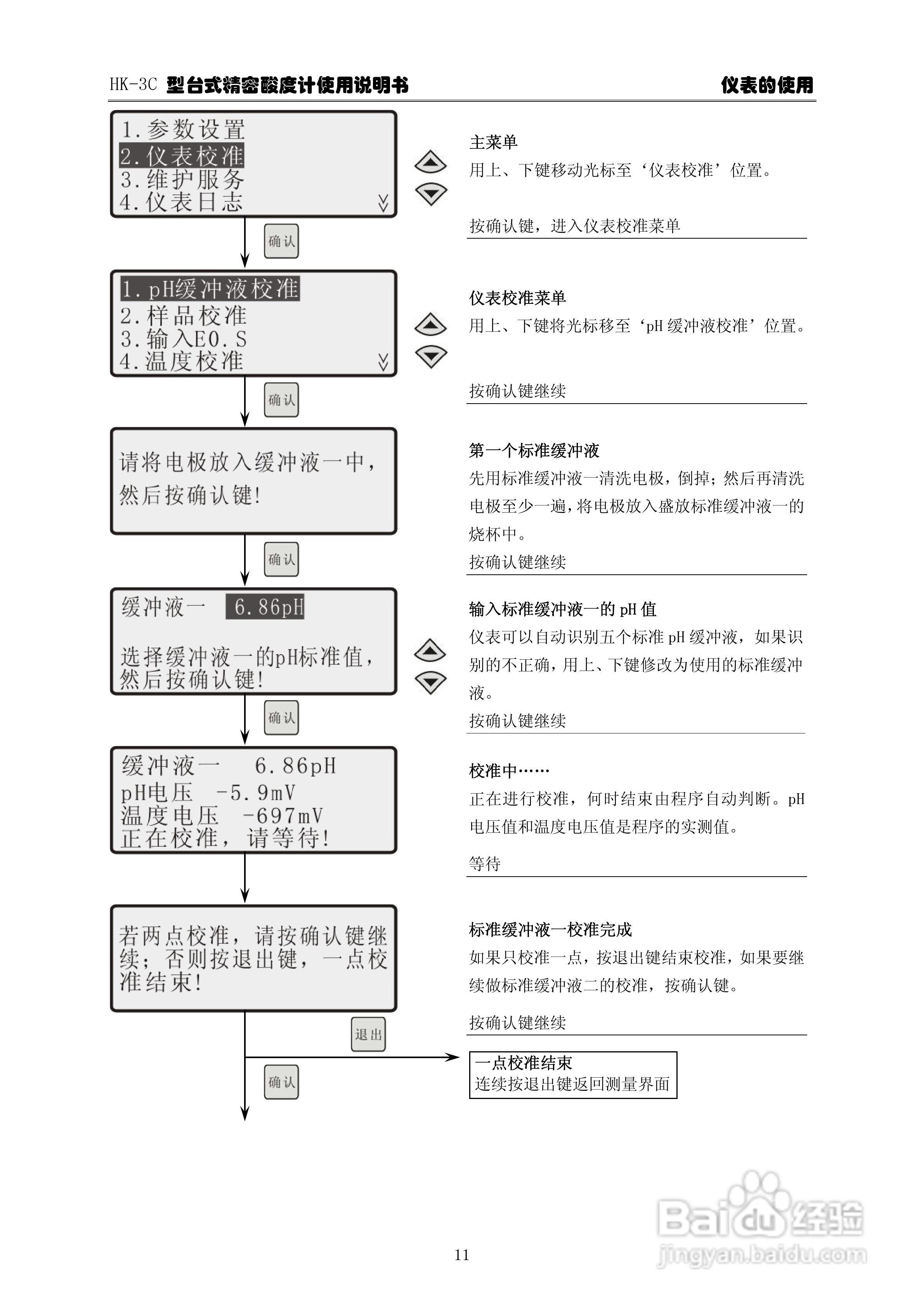
本篇为《华科仪HK-3C型台式精密酸度计使用说明书v22》,主要介绍该产品的使用方法以及常见故障解决方案。
(共篇)
上一篇:
|
下一篇:
声明:
本网站引用、摘录或转载内容仅供网站访问者交流或参考,不代表本站立场,如存在版权或非法内容,请联系站长删除,联系邮箱:site.kefu@qq.com。
相关推荐
华科仪HK-307型台式电导率仪使用说明书v22:[3]
阅读量:100
华科仪HK-338型电导率分析仪3.0使用说明书v31:[2]
阅读量:152
PH计 酸度计的标定
阅读量:181
如何检查酸度计/PH计电极的性能
阅读量:167
土壤酸度计使用方法
阅读量:41
猜你喜欢
开什么店赚钱
泰山石敢当是什么意思
烫伤擦什么药
什么植物和动物像鸡
exam是什么意思
宝宝什么时候可以吃盐
62年属什么生肖
i don t care是什么意思
梦寐以求是什么意思
football是什么意思
猜你喜欢
什么是机械运动
疥疮用什么药
什么是月经
什么是剪力墙
homework是什么意思
庆余年神庙到底是什么
数控技术是什么
容积率是什么
七什么八什么
历历在目是什么意思