小度生活
首页
美食营养
手工爱好
生活家居
返回
小度生活
首页
美食营养
游戏数码
手工爱好
生活家居
健康养生
运动户外
职场理财
情感交际
母婴教育
时尚美容
知识问答
生活知识
生活百科
搜索
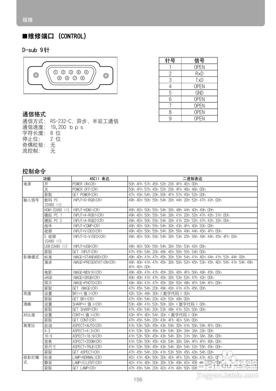
佳能SX800投影机使用说明书:[16]
2026-05-02 04:44:33
本篇为《佳能SX800投影机使用说明书》,主要介绍该产品的使用方法以及常见故障解决方案。
(共篇)
上一篇:
|
下一篇:
声明:
本网站引用、摘录或转载内容仅供网站访问者交流或参考,不代表本站立场,如存在版权或非法内容,请联系站长删除,联系邮箱:site.kefu@qq.com。
相关推荐
佳能SX800投影机使用说明书:[15]
阅读量:34
佳能SX800投影机使用说明书:[7]
阅读量:152
佳能SX800投影机使用说明书:[5]
阅读量:179
投影机怎样连接使用
阅读量:175
投影机的安装与调试
阅读量:115
猜你喜欢
有恃无恐是什么意思
男士运动鞋
玻尿酸有什么作用
海啸是什么
plain是什么意思
below什么意思
什么是修正主义
玷污是什么意思
emmmm是什么意思
b2能开什么车
猜你喜欢
eva是什么材料
治脚气用什么药
富含维生素a的食物
胡子长得快是什么原因
什么是放疗和化疗
3月初3是什么日子
运动鞋价格
信息是什么
什么是vlan
自考大专需要什么条件