小度生活
首页
美食营养
手工爱好
生活家居
返回
小度生活
首页
美食营养
游戏数码
手工爱好
生活家居
健康养生
运动户外
职场理财
情感交际
母婴教育
时尚美容
知识问答
生活知识
搜索
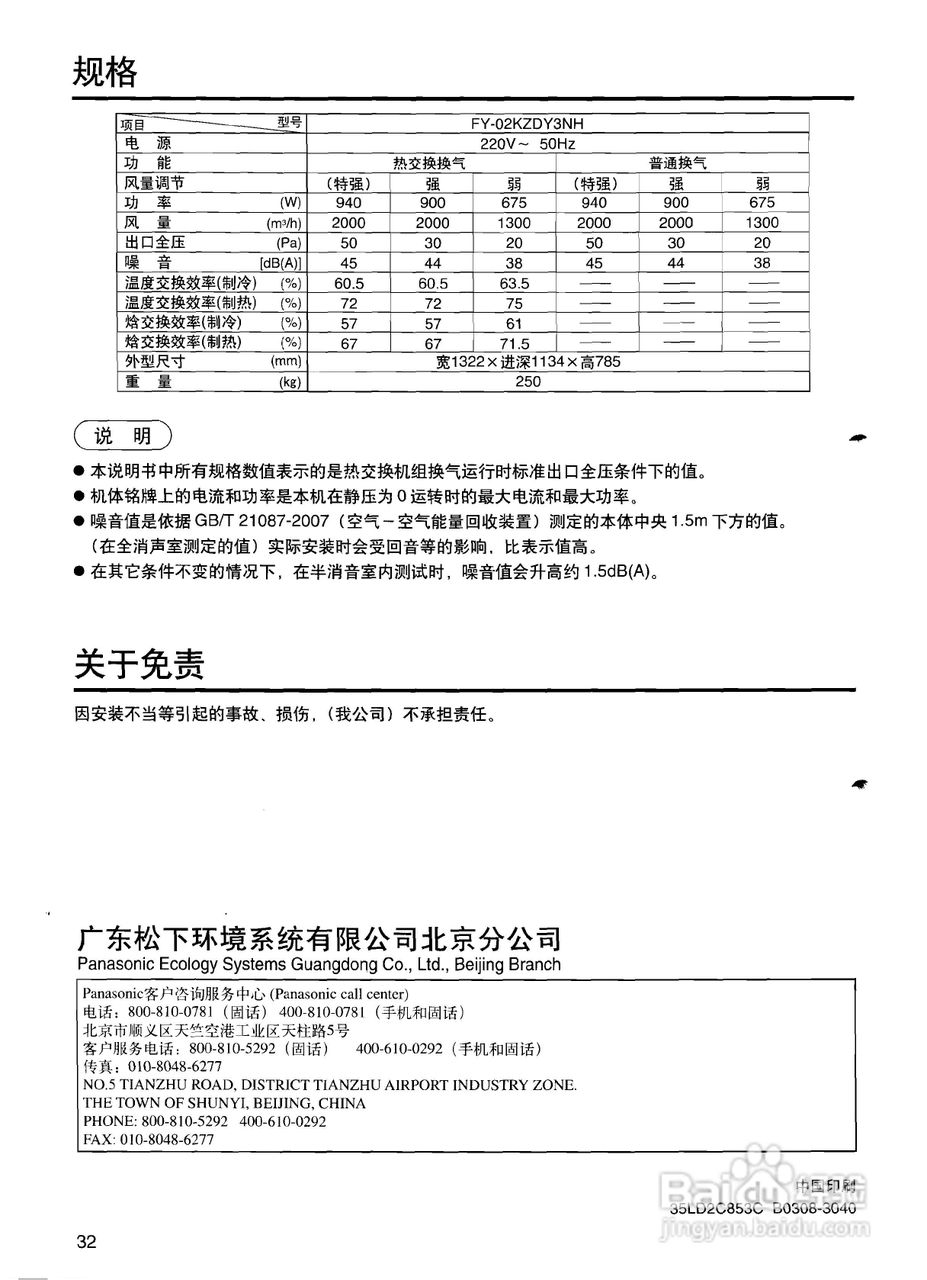
松下FY-650ZDY3NH全热交换器说明书:[4]
2025-10-29 02:40:40
本篇为《松下FY-650ZDY3NH全热交换器说明书》,主要介绍该产品的使用方法以及常见故障解决方案。
(共篇)
上一篇:
声明:
本网站引用、摘录或转载内容仅供网站访问者交流或参考,不代表本站立场,如存在版权或非法内容,请联系站长删除,联系邮箱:site.kefu@qq.com。
相关推荐
松下FY-650ZDY3NH全热交换器说明书:[3]
阅读量:134
松下FY-650ZDY3NH全热交换器说明书:[1]
阅读量:68
松下FY-800ZDY3NH全热交换器说明书:[3]
阅读量:129
松下FY-500ZDY3NH全热交换器说明书:[1]
阅读量:180
松下摄像机使用教程
阅读量:101
猜你喜欢
怎么找回删除的qq好友
你会怎么做广东卫视
乘法口诀表怎么背得快
昂克赛拉怎么样
吃阿胶上火怎么办
360导航怎么卸载
word怎么查字数
ps怎么修改图片尺寸
呼叫转移怎么收费
三峡大学怎么样
猜你喜欢
怎么设置屏保
孕妇羊水少怎么办
期货怎么开户
飞机打多了会怎么样
百合怎么吃最好
手机进水了怎么处理
左膝盖疼是怎么回事
迪巧钙片怎么样
鸡眼怎么挖
额头长痘痘怎么办