小度生活
首页
美食营养
手工爱好
生活家居
返回
小度生活
首页
美食营养
游戏数码
手工爱好
生活家居
健康养生
运动户外
职场理财
情感交际
母婴教育
时尚美容
知识问答
生活知识
生活百科
搜索
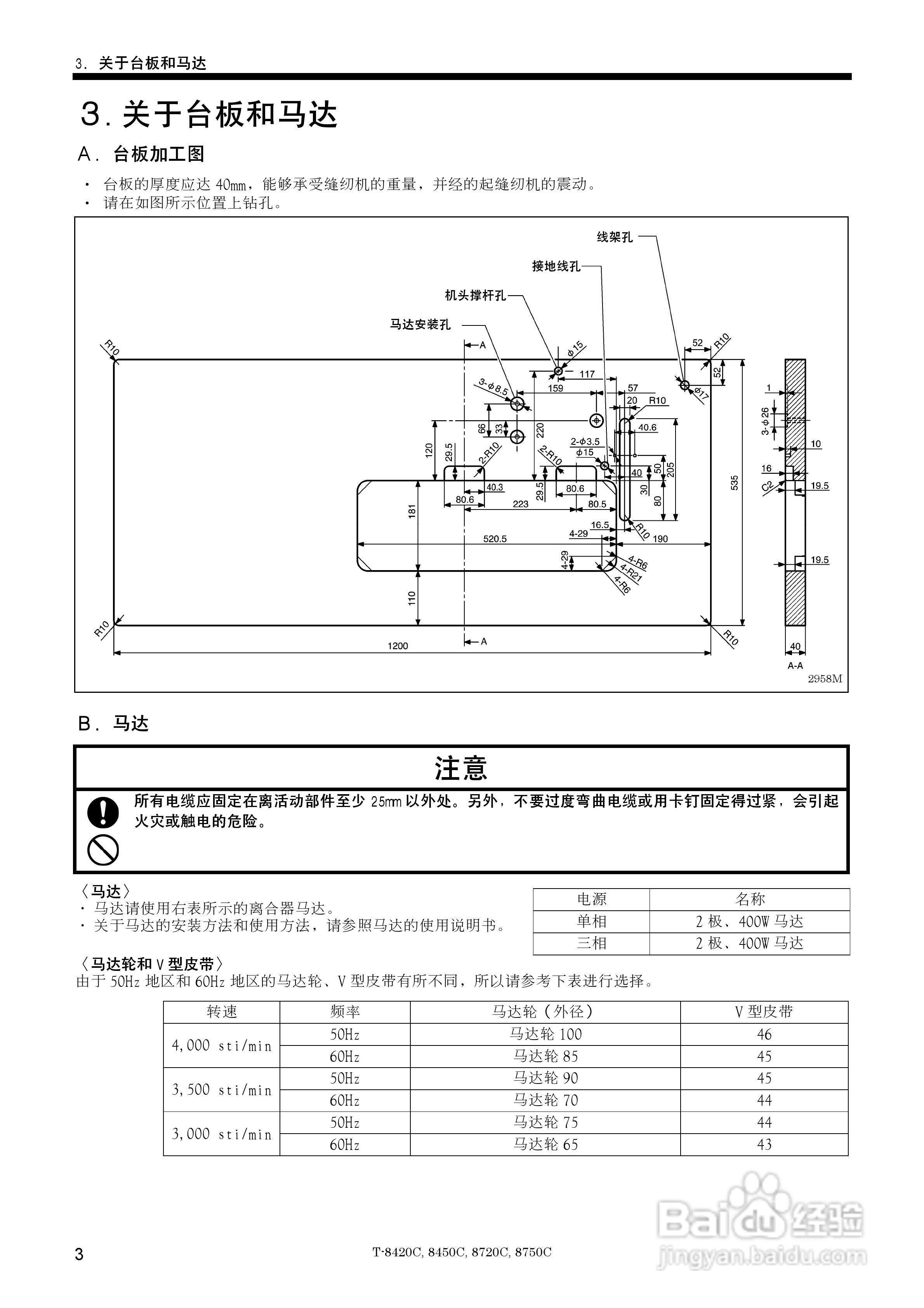
brother T-8450C缝纫机说明书:[2]
2026-04-06 17:19:20
本篇为《brother T-8450C缝纫机说明书》,主要介绍该产品的使用方法以及常见故障解决方案。
(共篇)
上一篇:
|
下一篇:
声明:
本网站引用、摘录或转载内容仅供网站访问者交流或参考,不代表本站立场,如存在版权或非法内容,请联系站长删除,联系邮箱:site.kefu@qq.com。
相关推荐
苋菜炒松花蛋
阅读量:181
小米加盟店怎么弄
阅读量:88
吃什么可以瘦下来
阅读量:41
去五台山如何预约不收门票费
阅读量:172
怎么样泡发出最好的海参
阅读量:143
猜你喜欢
山西省旅游局
辽宁石油化工大学怎么样
lol怎么打排位
如何培养幼儿的自信心
电脑如何重装系统
怎么学好英语的方法
如何下载字体
如何养富贵竹
台风是怎么命名的
安徽三联学院怎么样
猜你喜欢
苏泊尔电磁炉怎么样
标婷维生素e乳怎么样
4个月宝宝拉肚子怎么办
整容哪里好
陌陌主播怎么赚钱
如何辟谷
旅游消费行为
斐讯路由器怎么设置
浙c是哪里的车牌
赶黄草泡水喝的功效