小度生活
首页
美食营养
手工爱好
生活家居
返回
小度生活
首页
美食营养
游戏数码
手工爱好
生活家居
健康养生
运动户外
职场理财
情感交际
母婴教育
时尚美容
知识问答
生活知识
生活百科
搜索
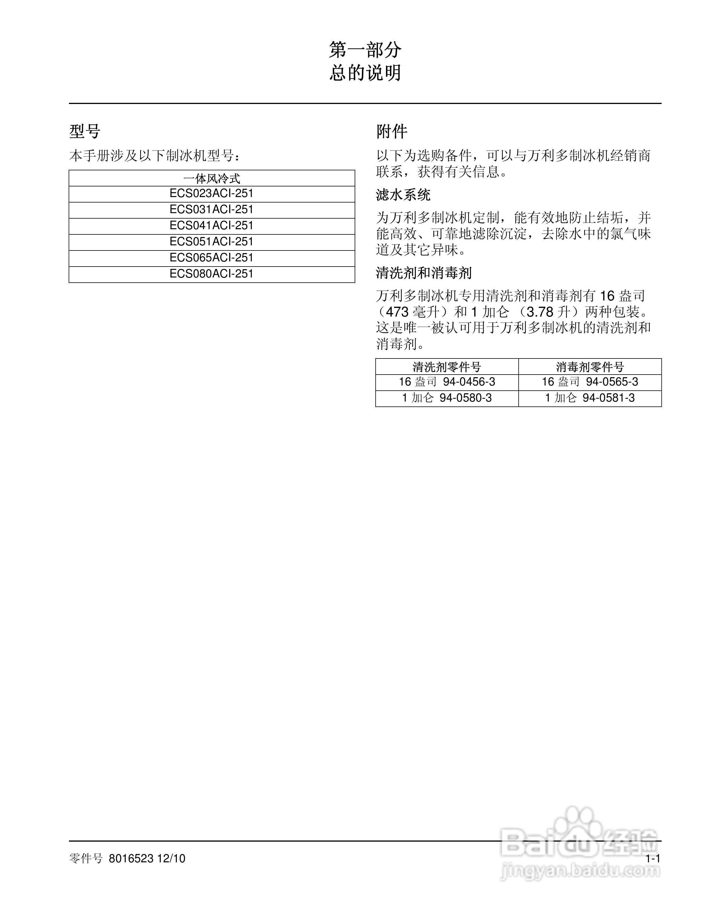
Manitowoc万利多ECS041ACI-251制冰机说明书:[1]
2026-04-04 18:32:46
/>
(共篇)
下一篇:
声明:
本网站引用、摘录或转载内容仅供网站访问者交流或参考,不代表本站立场,如存在版权或非法内容,请联系站长删除,联系邮箱:site.kefu@qq.com。
相关推荐
Manitowoc万利多ECS041ACI-251制冰机说明书:[3]
阅读量:61
Manitowoc万利多ECS051ACI-251制冰机说明书:[1]
阅读量:85
Manitowoc万利多ECS051ACI-251制冰机说明书:[2]
阅读量:154
Manitowoc万利多ECS080ACI-251制冰机说明书:[3]
阅读量:141
制冰机制冰慢怎么调节
阅读量:36
猜你喜欢
哈伦裤配什么鞋
兼容性是什么意思
echo是什么意思
十二星座开什么车
ipad是什么意思
橙子什么时候吃最好
什么叫空头支票
toys是什么意思
颠沛流离是什么意思
地勤是做什么的
猜你喜欢
所有者权益是什么意思
撒娇是什么意思
一扫而光的意思
thing是什么意思
指事字是什么意思
去台湾要办什么手续
ciq是什么意思
明朗的意思
什么是oled
清新的意思