小度生活
首页
美食营养
手工爱好
生活家居
返回
小度生活
首页
美食营养
游戏数码
手工爱好
生活家居
健康养生
运动户外
职场理财
情感交际
母婴教育
时尚美容
知识问答
生活知识
生活百科
搜索
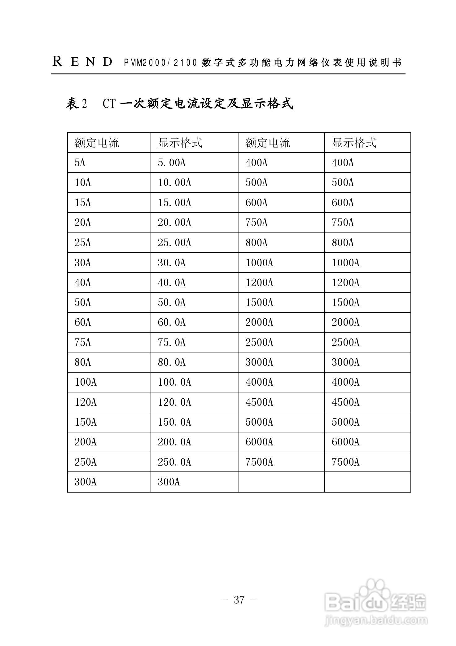
PMM2000/2100 数字式多功能电力网络仪表使用说明书:[4]
2026-05-06 20:07:44
本篇为《PMM2000/2100 数字式多功能电力网络仪表使用说明书》,主要介绍该产品的使用方法以及常见故障解决方案。
(共篇)
上一篇:
声明:
本网站引用、摘录或转载内容仅供网站访问者交流或参考,不代表本站立场,如存在版权或非法内容,请联系站长删除,联系邮箱:site.kefu@qq.com。
相关推荐
爸妈专用浏览器怎么使用
阅读量:65
利用文字朗读软件让残疾人用耳朵听书
阅读量:193
最新版(安卓)支付宝如何开启指纹支付
阅读量:20
好老公的标准:[6]不要自私
阅读量:68
交友要慎之又慎
阅读量:134
猜你喜欢
微信朋友圈怎么发链接
感冒流鼻涕怎么办
说话结巴怎么办
微店怎么开通
老年人脚肿是怎么回事
怎么连接wifi
双下巴怎么办
脸部皮肤过敏怎么办
鲜牛奶怎么加热
珍珠粉怎么吃
猜你喜欢
联通路由器怎么设置
尿素氮高是怎么回事
手机解锁密码忘了怎么办
前列腺钙化是怎么回事
qq怎么发红包
附件炎是怎么引起的
日丰管怎么样
石榴石怎么消磁
杂牌手机怎么刷机
清蒸黄花鱼怎么做