小度生活
首页
美食营养
手工爱好
生活家居
返回
小度生活
首页
美食营养
游戏数码
手工爱好
生活家居
健康养生
运动户外
职场理财
情感交际
母婴教育
时尚美容
知识问答
生活知识
搜索
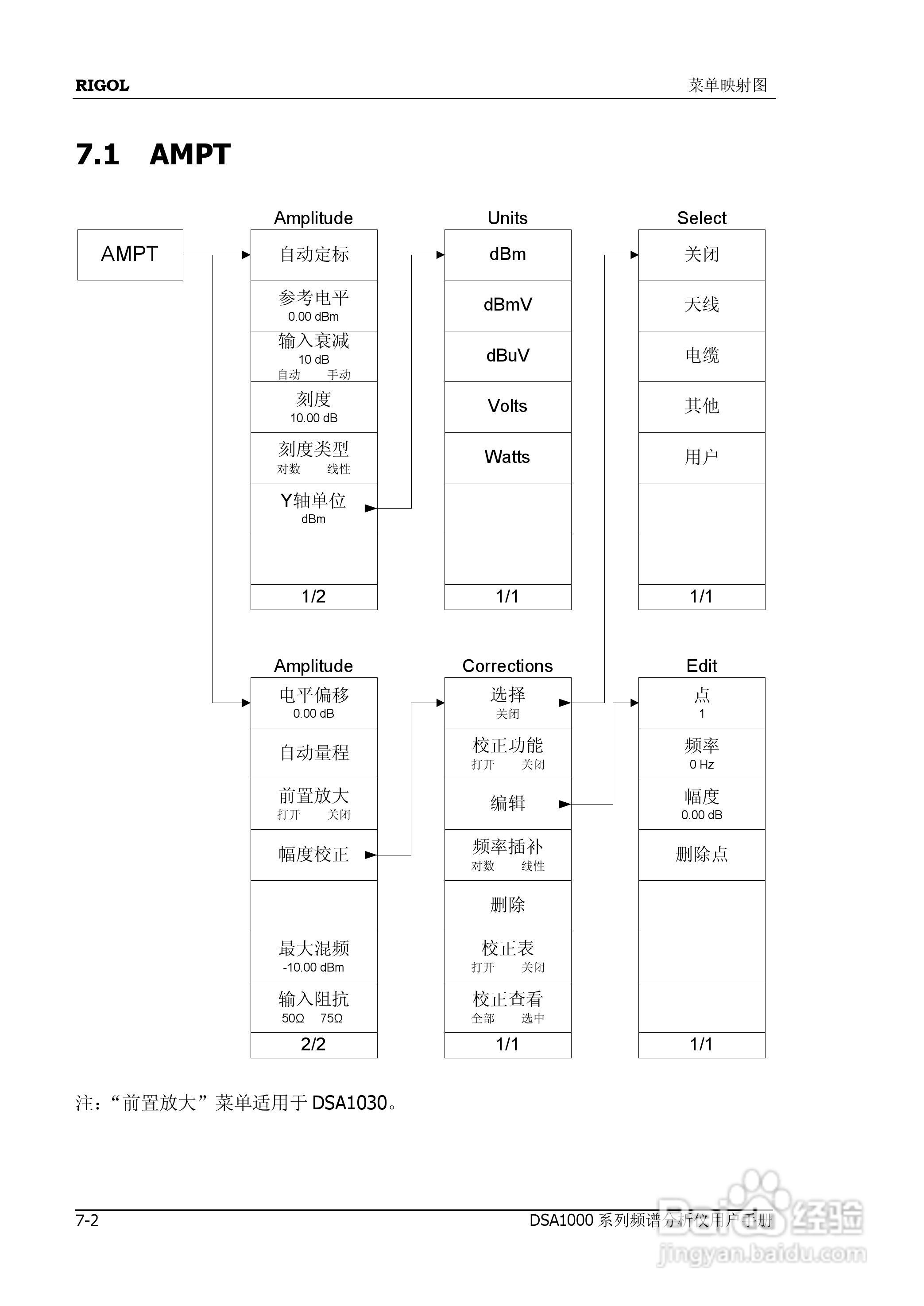
DSA1020频谱分析仪使用说明书:[24]
2025-12-28 12:16:29
本篇为《DSA1020频谱分析仪使用说明书》,主要介绍该产品的使用方法以及常见故障解决方案。
(共篇)
上一篇:
|
下一篇:
声明:
本网站引用、摘录或转载内容仅供网站访问者交流或参考,不代表本站立场,如存在版权或非法内容,请联系站长删除,联系邮箱:site.kefu@qq.com。
相关推荐
DSA1020频谱分析仪使用说明书:[23]
阅读量:48
DSA1020频谱分析仪使用说明书:[14]
阅读量:122
频谱分析仪维修维护保养的基本方法
阅读量:170
DSA1020频谱分析仪使用说明书:[13]
阅读量:35
DSA1020频谱分析仪使用说明书:[17]
阅读量:138
猜你喜欢
幼儿园安全知识
事业单位综合知识
高考物理必考知识点
什么是大盘股
孕吐一般什么时候开始
红枣茶的功效与作用
白蛋白的作用
玉米汁的功效与作用
面朝大海春暖花开什么意思
什么补水效果好
猜你喜欢
知识产权出版社
红霉素软膏的作用
缄默知识
灯心草的功效与作用
桃胶的功效与作用
知识竞赛活动总结
火疗的功效与作用
什么是工程管理
玉米须的功效与作用
牛蒡茶的功效与作用