小度生活
首页
美食营养
手工爱好
生活家居
返回
小度生活
首页
美食营养
游戏数码
手工爱好
生活家居
健康养生
运动户外
职场理财
情感交际
母婴教育
时尚美容
知识问答
搜索
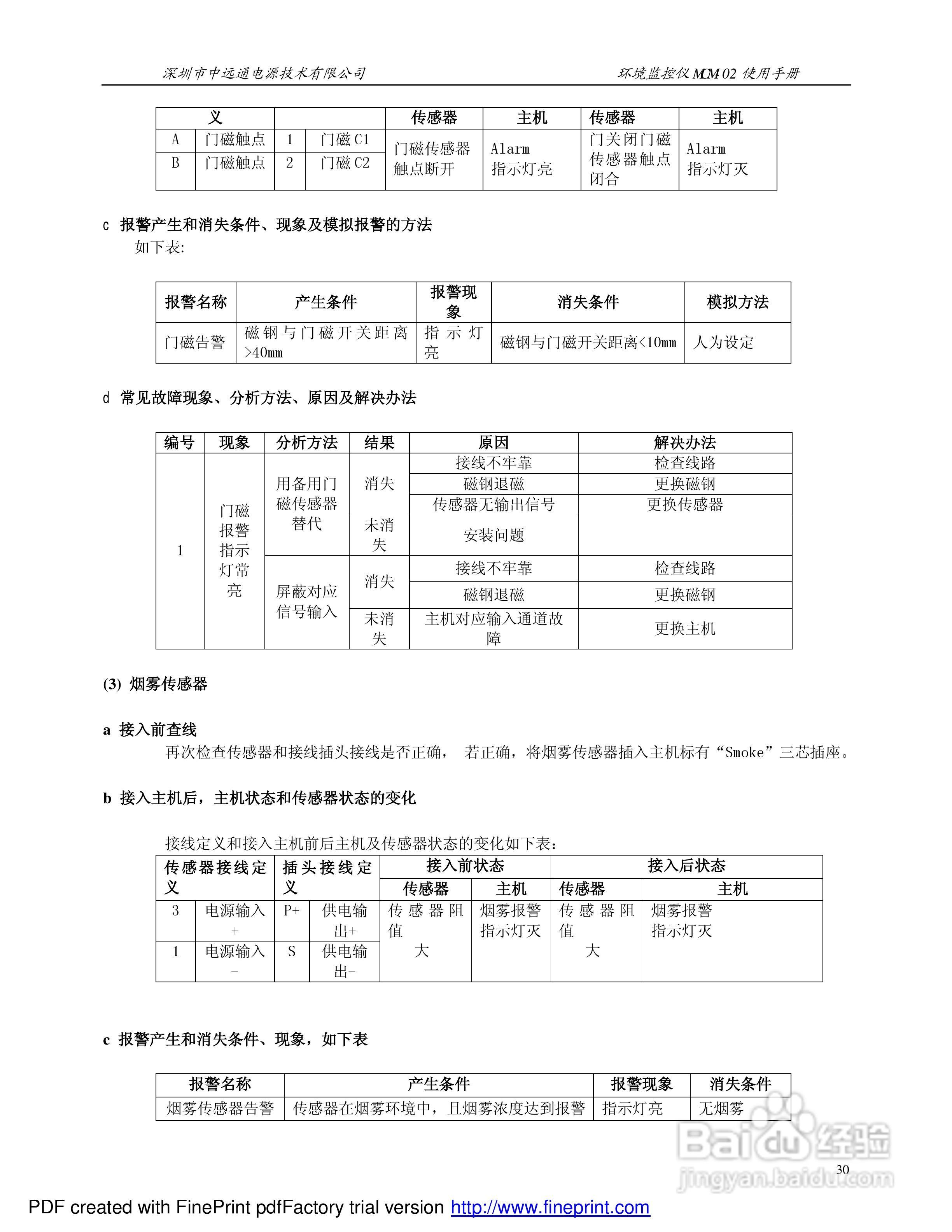
MCM-02环境监控仪使用手册:[4]
2025-11-18 07:48:58
本篇为《MCM-02环境监控仪使用手册》,主要介绍该产品的使用方法以及常见故障解决方案。
(共篇)
上一篇:
|
下一篇:
声明:
本网站引用、摘录或转载内容仅供网站访问者交流或参考,不代表本站立场,如存在版权或非法内容,请联系站长删除,联系邮箱:site.kefu@qq.com。
相关推荐
MCM-02环境监控仪使用手册:[2]
阅读量:152
MCM-02环境监控仪使用手册:[3]
阅读量:146
怎么辨别鉴定mcm包包真假
阅读量:34
mcm 如何判断真假
阅读量:66
真假MCM包包怎么分辨?
阅读量:32
猜你喜欢
健康码有什么用
三七的功效和作用
gf什么意思
瓜蒌皮的功效与作用
黑布林的功效和作用
什么是题材股
玻尿酸有什么用
login什么意思
关于法律的知识
酸奶什么时间喝最好
猜你喜欢
何首乌的功效与作用及食用方法
菟丝子的功效与作用
丁桂儿脐贴的作用
红米的功效与作用
什么平板好
维生素b1的作用
上海有什么好玩的
千里光的功效与作用
高中数学椭圆知识点
苹果什么时候吃