小度生活
首页
美食营养
手工爱好
生活家居
返回
小度生活
首页
美食营养
游戏数码
手工爱好
生活家居
健康养生
运动户外
职场理财
情感交际
母婴教育
时尚美容
知识问答
生活知识
生活百科
搜索
OKI MICROLINE 5340CⅡ宽行通用针式打印机使用说明书:[6]
2026-04-26 23:59:17
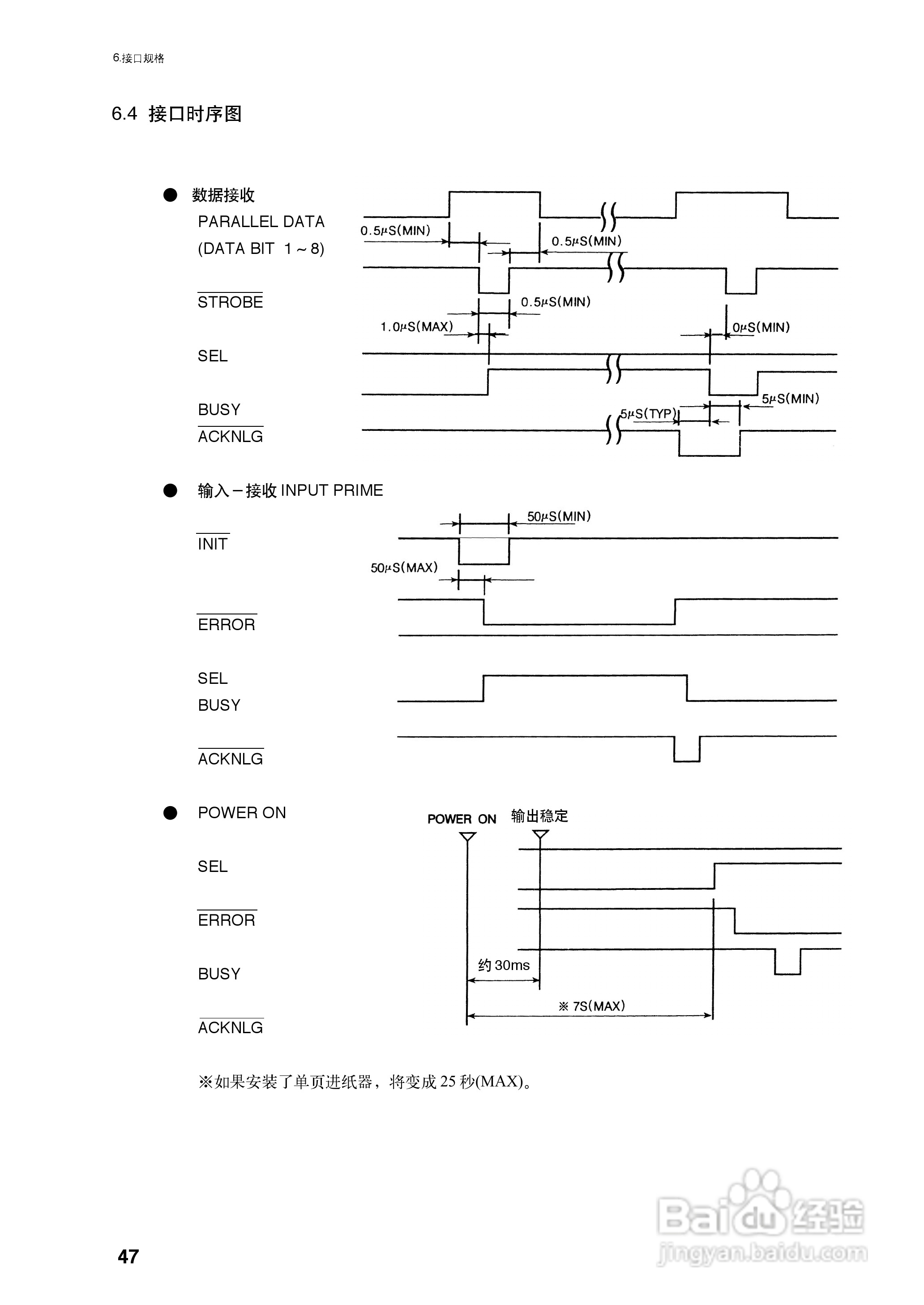
本篇为《OKI MICROLINE 5340CⅡ宽行通用针式打印机使用说明书》,主要介绍该产品的使用方法以及常见故障解决方案。
(共篇)
上一篇:
|
下一篇:
声明:
本网站引用、摘录或转载内容仅供网站访问者交流或参考,不代表本站立场,如存在版权或非法内容,请联系站长删除,联系邮箱:site.kefu@qq.com。
相关推荐
OKI MICROLINE 5340CⅡ宽行通用针式打印机使用说明书:[7]
阅读量:74
OKI MICROLINE 5340CⅡ宽行通用针式打印机使用说明书:[15]
阅读量:193
OKI MICROLINE 5340CⅡ宽行通用针式打印机使用说明书:[13]
阅读量:170
OKI MICROLINE 5340CⅡ宽行通用针式打印机使用说明书:[11]
阅读量:179
OKI MICROLINE 5340CⅡ宽行通用针式打印机使用说明书:[16]
阅读量:78
猜你喜欢
科颜氏眼霜怎么样
招聘信息怎么写吸引人
关节积液怎么治疗
黄盖怎么死的
dnf公会副本怎么进
荠菜怎么做最好吃
伤心的女人怎么了
怎么治痤疮
脸上起皮怎么办
五菱宏光s怎么样
猜你喜欢
螺旋藻怎么吃
湖南大学怎么样
母猪难产怎么办
嘴唇发黑是怎么回事
白菜汤怎么做好吃
星际争霸2怎么玩
睫毛膏干了怎么办
阳澄湖大闸蟹怎么吃
毛孔大怎么办
哈弗h9怎么样