小度生活
首页
美食营养
手工爱好
生活家居
返回
小度生活
首页
美食营养
游戏数码
手工爱好
生活家居
健康养生
运动户外
职场理财
情感交际
母婴教育
时尚美容
知识问答
生活知识
生活百科
搜索
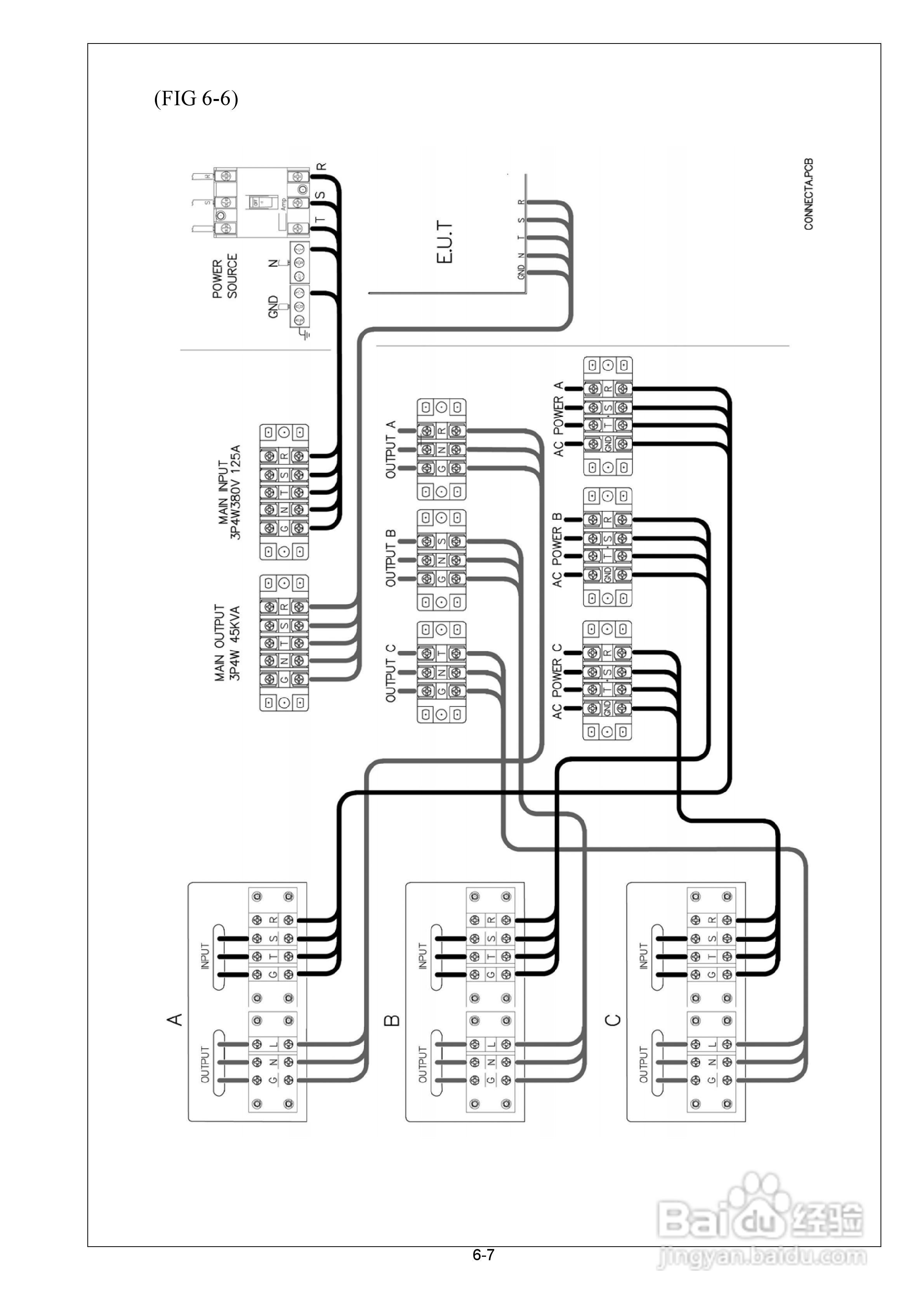
CF系列附GPIB、RS232 三相控制器操作手册:[2]
2026-03-30 00:13:29
本篇为《CF系列附GPIB、RS232 三相控制器操作手册》,主要介绍该产品的使用方法以及常见故障解决方案。
(共篇)
上一篇:
|
下一篇:
声明:
本网站引用、摘录或转载内容仅供网站访问者交流或参考,不代表本站立场,如存在版权或非法内容,请联系站长删除,联系邮箱:site.kefu@qq.com。
相关推荐
CIF系列附GPIB/RS232 三相控制器操作手冊:[3]
阅读量:45
CIF系列附GPIB/RS232 三相控制器操作手冊:[4]
阅读量:71
NI-GPIB控制器-安捷伦
阅读量:114
如何使用RS232串口通信
阅读量:58
LabVIEW用NI-488.2 GPIB-USB-HS+建立通讯步骤。
阅读量:132
猜你喜欢
什么是大数据概念
korea什么意思
沙虫的功效与作用
nfc是什么意思
反刍是什么意思
横膈膜的作用
道听途说的意思
tiktok是什么意思
px是什么意思
订婚送什么礼物
猜你喜欢
五十步笑百步的意思
什么以什么什么
不屑是什么意思
桂枝的功效和作用
腐女是什么意思
mv是什么意思
memo是什么意思
公元是什么意思
契机什么意思
军统和中统有什么区别