小度生活
首页
美食营养
手工爱好
生活家居
返回
小度生活
首页
美食营养
游戏数码
手工爱好
生活家居
健康养生
运动户外
职场理财
情感交际
母婴教育
时尚美容
知识问答
生活知识
生活百科
搜索
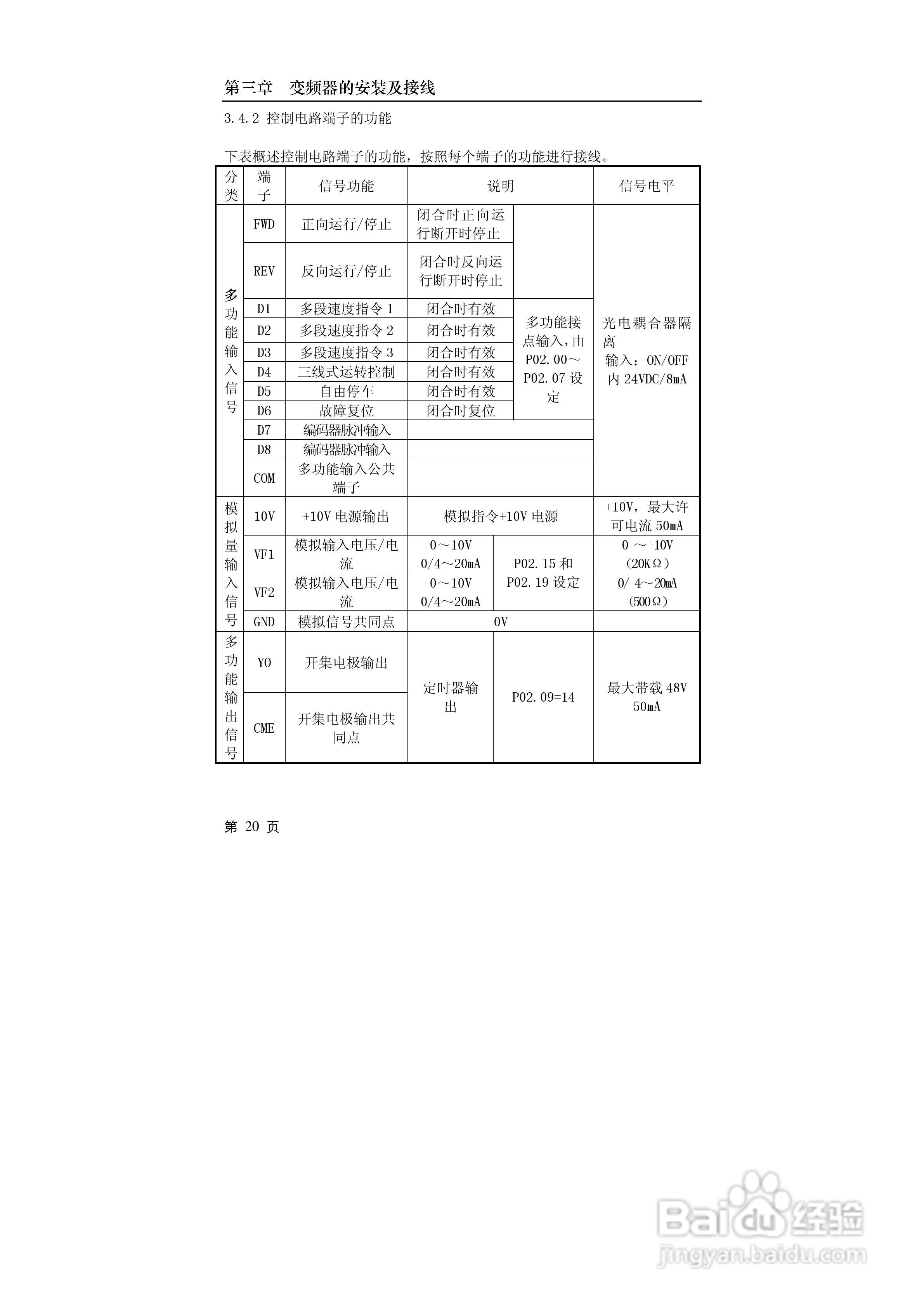
德力西CDI9600-G7R5T4小功率矢量变频器说明书:[3]
2026-05-11 02:50:33
本篇为《德力西CDI9600-G7R5T4小功率矢量变频器说明书》,主要介绍该产品的使用方法以及常见故障解决方案。
(共篇)
上一篇:
|
下一篇:
声明:
本网站引用、摘录或转载内容仅供网站访问者交流或参考,不代表本站立场,如存在版权或非法内容,请联系站长删除,联系邮箱:site.kefu@qq.com。
相关推荐
糖尿病肾病怎样治疗好
阅读量:138
如何使用计算专家的磁场强度单位换算计算器
阅读量:94
消防声光和手报是什么关系怎么接线各几跟线
阅读量:56
IntelliJ IDEA社区版怎么配置maven
阅读量:162
率土之滨武将属性介绍 武将有什么属性
阅读量:58
猜你喜欢
工作年限是什么意思
纳氏囊肿是什么
bot项目是什么意思
紫色代表什么意思
睡觉说梦话是什么原因
社保基数是什么意思
什么补肾
什么是事业单位
沧海一粟什么意思
acrylic是什么面料
猜你喜欢
手麻是什么病的前兆
石女的意思是什么
院士是什么级别
三个贝念什么
root什么意思
什么是电子邮箱
早泄是什么意思
同人是什么意思
在地下城寻求邂逅是否搞错了什么
狮子座女和什么座最配