小度生活
首页
美食营养
手工爱好
生活家居
返回
小度生活
首页
美食营养
游戏数码
手工爱好
生活家居
健康养生
运动户外
职场理财
情感交际
母婴教育
时尚美容
知识问答
搜索
华仪MS2308地电阻测试仪使用说明书:[3]
2025-11-23 10:09:08
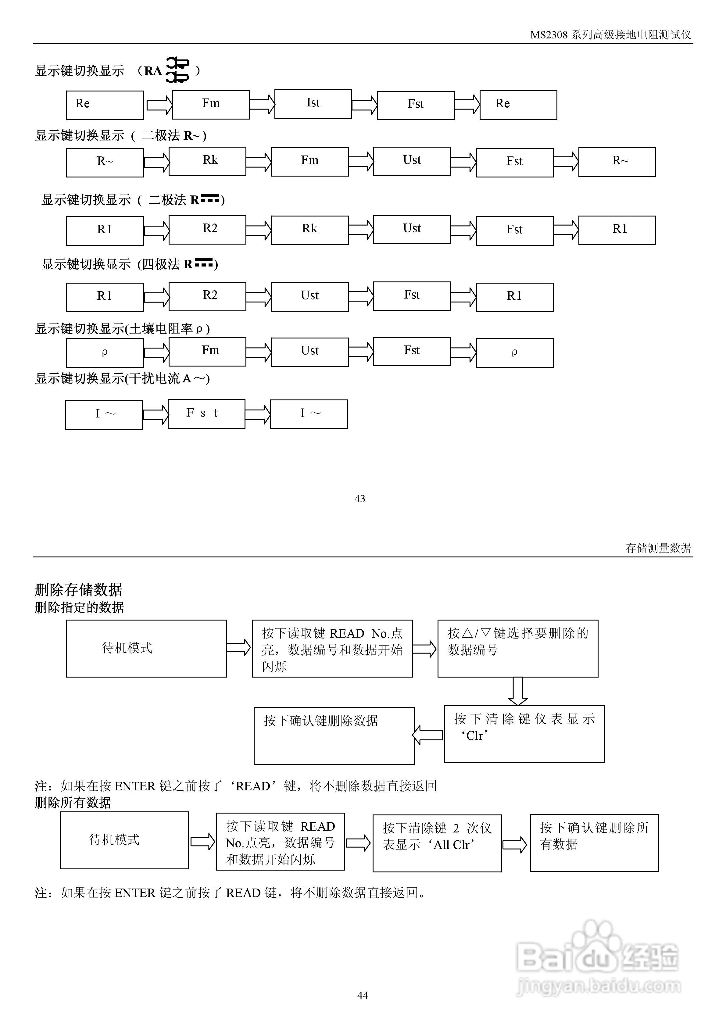
本篇为《华仪MS2308地电阻测试仪使用说明书》,主要介绍该产品的使用方法以及常见故障解决方案。
(共篇)
上一篇:
声明:
本网站引用、摘录或转载内容仅供网站访问者交流或参考,不代表本站立场,如存在版权或非法内容,请联系站长删除,联系邮箱:site.kefu@qq.com。
相关推荐
使用说明书封面怎么做
阅读量:115
华仪MS5208数字多用表使用说明书:[3]
阅读量:43
华仪MS8216数字万用电表使用说明书:[3]
阅读量:44
华仪MS5203绝缘测试仪使用说明书:[2]
阅读量:86
华仪MS5203绝缘测试仪使用说明书:[3]
阅读量:174
猜你喜欢
target是什么意思
煜是什么意思
7-8万左右买什么车好
彼此的意思
体温计什么牌子好
tpp是什么意思
卸磨杀驴的意思
包容的意思
chart是什么意思
血崩是什么意思
猜你喜欢
寿终正寝的意思
干咳是什么意思
拉杆箱什么品牌好
栩栩如生的意思是什么
电子体重秤什么牌子好
对老师的祝福语
吐槽的意思
视野的意思
luxury是什么意思
挥霍的意思