小度生活
首页
美食营养
手工爱好
生活家居
返回
小度生活
首页
美食营养
游戏数码
手工爱好
生活家居
健康养生
运动户外
职场理财
情感交际
母婴教育
时尚美容
知识问答
生活知识
搜索
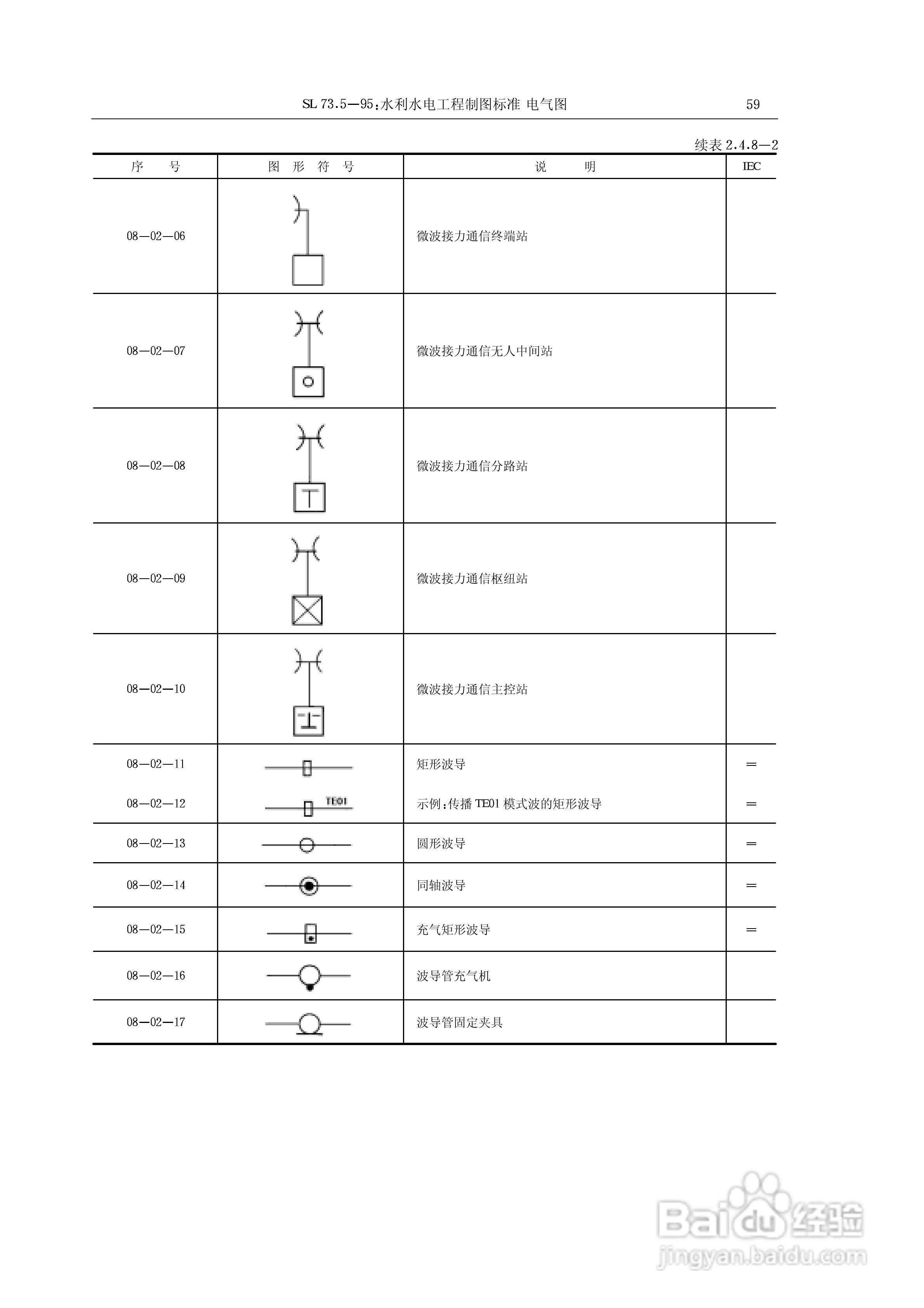
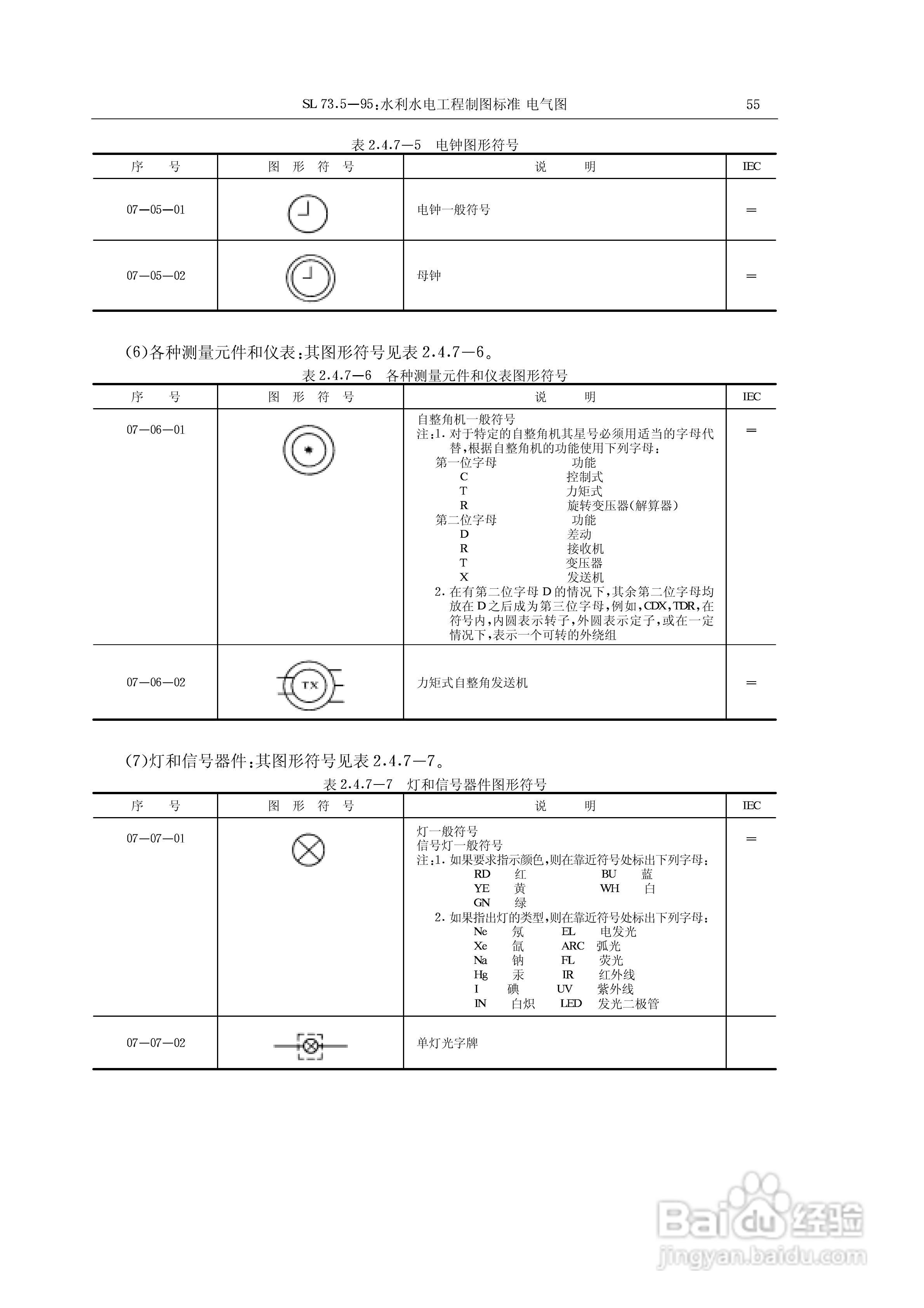
电气符号大全:[5]
2025-12-08 01:26:21
本篇为《电气符号大全》,主要介绍该产品的使用方法以及常见故障解决方案。
(共篇)
上一篇:
|
下一篇:
声明:
本网站引用、摘录或转载内容仅供网站访问者交流或参考,不代表本站立场,如存在版权或非法内容,请联系站长删除,联系邮箱:site.kefu@qq.com。
相关推荐
电气符号大全:[4]
阅读量:166
电气图形符号大全:[1]
阅读量:35
特殊符号大全
阅读量:180
符号箭头怎么打
阅读量:94
符号大全 花样符号的打法
阅读量:27
猜你喜欢
辣木籽怎么吃
澳大利亚英文怎么写
虚火旺怎么办
羊肉片怎么做好吃
散光怎么治疗
怎么提神
中国海洋大学怎么样
ppt怎么自动播放
怎么注销微博账号
含羞草怎么种
猜你喜欢
怎么解散群
怎么做酸奶
汗脚怎么治
党费怎么交
皮皮虾怎么剥
苹果手写怎么设置
镜头盖防丢绳怎么装
炫彩皮肤怎么用
华中科技大学怎么样
rectangle怎么读