小度生活
首页
美食营养
手工爱好
生活家居
返回
小度生活
首页
美食营养
游戏数码
手工爱好
生活家居
健康养生
运动户外
职场理财
情感交际
母婴教育
时尚美容
知识问答
生活知识
生活百科
搜索
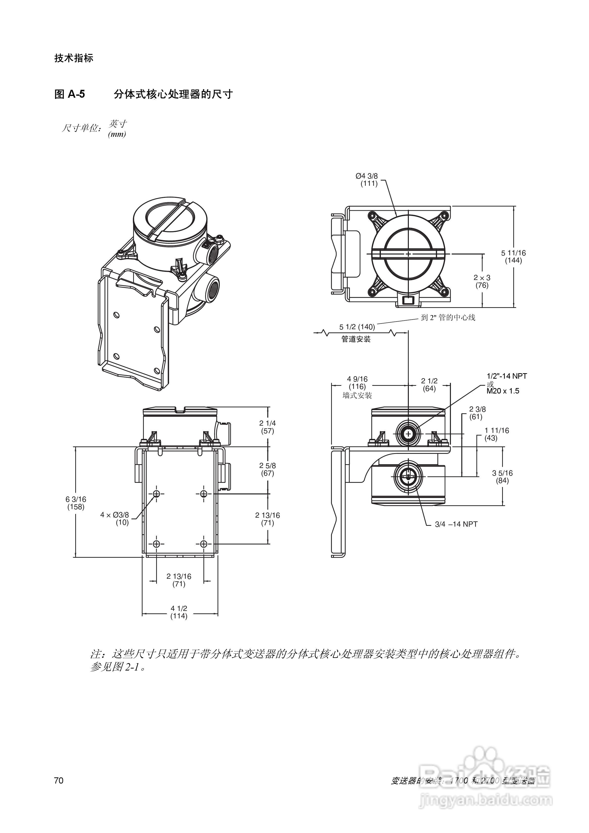
EMERSON1700/2700型变送器安装说明书:[8]
2026-03-30 11:58:11
本篇为《EMERSON1700/2700型变送器安装说明书》,主要介绍该产品的使用方法以及常见故障解决方案。
(共篇)
上一篇:
声明:
本网站引用、摘录或转载内容仅供网站访问者交流或参考,不代表本站立场,如存在版权或非法内容,请联系站长删除,联系邮箱:site.kefu@qq.com。
相关推荐
EMERSON1700/2700型变送器安装说明书:[7]
阅读量:29
EMERSON 8800D 型涡街流量计说明书:[2]
阅读量:95
EMERSON 8800D 型涡街流量计说明书:[1]
阅读量:21
EMERSON 8800D 型涡街流量计说明书:[3]
阅读量:117
EMERSON 8800D 型涡街流量计说明书:[4]
阅读量:161
猜你喜欢
什么叫服务器
zero什么意思
冷暖自知是什么意思
阿宁为什么要当人蛇
姗姗来迟是什么意思
promote是什么意思
朝九晚五是什么意思
粉墨登场是什么意思
牵引挂车是什么意思
我国最先出现的纸币是什么
猜你喜欢
突然袭击的意思是什么
什么是干股
什么人不能吃香蕉
安利维生素c
运动品牌
维生素b12缺乏症
辰时是什么时候
送朋友什么礼物好
natural是什么意思
差强人意什么意思