小度生活
首页
美食营养
手工爱好
生活家居
返回
小度生活
首页
美食营养
游戏数码
手工爱好
生活家居
健康养生
运动户外
职场理财
情感交际
母婴教育
时尚美容
知识问答
生活知识
生活百科
搜索
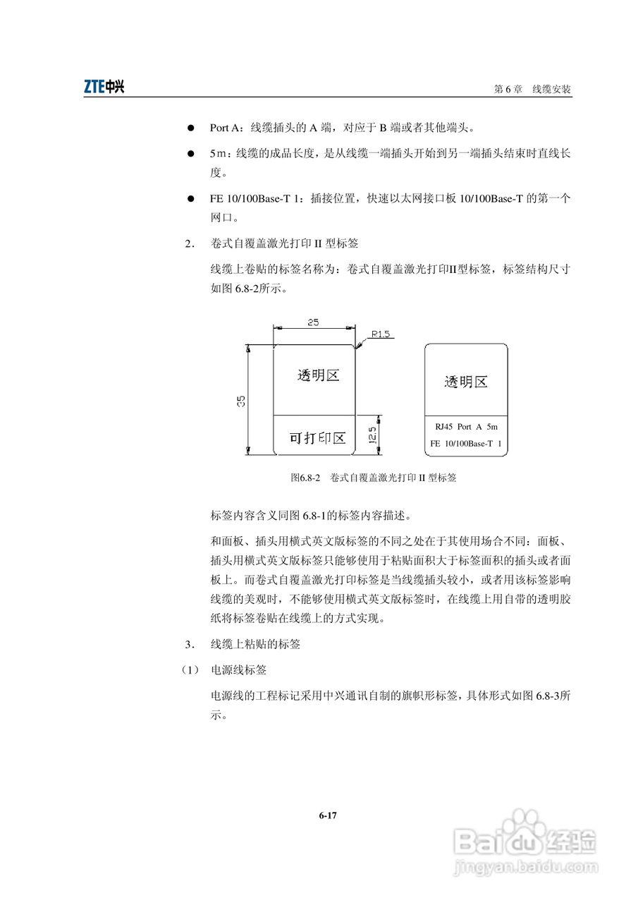
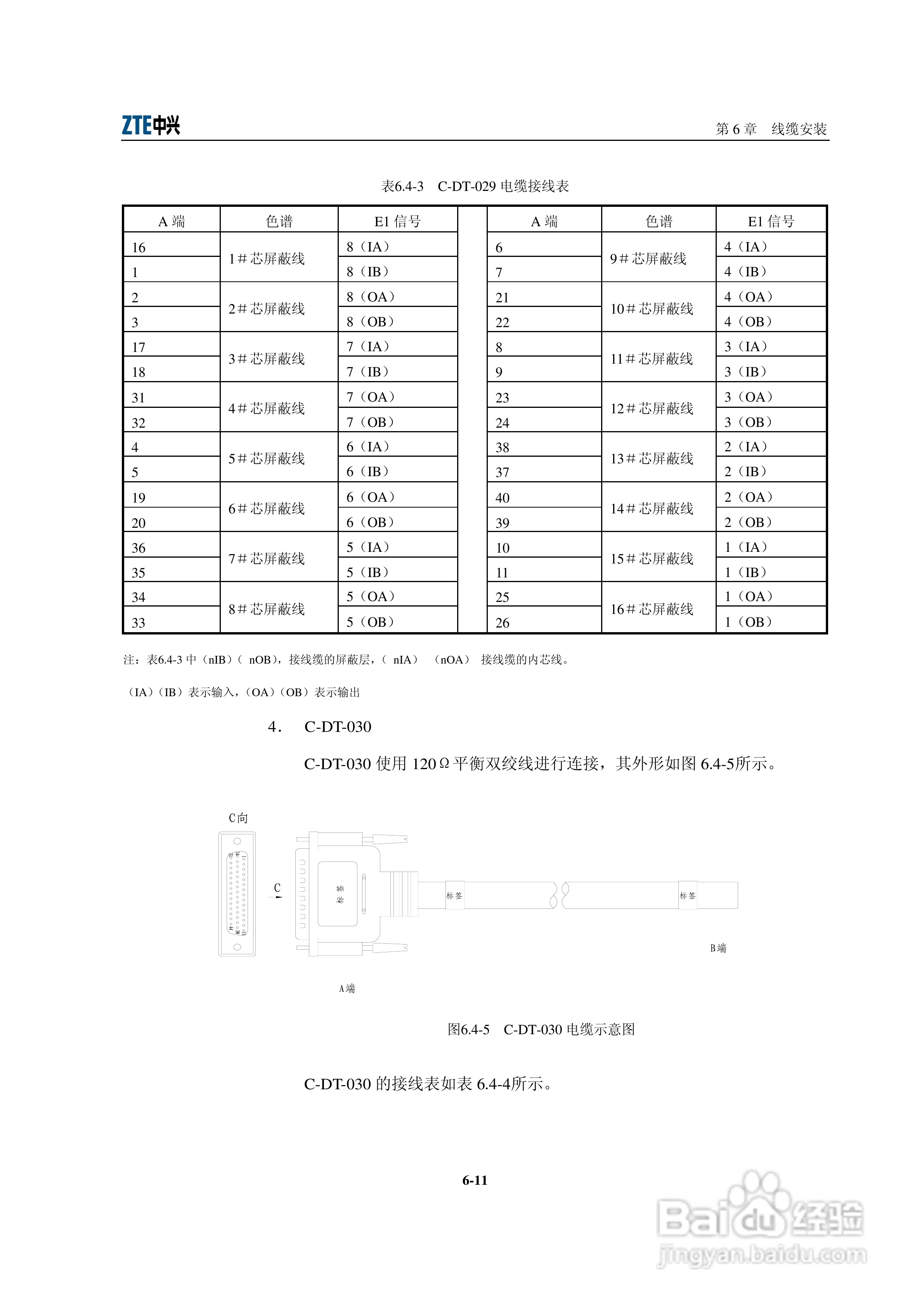
sjzl20061674-ZXR10 GER通用高性能路由器安装手册:[6]
2026-03-28 17:00:42
本篇为《sjzl20061674-ZXR10 GER通用高性能路由器安装手册》,主要介绍该产品的使用方法以及常见故障解决方案。
(共篇)
上一篇:
|
下一篇:
声明:
本网站引用、摘录或转载内容仅供网站访问者交流或参考,不代表本站立场,如存在版权或非法内容,请联系站长删除,联系邮箱:site.kefu@qq.com。
相关推荐
sjzl20061674-ZXR10 GER通用高性能路由器安装手册:[7]
阅读量:151
sjzl20061674-ZXR10 GER通用高性能路由器安装手册:[4]
阅读量:101
路由器密码怎么修改
阅读量:118
sjzl20061674-ZXR10 GER通用高性能路由器安装手册:[5]
阅读量:146
sjzl20061674-ZXR10 GER通用高性能路由器安装手册:[2]
阅读量:83
猜你喜欢
旅游局电话
山东工艺美术学院怎么样
健身可以减肥吗
怎么查q币余额
吃什么可以补气血
精子可以在体内存活几天并受精
四姑娘山景区
凉拌豆腐丝
吕梁旅游
贵州旅游自由行攻略
猜你喜欢
杭州有哪些旅游景点
龙湖怎么样
上海周边旅游景点
济南旅游地图
旅游营销
孕妇可以喝菊花茶
宝鸡旅游景点大全
小米开不了机怎么办
尼康d7000怎么样
青少年掉头发怎么办