小度生活
首页
美食营养
手工爱好
生活家居
返回
小度生活
首页
美食营养
游戏数码
手工爱好
生活家居
健康养生
运动户外
职场理财
情感交际
母婴教育
时尚美容
知识问答
生活知识
生活百科
搜索
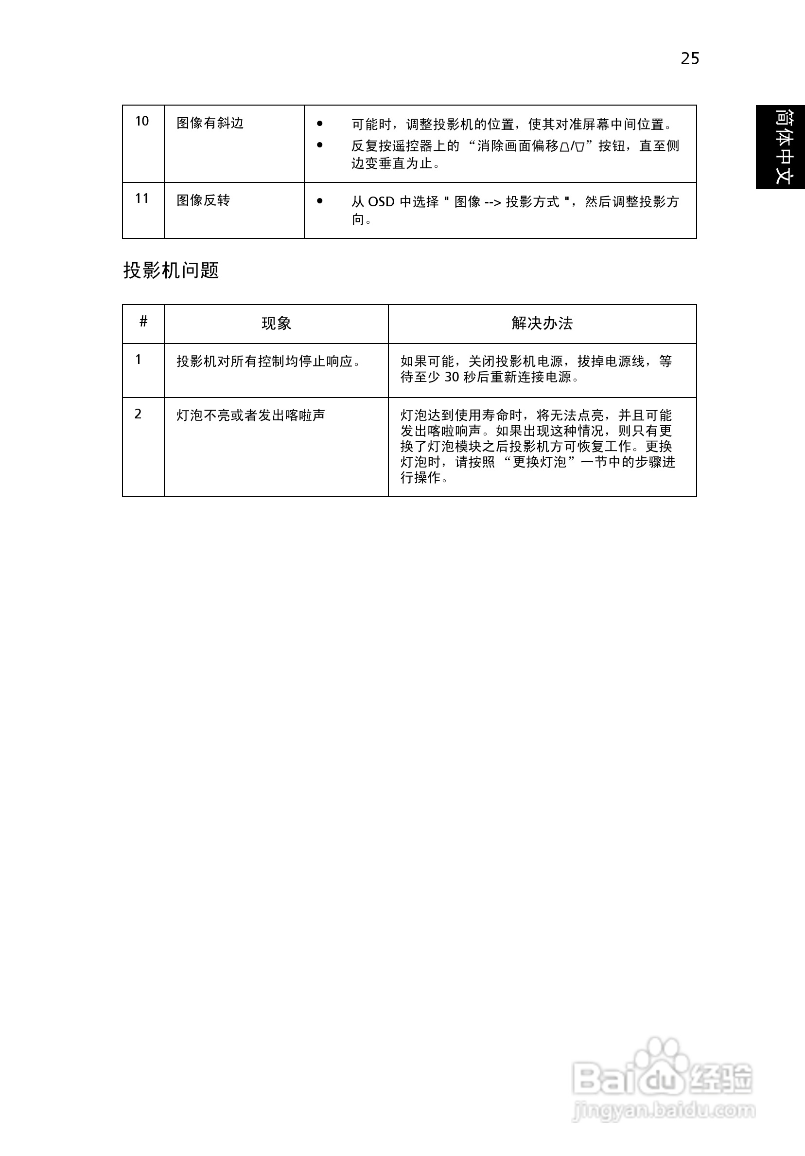
Acer投影机X1260 X1260K说明书:[4]
2026-04-17 03:45:28
本篇为《Acer投影机X1260 X1260K说明书》,主要介绍该产品的使用方法以及常见故障解决方案。
(共篇)
上一篇:
|
下一篇:
声明:
本网站引用、摘录或转载内容仅供网站访问者交流或参考,不代表本站立场,如存在版权或非法内容,请联系站长删除,联系邮箱:site.kefu@qq.com。
相关推荐
Acer投影机X1260 X1260K说明书:[1]
阅读量:165
Acer投影机X1260 X1260K说明书:[5]
阅读量:102
DELL Dell 1410X投影机说明书:[4]
阅读量:100
Acer投影机X1260 X1260K说明书:[2]
阅读量:190
Acer投影机X1260 X1260K说明书:[3]
阅读量:137
猜你喜欢
胃镜怎么做
砚怎么读
为什么家里不能养文竹
牙疼怎么办一招教你3秒治牙疼
芹菜叶子的做法大全
眼白发黄是怎么回事
铍怎么读
为什么睡觉流口水
电脑怎么恢复出厂设置
为什么会有黑眼圈
猜你喜欢
妲怎么读
四维彩超怎么看男女
竹石作者名字怎么读
红薯粉怎么做好吃
支付宝借呗怎么开通
韩语你好怎么说
平安福保险怎么样
汆丸子的家常做法
马为什么站着睡觉
鸡蛋不倒翁的做法