小度生活
首页
美食营养
手工爱好
生活家居
返回
小度生活
首页
美食营养
游戏数码
手工爱好
生活家居
健康养生
运动户外
职场理财
情感交际
母婴教育
时尚美容
知识问答
生活知识
搜索
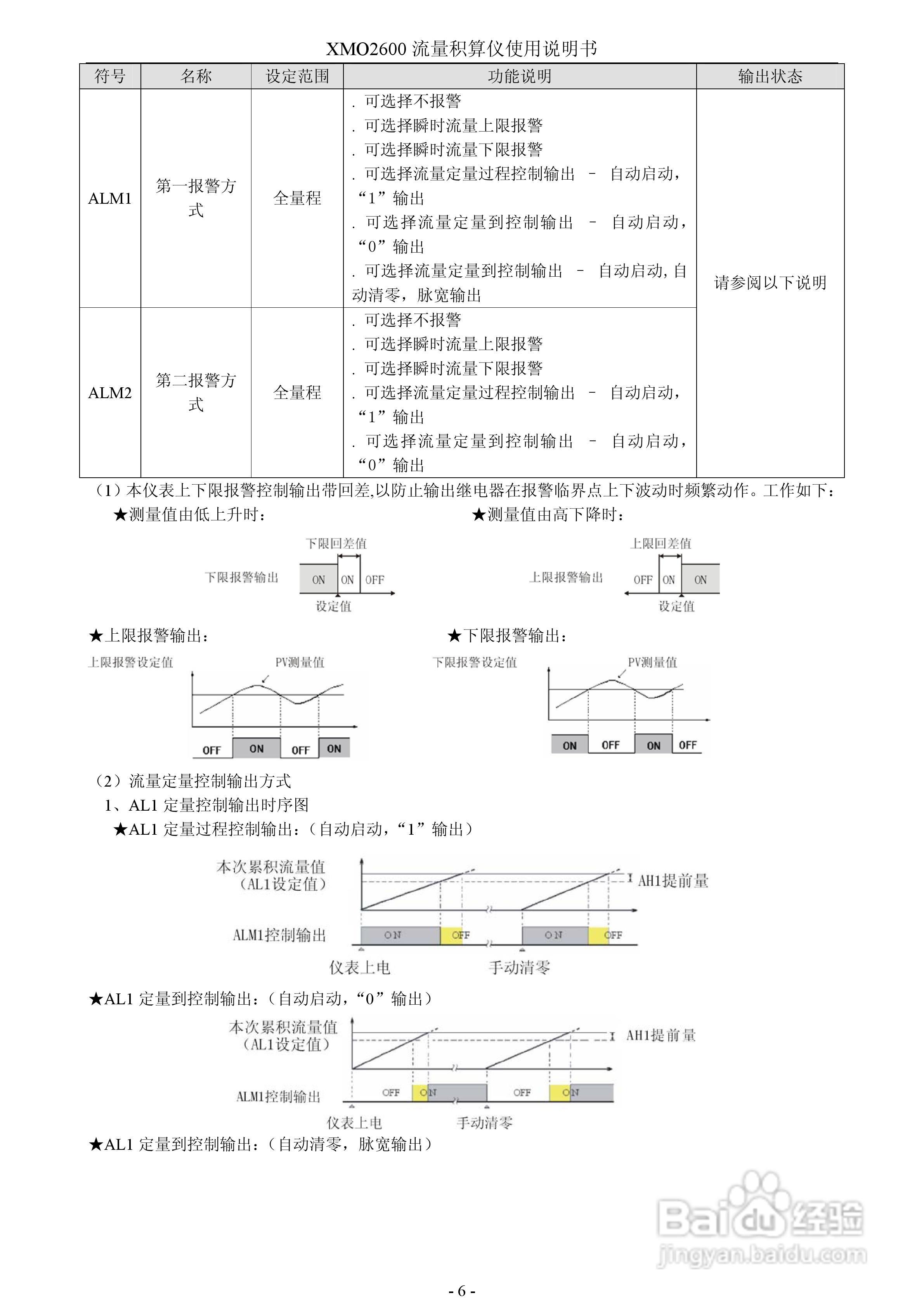
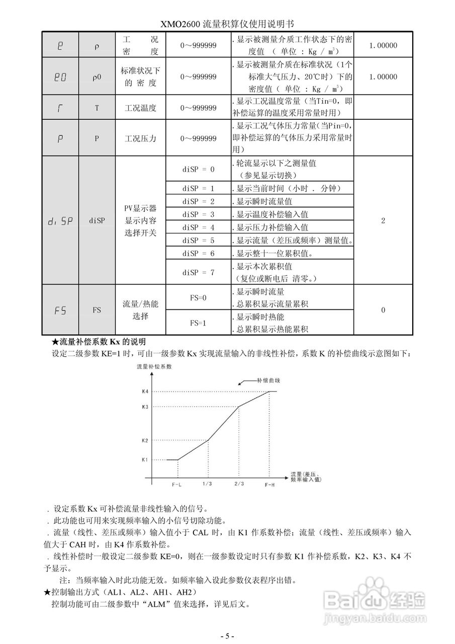
XMO2600流量积算仪使用说明书:[1]
2025-10-23 22:42:27
本篇为《XMO2600流量积算仪使用说明书》,主要介绍该产品的使用方法以及常见故障解决方案。
(共篇)
下一篇:
声明:
本网站引用、摘录或转载内容仅供网站访问者交流或参考,不代表本站立场,如存在版权或非法内容,请联系站长删除,联系邮箱:site.kefu@qq.com。
相关推荐
XMO2600流量积算仪使用说明书:[2]
阅读量:50
XMF2600流量积算仪使用说明书:[2]
阅读量:61
SFD流量积算仪说明书:[1]
阅读量:100
XSJZ流量积算仪使用说明书:[1]
阅读量:66
SFD流量积算仪说明书:[3]
阅读量:155
猜你喜欢
video是什么意思
queen是什么意思
牙齿痛是什么原因
were是什么意思
s30408是什么材质
打嗝是什么病
什么是学区房
独立法人是什么意思
贺军翔出了什么事
什么是集成吊顶
猜你喜欢
顾名思义是什么意思
什么是原位癌
指正是什么意思
anti是什么意思
养小鬼是什么意思
husband是什么意思
什么苗助长
菜板什么材质的好
鸭子是什么意思
什么电影