小度生活
首页
美食营养
手工爱好
生活家居
返回
小度生活
首页
美食营养
游戏数码
手工爱好
生活家居
健康养生
运动户外
职场理财
情感交际
母婴教育
时尚美容
知识问答
生活知识
搜索
brother T-8420C缝纫机说明书:[6]
2025-12-06 07:25:12
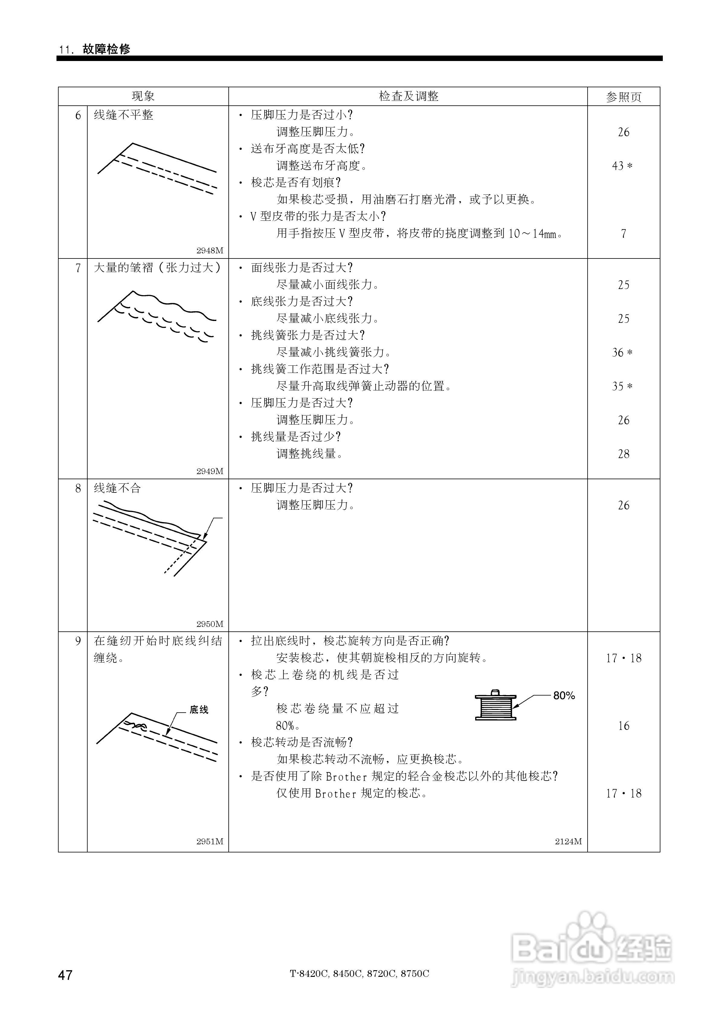
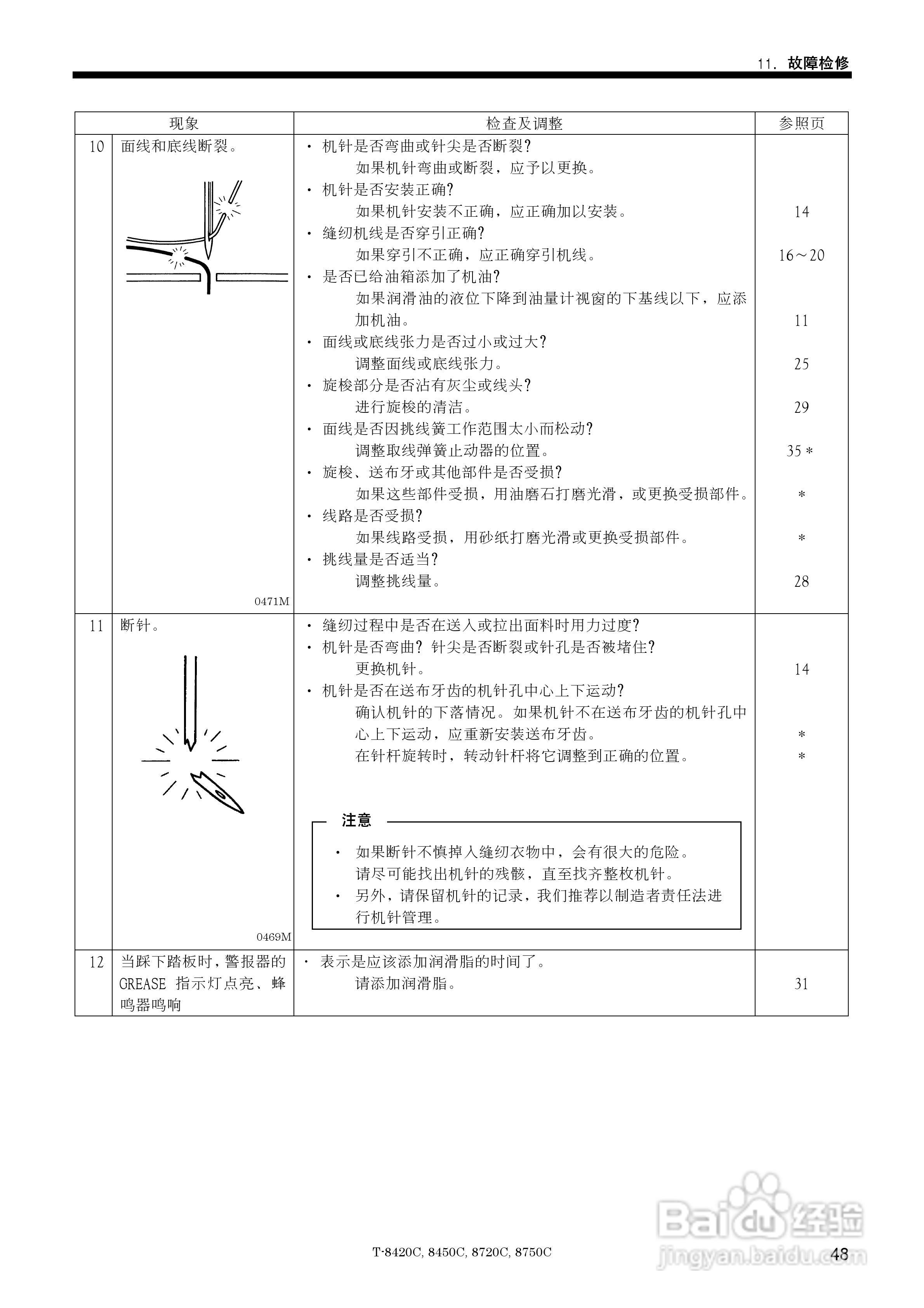
本篇为《brother T-8420C缝纫机说明书》,主要介绍该产品的使用方法以及常见故障解决方案。
(共篇)
上一篇:
声明:
本网站引用、摘录或转载内容仅供网站访问者交流或参考,不代表本站立场,如存在版权或非法内容,请联系站长删除,联系邮箱:site.kefu@qq.com。
相关推荐
brother T-8420C缝纫机说明书:[1]
阅读量:180
brother T-8450C缝纫机说明书:[6]
阅读量:177
brother T-8450C缝纫机说明书:[4]
阅读量:25
brother T-8421B缝纫机说明书:[4]
阅读量:166
缝纫机怎么使用
阅读量:150
猜你喜欢
左肋骨下方隐隐疼痛是什么原因
怎么钓鱼鱼容易上钩
家长如何教育孩子
向往的生活3
话费怎么冲qb
七月十五是什么节
word文档如何加密
假如生活欺骗了你教案
跳蚤怎么杀
排卵期有什么症状
猜你喜欢
近朱者赤近墨者黑是什么意思
顺丰快递单怎么填写
我的五年私奴生活
墙壁纸怎么贴
臀部大怎么办
xp系统怎么还原
如何看风水
用ps怎么拼图
如何看手相图解
etf基金是什么