小度生活
首页
美食营养
手工爱好
生活家居
返回
小度生活
首页
美食营养
游戏数码
手工爱好
生活家居
健康养生
运动户外
职场理财
情感交际
母婴教育
时尚美容
知识问答
生活知识
生活百科
搜索
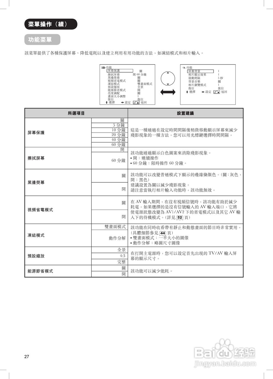
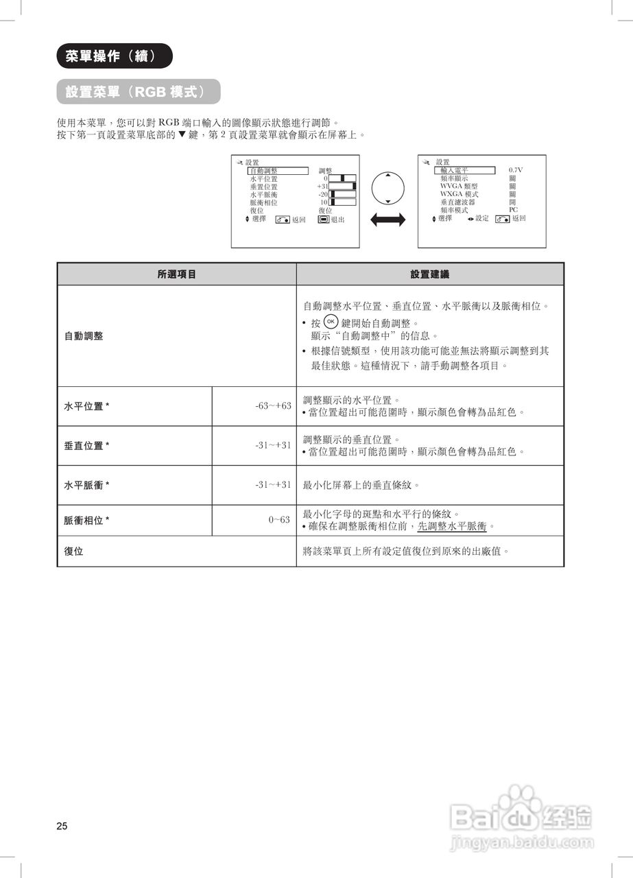
日立牌42PD8900TA型等离子电视机使用说明书:[3]
2026-04-11 22:46:19
(共篇)
上一篇:
|
下一篇:
声明:
本网站引用、摘录或转载内容仅供网站访问者交流或参考,不代表本站立场,如存在版权或非法内容,请联系站长删除,联系邮箱:site.kefu@qq.com。
相关推荐
日立牌42PD8900TA型等离子电视机使用说明书:[7]
阅读量:35
日立牌L32A01A型等离子电视机使用说明书:[3]
阅读量:127
日立牌L37A01A型等离子电视机使用说明书:[3]
阅读量:77
松下等离子电视机TH-42PA50C型说明书:[3]
阅读量:176
中晶MICROTEK型42寸等离子电视机使用说明书:[3]
阅读量:121
猜你喜欢
蹉跎是什么意思
价值规律的内容和作用
amp是什么意思
轰轰烈烈的意思
刷屏是什么意思
自怨自艾的意思
金葵花卡有什么好处
触目惊心的意思
出淤泥而不染的意思
附子理中丸的作用
猜你喜欢
梦见怀孕是什么意思
银耳有丰胸作用吗
梦见大鱼是什么意思
body是什么意思
心无旁骛的意思
精辟是什么意思
u盘什么牌子质量好
跌宕起伏的意思
什么时候断奶最好
拉拉是什么意思