小度生活
首页
美食营养
手工爱好
生活家居
返回
小度生活
首页
美食营养
游戏数码
手工爱好
生活家居
健康养生
运动户外
职场理财
情感交际
母婴教育
时尚美容
知识问答
生活知识
生活百科
搜索
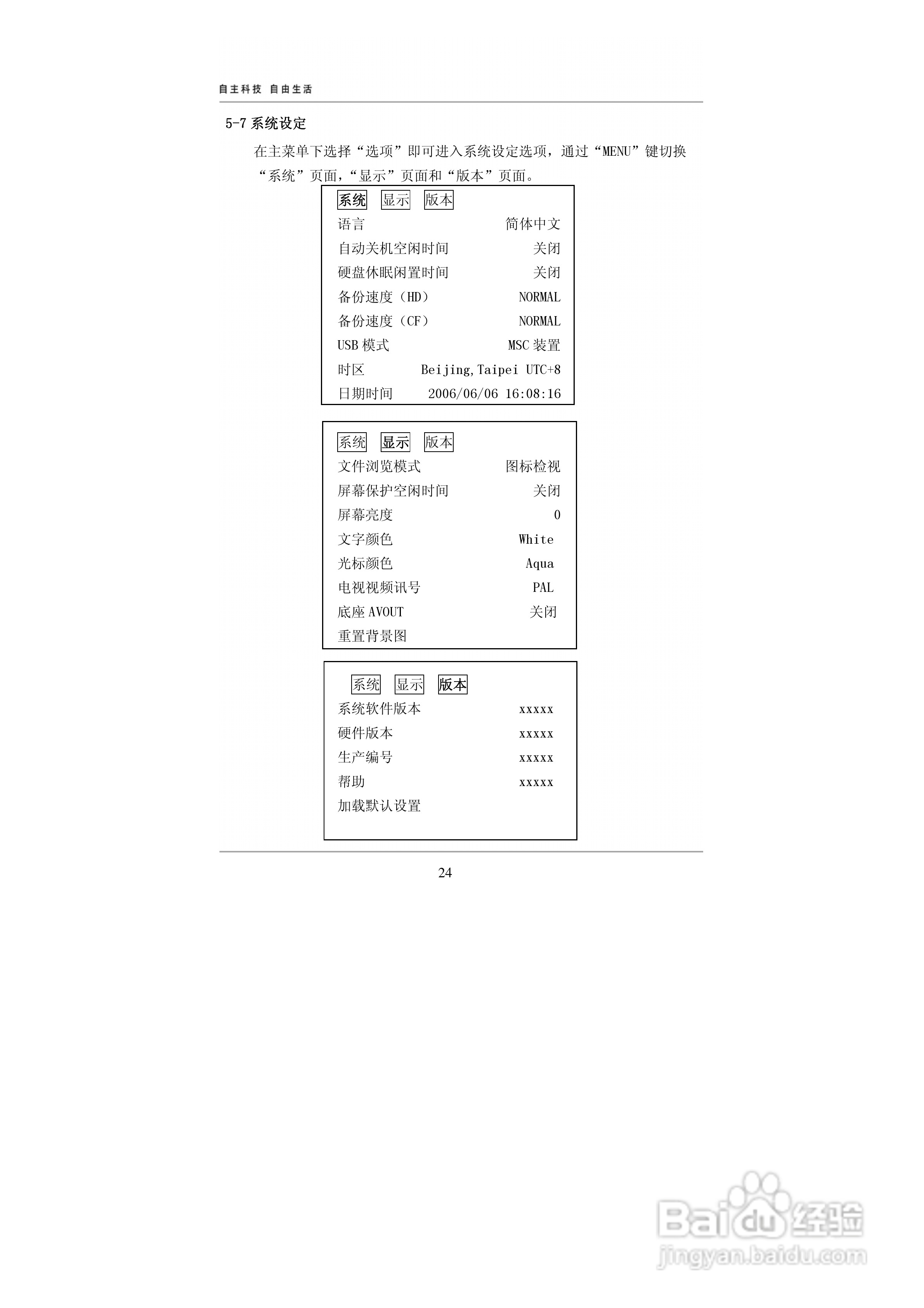
爱国者P706数码相机伴侣王说明书:[3]
2026-03-30 10:14:56
本篇为《爱国者P706数码相机伴侣王说明书》,主要介绍该产品的使用方法以及常见故障解决方案。
(共篇)
上一篇:
|
下一篇:
声明:
本网站引用、摘录或转载内容仅供网站访问者交流或参考,不代表本站立场,如存在版权或非法内容,请联系站长删除,联系邮箱:site.kefu@qq.com。
相关推荐
爱国者P706数码相机伴侣王说明书:[2]
阅读量:29
爱国者P613数码相机伴侣王说明书:[3]
阅读量:151
爱国者鼠标宏怎么设置
阅读量:166
爱国者手写板w987如何使用
阅读量:164
爱国者机械鼠标怎么用
阅读量:134
猜你喜欢
网游之悠闲生活
如何看财务报表
红眼病怎么预防
sc是什么意思
对待生活的态度
白银投资怎么样
icloud云备份怎么用
培训学校如何招生
211985大学是什么意思
网站后台怎么进
猜你喜欢
死党是什么意思
时光守护者声望怎么刷
调教女仆怎么玩
生活好累好压抑的句子
广汽传祺ga3怎么样
凯翼c3怎么样
如何赏析句子
x腿怎么矫正
诺亚信手机怎么样
西内是什么意思