小度生活
首页
美食营养
手工爱好
生活家居
返回
小度生活
首页
美食营养
游戏数码
手工爱好
生活家居
健康养生
运动户外
职场理财
情感交际
母婴教育
时尚美容
知识问答
生活知识
搜索
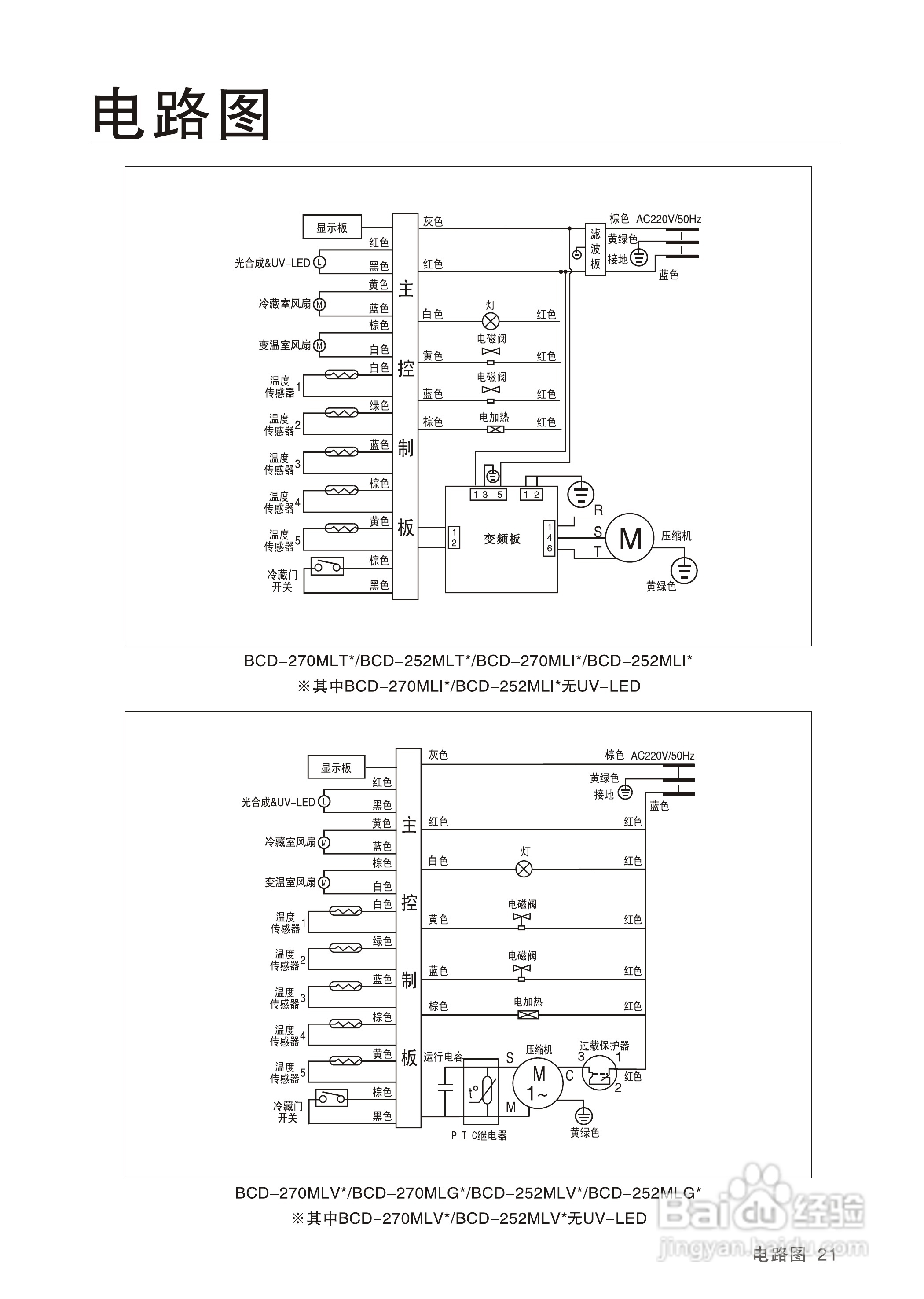
三星BCD-252MLGF电冰箱使用说明书:[3]
2026-02-16 17:42:44
(共篇)
上一篇:
声明:
本网站引用、摘录或转载内容仅供网站访问者交流或参考,不代表本站立场,如存在版权或非法内容,请联系站长删除,联系邮箱:site.kefu@qq.com。
相关推荐
三星s8 打开usb调试教程
阅读量:123
三星BCD-252MLVS电冰箱使用说明书:[3]
阅读量:96
三星BCD-252MLI电冰箱使用说明书:[3]
阅读量:94
三星BCD-252MLV电冰箱使用说明书:[3]
阅读量:133
三星BCD-252MLG电冰箱使用说明书:[2]
阅读量:131
猜你喜欢
ps怎么做阴影
花生酱怎么吃
鼻塞怎么办速效办法
怎么看k线图
提前还房贷利息怎么算
赵子龙怎么死的
氢气球怎么充气
脚崴了肿了怎么办
梦见蛇是怎么回事
吹泡泡的水怎么配
猜你喜欢
淘宝打不开怎么回事
脖子疼是怎么回事
咬肌大怎么办
怎么查看qq特别关心我的人
山魈怎么读
安徽工程大学怎么样
西北农林科技大学怎么样
开水烫伤怎么处理
孩子流鼻血是怎么回事
嘴里面苦是怎么回事