小度生活
首页
美食营养
手工爱好
生活家居
返回
小度生活
首页
美食营养
游戏数码
手工爱好
生活家居
健康养生
运动户外
职场理财
情感交际
母婴教育
时尚美容
知识问答
生活知识
生活百科
搜索
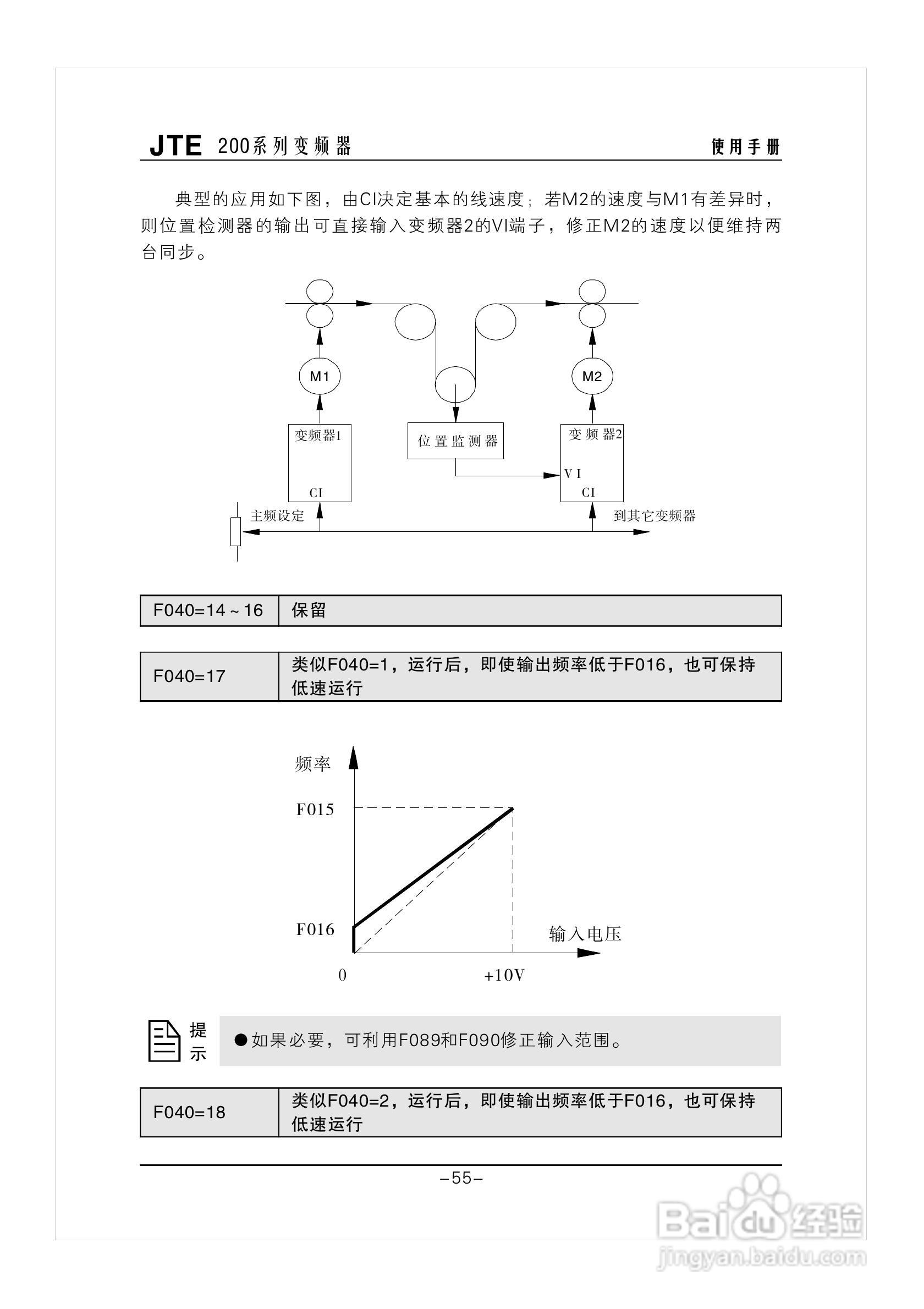
金田JTE200变频器说明书:[6]
2026-05-18 10:09:55
本篇为《金田JTE200变频器说明书》,主要介绍该产品的使用方法以及常见故障解决方案。
(共篇)
上一篇:
|
下一篇:
声明:
本网站引用、摘录或转载内容仅供网站访问者交流或参考,不代表本站立场,如存在版权或非法内容,请联系站长删除,联系邮箱:site.kefu@qq.com。
相关推荐
KDC-X8529 KDC-MP8029 CD接收机使用说明书:[2]
阅读量:170
夏普VL-NZ150U数码摄像机使用说明书:[2]
阅读量:66
华为C8815第三方Recovery刷入教程
阅读量:161
PHILIPS FW-D59组合音响使用说明书:[3]
阅读量:174
斐雪派克DD60STI7洗碗机说明书:[3]
阅读量:48
猜你喜欢
怎么发微博
巴基斯坦为什么和中国这么好
凫怎么读
黄花鱼怎么做
简历怎么写
扣肉的做法大全
水饺皮的做法
行李箱密码锁打不开怎么办
oppo手机忘记锁屏密码怎么办
肉皮冻的家常做法
猜你喜欢
佰草集的护肤品怎么样
舌头上有白色的舌苔是怎么回事
毛孔粗大怎么修复
日立怎么读
season怎么读
手机为什么开不了机
方便面怎么做好吃
户籍所在地怎么填写
iphone怎么滚动截长图
蛇汤的做法