小度生活
首页
美食营养
手工爱好
生活家居
返回
小度生活
首页
美食营养
游戏数码
手工爱好
生活家居
健康养生
运动户外
职场理财
情感交际
母婴教育
时尚美容
知识问答
生活知识
生活百科
搜索
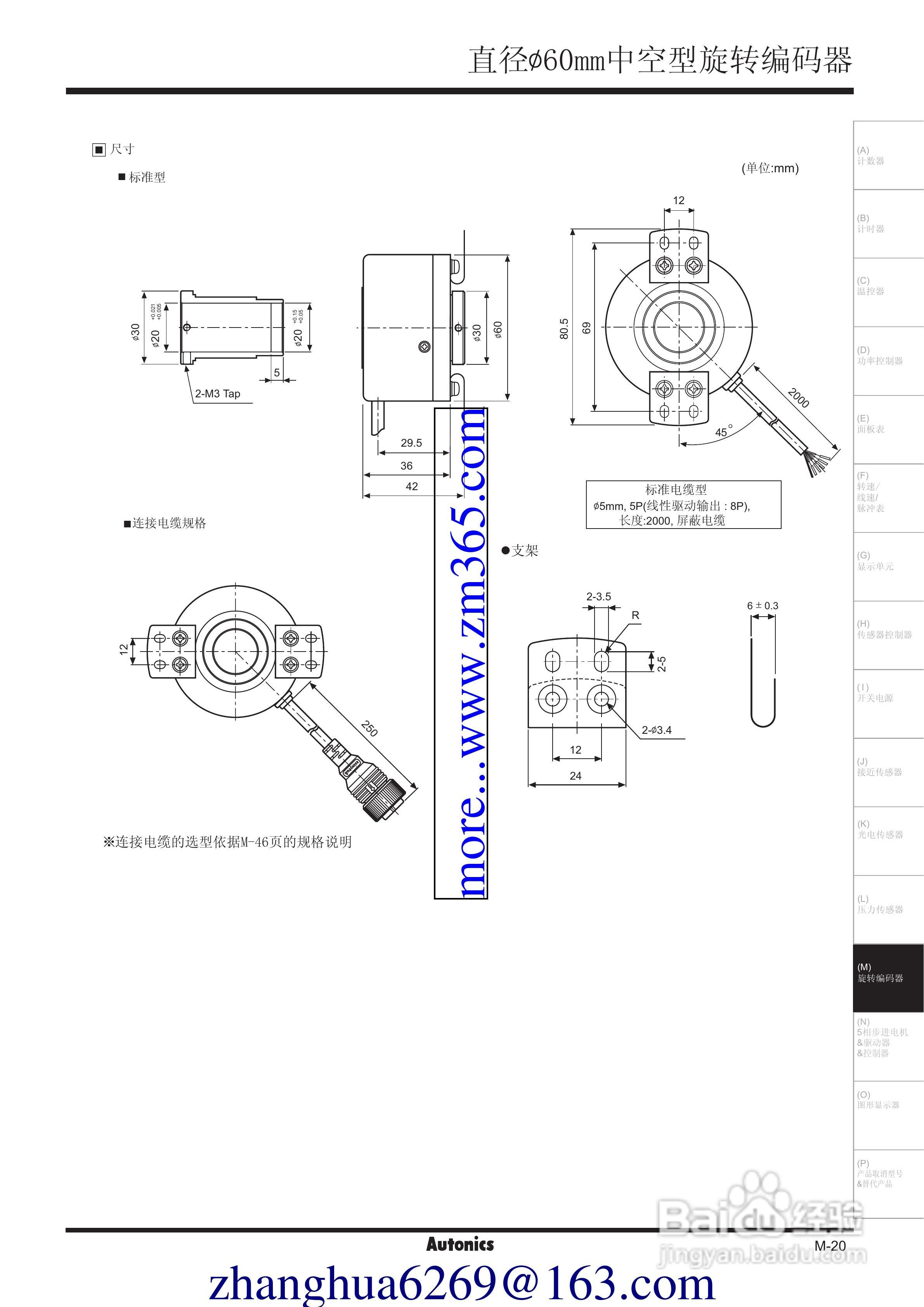
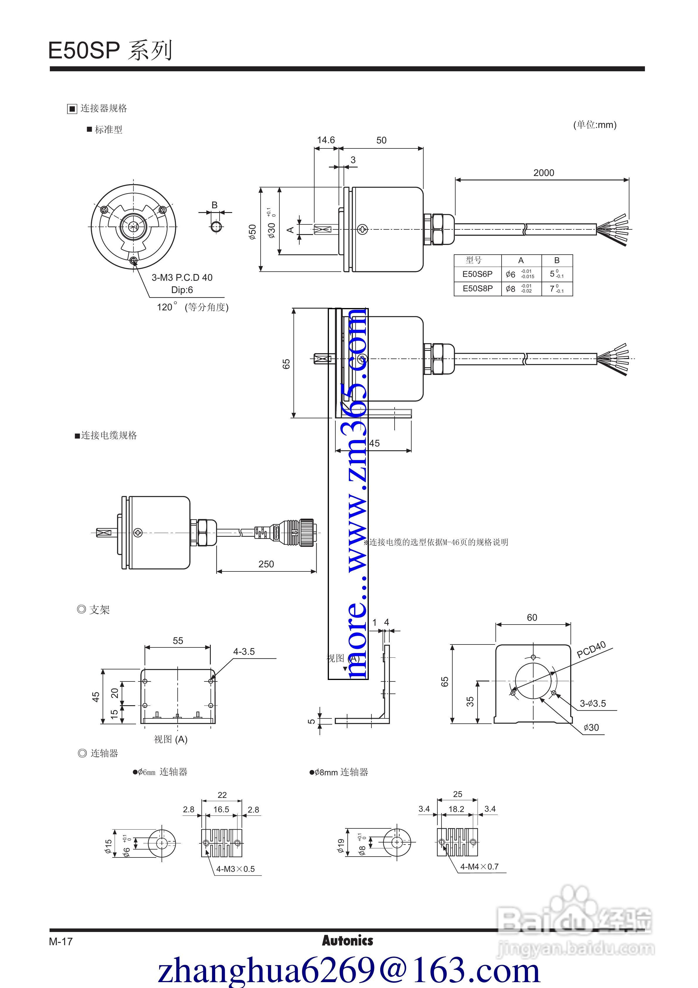
Autonics旋转编码器使用说明书:[2]
2026-03-27 21:16:13
本篇为《Autonics旋转编码器使用说明书》,主要介绍该产品的使用方法以及常见故障解决方案。
(共篇)
上一篇:
|
下一篇:
声明:
本网站引用、摘录或转载内容仅供网站访问者交流或参考,不代表本站立场,如存在版权或非法内容,请联系站长删除,联系邮箱:site.kefu@qq.com。
相关推荐
美味的五香油饼
阅读量:66
锅巴的做法是什么?它又有什么营养价值?
阅读量:114
QQ炫舞姐妹装搭配
阅读量:106
麻辣水煮魔芋做法
阅读量:47
如何做红烧排骨炖鹌鹑蛋
阅读量:95
猜你喜欢
孔子简介
孕妇食谱大全
舒蕾洗发水怎么样
白雪公主图片大全
小黄花鱼怎么做好吃
胳膊肌肉酸痛怎么办
泰剧国语版电视剧大全
搞笑音乐大全笑死人
周一围个人资料简介
吉尼斯世界纪录大全
猜你喜欢
字符大全
正方形折纸大全
头很痛怎么办
全棉时代怎么样
动物谜语大全及答案
卡其色风衣怎么搭配
快板台词大全
芥菜丝的腌制方法大全
对打游戏大全
aabb式的词语大全