小度生活
首页
美食营养
手工爱好
生活家居
返回
小度生活
首页
美食营养
游戏数码
手工爱好
生活家居
健康养生
运动户外
职场理财
情感交际
母婴教育
时尚美容
知识问答
生活知识
生活百科
搜索
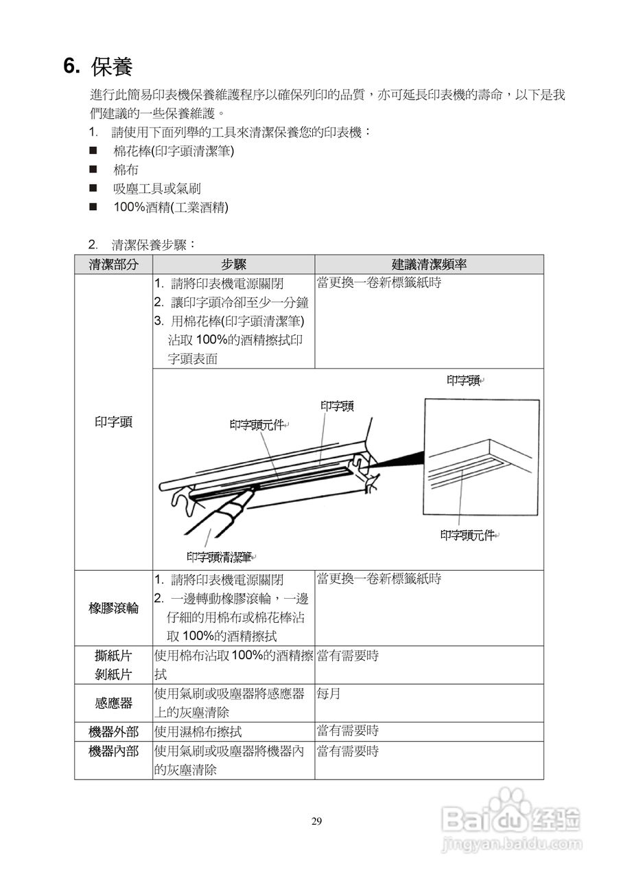
TSC TTP-245C系列条码打印机使用说明:[4]
2026-03-28 09:06:18
本篇为《TSC TTP-245C系列条码打印机使用说明》,主要介绍该产品的使用方法以及常见故障解决方案。
(共篇)
上一篇:
声明:
本网站引用、摘录或转载内容仅供网站访问者交流或参考,不代表本站立场,如存在版权或非法内容,请联系站长删除,联系邮箱:site.kefu@qq.com。
相关推荐
TSC TTP-245C系列条码打印机使用说明:[2]
阅读量:73
TSC TTP-245Plus系列条码打印机使用说明:[4]
阅读量:193
TSC TTP-245Plus系列条码打印机使用说明:[2]
阅读量:60
TSC TTP-244ME Plus系列条码打印机使用说明:[4]
阅读量:46
TSC TTP-244ME Plus系列条码打印机使用说明:[2]
阅读量:93
猜你喜欢
王者荣耀周年庆是什么时候
龙抬头是什么意思
不卑不亢什么意思
秋季运动会广播稿
莫名其妙的意思是什么
赏心悦目的意思是什么
3g是什么意思
海柳是什么
运动员进行曲
阿里嘎多什么意思
猜你喜欢
pasta是什么意思
党组织讨论决定问题必须执行什么原则
whether是什么意思
北瓜是什么
金生什么
股票中签是什么意思
icu病房是什么意思
蝴蝶兰的养殖方法和注意事项
康乃馨代表什么
头皮屑多用什么洗发水