小度生活
首页
美食营养
手工爱好
生活家居
返回
小度生活
首页
美食营养
游戏数码
手工爱好
生活家居
健康养生
运动户外
职场理财
情感交际
母婴教育
时尚美容
知识问答
生活知识
生活百科
搜索
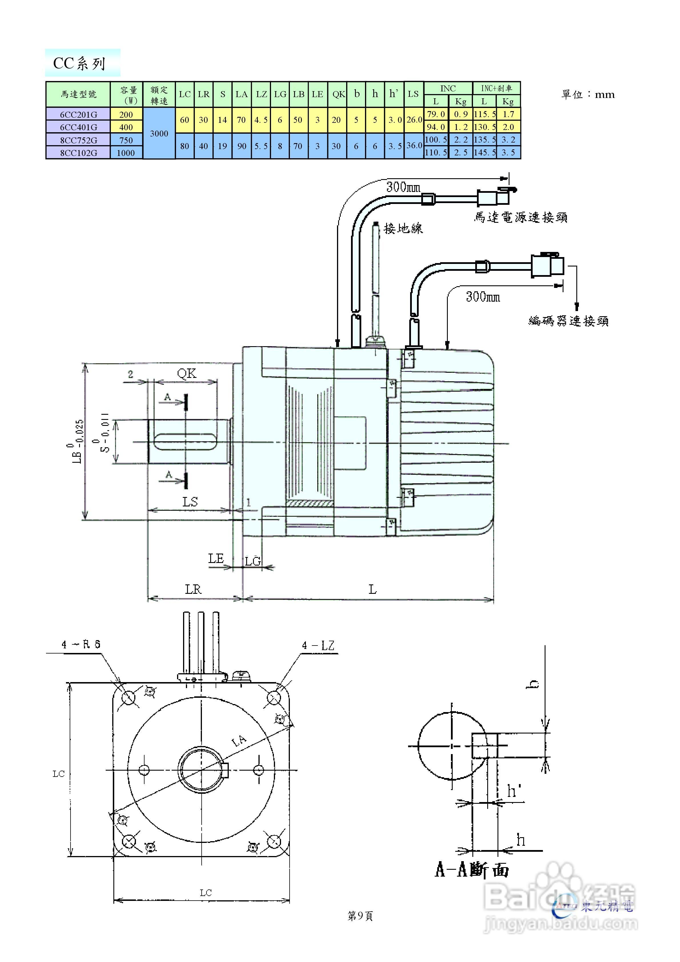
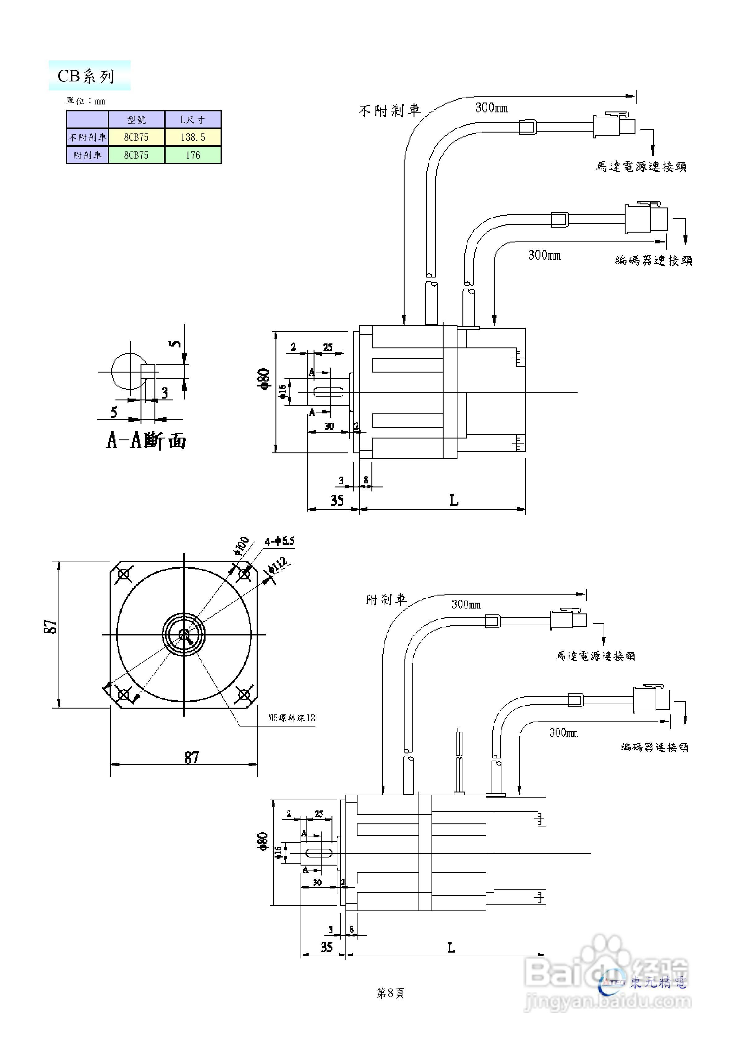
东元伺服驱动器ESDA操作手册:[2]
2026-05-03 12:31:35
本篇为《东元伺服驱动器ESDA操作手册》,主要介绍该产品的使用方法以及常见故障解决方案。
(共篇)
上一篇:
|
下一篇:
声明:
本网站引用、摘录或转载内容仅供网站访问者交流或参考,不代表本站立场,如存在版权或非法内容,请联系站长删除,联系邮箱:site.kefu@qq.com。
相关推荐
东元伺服驱动器TSTE操作手册:[2]
阅读量:194
东元伺服驱动器TSTE操作手册:[3]
阅读量:37
东元伺服驱动器TSTE操作手册:[1]
阅读量:123
东元伺服驱动器TSTA操作手册:[6]
阅读量:32
瑞诺通用型交流伺服驱动器CD1-A系列操作手册:[2]
阅读量:121
猜你喜欢
ald是什么病
together什么意思
5月2日是什么星座
smile是什么意思
econ是什么意思
灏怎么读音是什么
灵隐寺求什么最灵
猫粮什么牌子好
爱人若爱其身什么意思
黄经是什么意思
猜你喜欢
彩金是什么
脚宽的人适合穿什么鞋
李白被人们称为什么
12月13日是什么纪念日
now什么意思
移动侦测是什么意思
知无不言是什么意思
什么是律诗
read什么意思
puppet是什么意思