小度生活
首页
美食营养
手工爱好
生活家居
返回
小度生活
首页
美食营养
游戏数码
手工爱好
生活家居
健康养生
运动户外
职场理财
情感交际
母婴教育
时尚美容
知识问答
生活知识
搜索
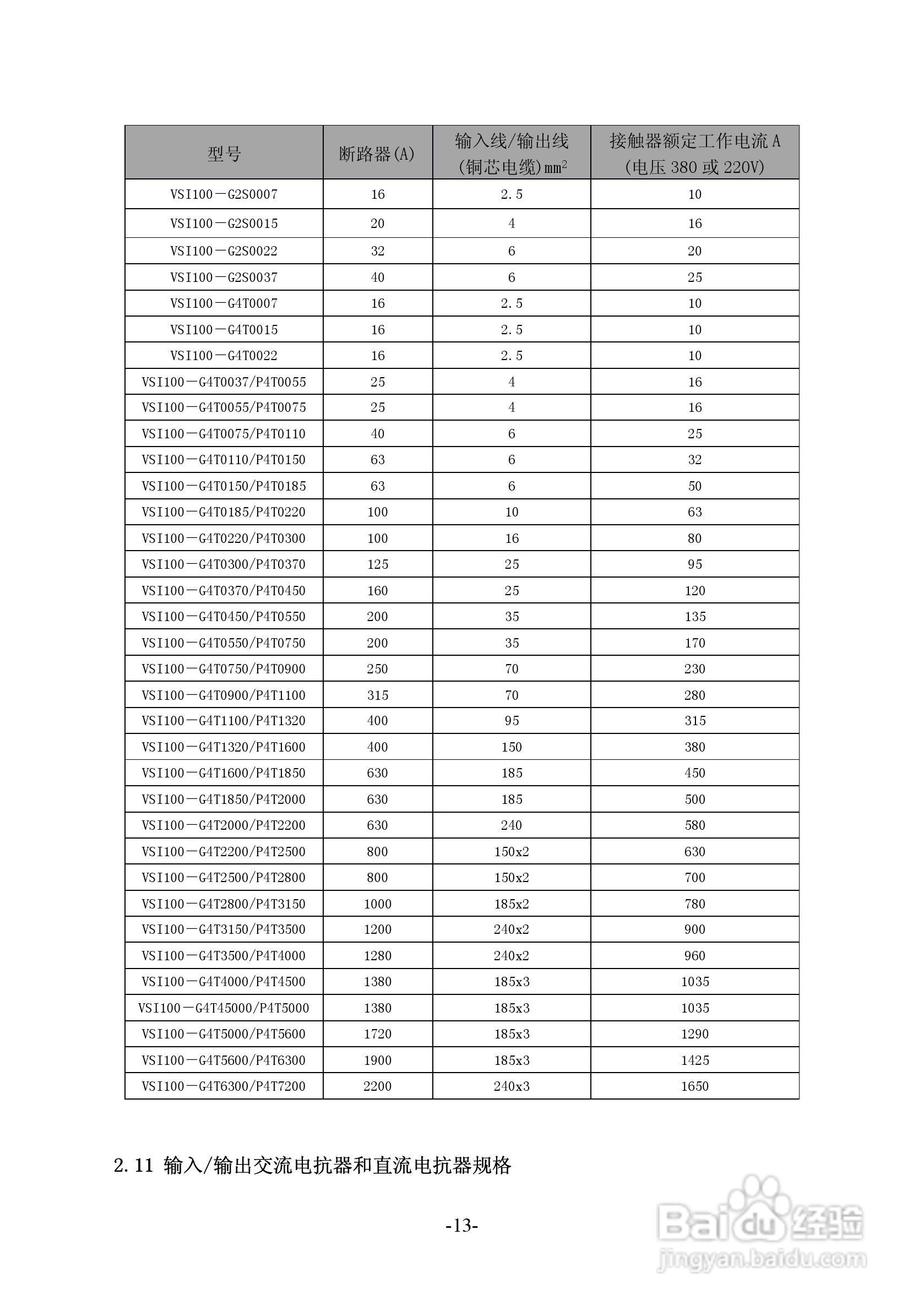
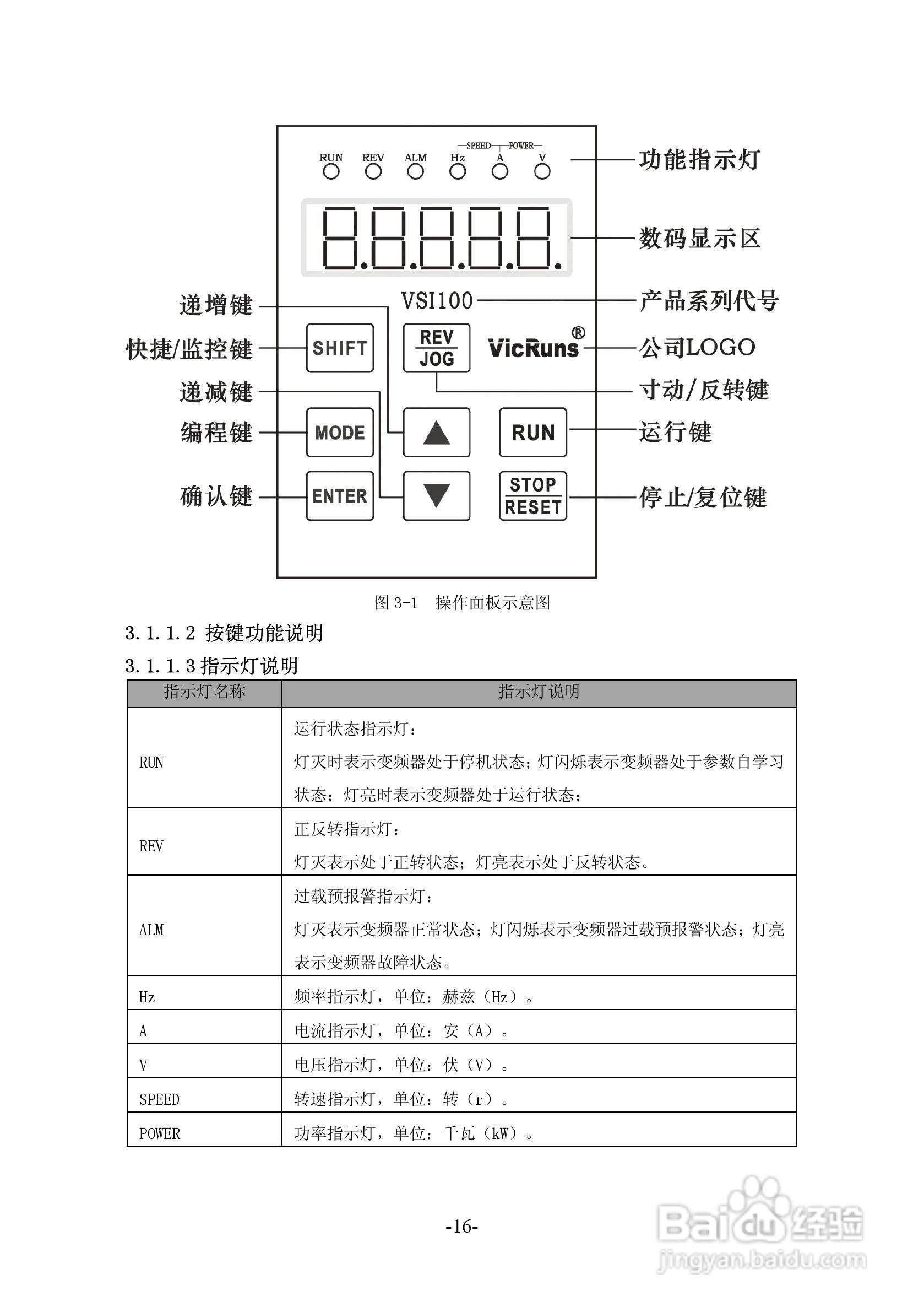
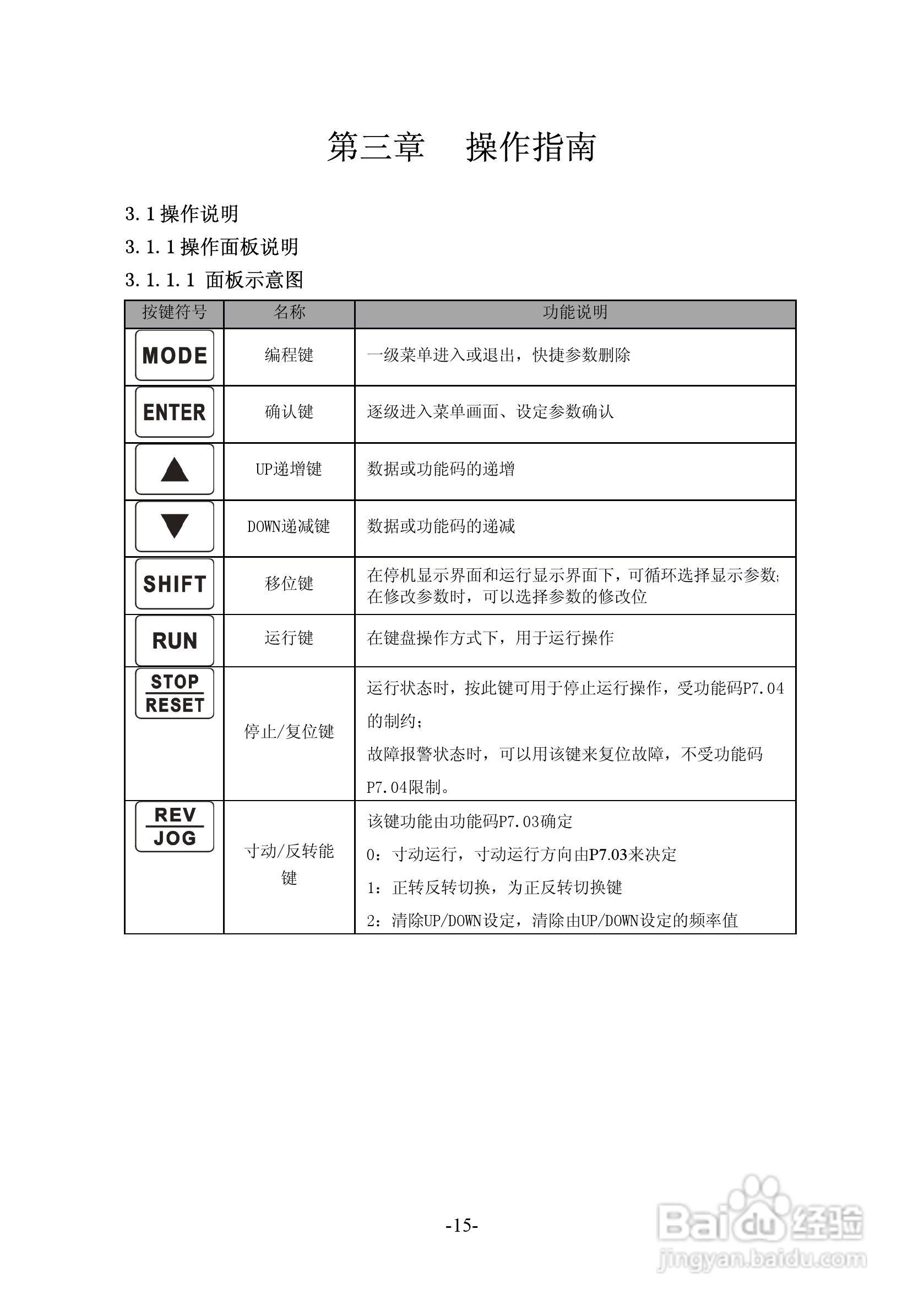
沃森VSI100-G4T6300变频器使用说明书:[2]
2026-02-27 14:52:44
本篇为《沃森VSI100-G4T6300变频器使用说明书》,主要介绍该产品的使用方法以及常见故障解决方案。
(共篇)
上一篇:
|
下一篇:
声明:
本网站引用、摘录或转载内容仅供网站访问者交流或参考,不代表本站立场,如存在版权或非法内容,请联系站长删除,联系邮箱:site.kefu@qq.com。
相关推荐
沃森VSI100-G2S0004变频器使用说明书:[6]
阅读量:50
沃森VSI100-G2S0004变频器使用说明书:[5]
阅读量:176
森岛SD680-4T6300高性能通用变频器使用说明书:[2]
阅读量:50
沃森VD100-4T-3.7GB变频器使用说明书:[2]
阅读量:110
步科SV100-4T-0900G变频器使用说明书:[2]
阅读量:169
猜你喜欢
芃是什么意思
家是什么排比句
收讫是什么意思
vol是什么意思
咿呀咿呀哟是什么歌
6月28日是什么星座
fun什么意思
芊芊是什么意思
石灰岩属于什么岩
国际经济与贸易专业学什么
猜你喜欢
湄公鱼是什么鱼
august是什么意思
taste是什么意思
陶罐和铁罐告诉我们什么道理
有什么好看的动漫
qc是什么职位
一地鸡毛是什么意思
车损险是什么意思
电脑自动重启是什么原因
scr是什么意思