小度生活
首页
美食营养
手工爱好
生活家居
返回
小度生活
首页
美食营养
游戏数码
手工爱好
生活家居
健康养生
运动户外
职场理财
情感交际
母婴教育
时尚美容
知识问答
生活知识
生活百科
搜索
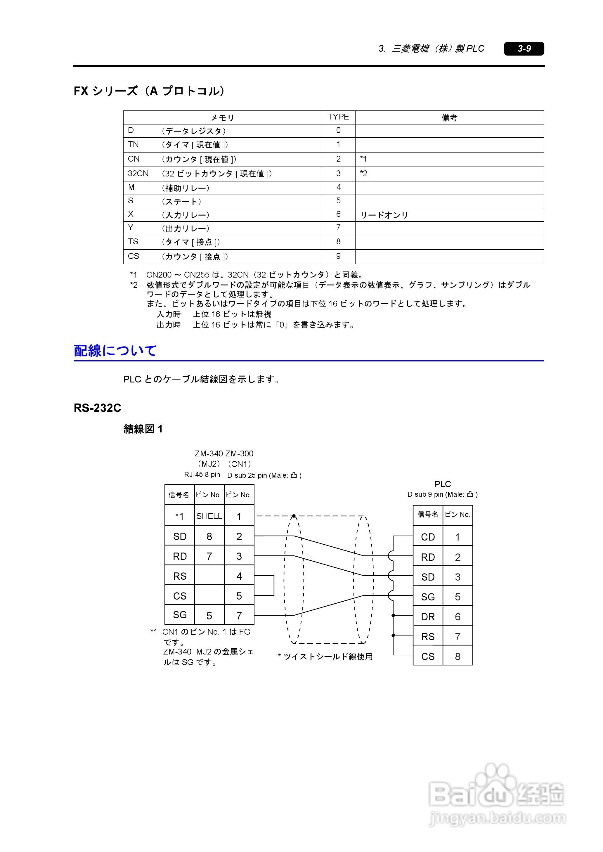
SHARP ZM-340/380超间波振动机说明书:[5]
2026-04-19 02:16:18
本篇为《SHARP ZM-340/380超间波振动机说明书》,主要介绍该产品的使用方法以及常见故障解决方案。
(共篇)
上一篇:
|
下一篇:
声明:
本网站引用、摘录或转载内容仅供网站访问者交流或参考,不代表本站立场,如存在版权或非法内容,请联系站长删除,联系邮箱:site.kefu@qq.com。
相关推荐
SHARP ZM-340/380超间波振动机说明书:[4]
阅读量:177
SHARP ZM-340/380超间波振动机说明书:[1]
阅读量:64
Ultra Sharp游戏攻略
阅读量:68
SharpDevelop如何设置语言
阅读量:155
Sharp SH9010C 手机 说明书:[12]
阅读量:36
猜你喜欢
金融专业主要学什么
sounds是什么意思
粉色玫瑰花代表什么意思
ip是什么意思
夏天喝什么茶好
现在是什么季节
什么是人格
破窗效应是什么意思
我收获了什么作文
白兰地是什么酒
猜你喜欢
皮肤黑的人适合穿什么颜色的衣服
333是什么意思
变更法人代表需要什么手续
甘油三酯是什么意思
化疗是什么
办理护照需要什么材料
w是什么意思
gnp是什么意思
花木兰是什么朝代
11月3日是什么星座