小度生活
首页
美食营养
手工爱好
生活家居
返回
小度生活
首页
美食营养
游戏数码
手工爱好
生活家居
健康养生
运动户外
职场理财
情感交际
母婴教育
时尚美容
知识问答
生活知识
生活百科
搜索
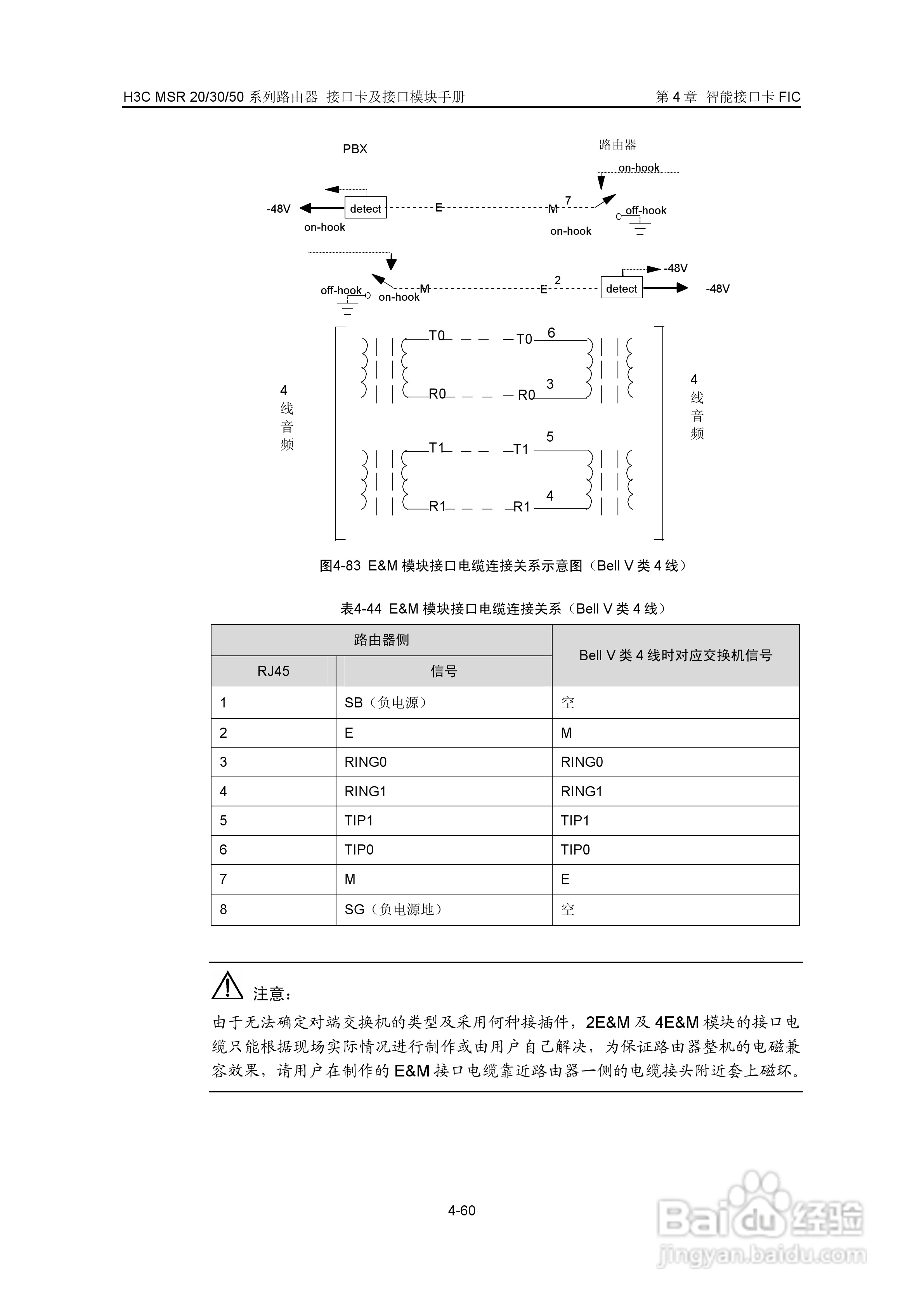
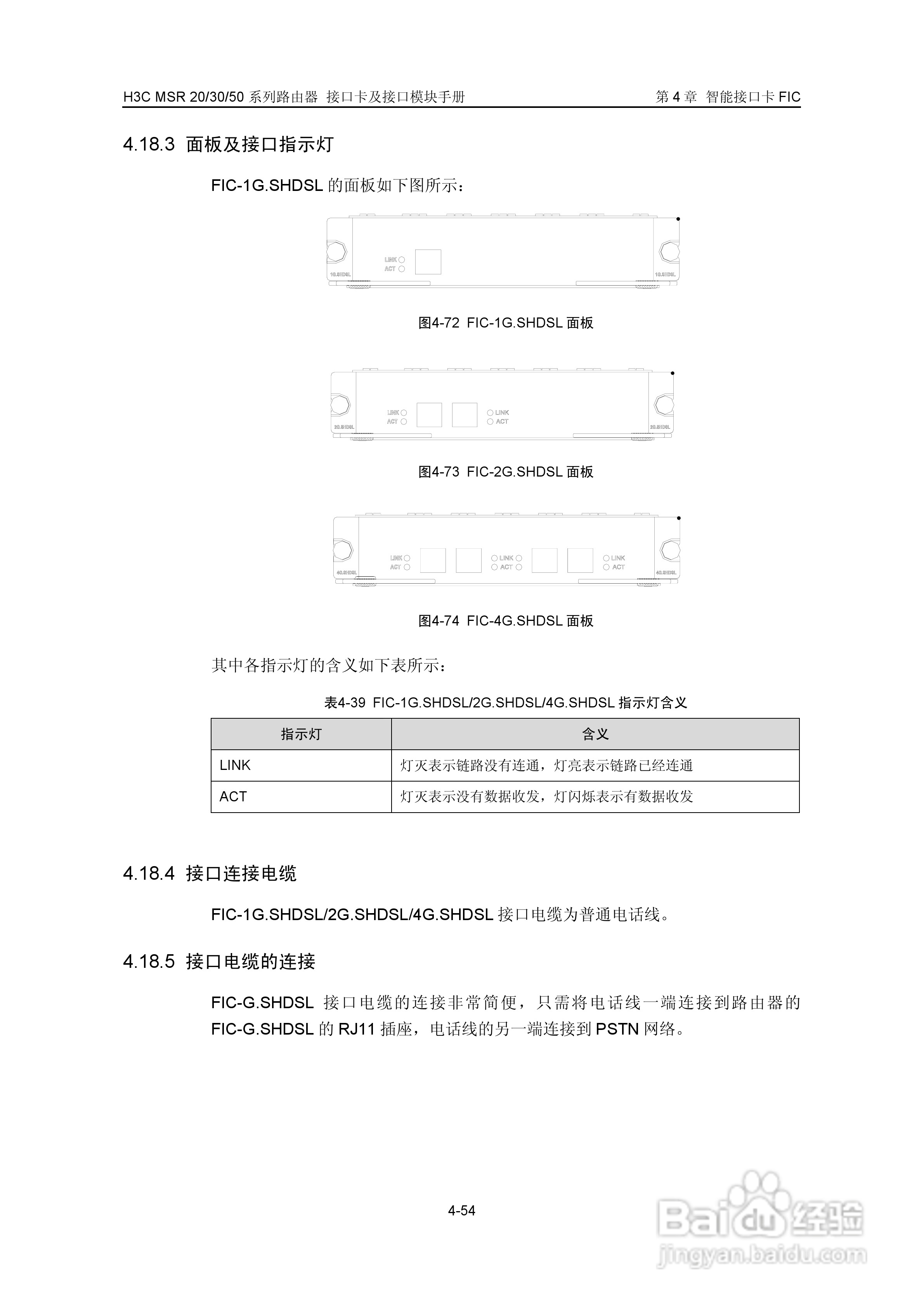
华三交换机MSR30形说明书:[21]
2026-04-01 06:34:54
本篇为《华三交换机MSR30形说明书》,主要介绍该产品的使用方法以及常见故障解决方案。
(共篇)
上一篇:
|
下一篇:
声明:
本网站引用、摘录或转载内容仅供网站访问者交流或参考,不代表本站立场,如存在版权或非法内容,请联系站长删除,联系邮箱:site.kefu@qq.com。
相关推荐
华三交换机MSR30形说明书:[20]
阅读量:144
华三交换机MSR30形说明书:[23]
阅读量:20
交换机怎么使用
阅读量:155
交换机配置命令
阅读量:148
交换机的基本配置与管理
阅读量:96
猜你喜欢
乌鲁木齐旅游
中外合作办学怎么样
旅游宣传语
当然英文怎么说
垂緌饮清露怎么读
微信怎么玩
孕妇可以吃空心菜吗
拆线后几天可以沾水
win7怎么安装
怎样可以变白
猜你喜欢
重庆旅游景点
怎么拍照好看又上镜
粤菜的特点
隶书特点
淄博旅游
在家可以做什么赚钱
重庆旅游景点大全
琅琊台风景区
珠海旅游
洛阳市旅游景点