小度生活
首页
美食营养
手工爱好
生活家居
返回
小度生活
首页
美食营养
游戏数码
手工爱好
生活家居
健康养生
运动户外
职场理财
情感交际
母婴教育
时尚美容
知识问答
生活知识
生活百科
搜索
欧瑞ZS1500-0110T3C变频器使用说明书:[2]
2026-03-28 17:48:23
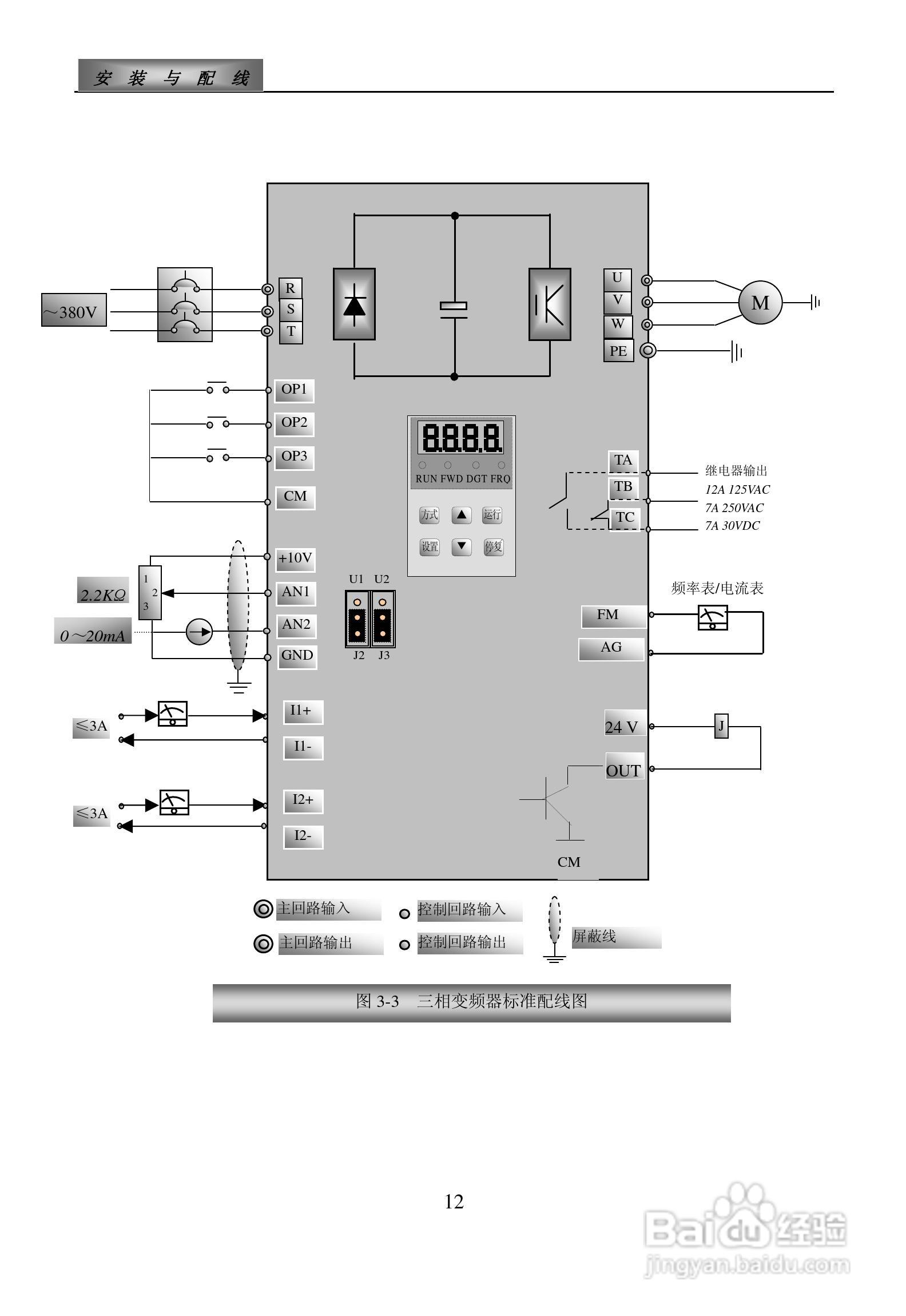
本篇为《欧瑞ZS1500-0110T3C变频器使用说明书》,主要介绍该产品的使用方法以及常见故障解决方案。
(共篇)
上一篇:
|
下一篇:
声明:
本网站引用、摘录或转载内容仅供网站访问者交流或参考,不代表本站立场,如存在版权或非法内容,请联系站长删除,联系邮箱:site.kefu@qq.com。
相关推荐
欧瑞ZS1500-0110T3C变频器使用说明书:[4]
阅读量:43
欧瑞F2000-M0300T3C变频器使用说明书:[2]
阅读量:181
欧瑞F2000-M0300T3C变频器使用说明书:[5]
阅读量:94
欧瑞F2000-M0300T3C变频器使用说明书:[1]
阅读量:86
欧瑞F2000-M0300T3C变频器使用说明书:[3]
阅读量:95
猜你喜欢
琥珀和蜜蜡有什么区别
路肩是什么意思
什么是淘宝直通车
创举是什么意思
bba是什么意思
羊肉和什么相克
萌萌什么意思
无所事事的意思
真的什么假的
cos是什么意思
猜你喜欢
什么风凛冽
休克是什么意思
汽车改色需要什么手续
什么什么真好作文
四两拨千斤是什么意思
野天麻的功效与作用
baby是什么意思英文
恍惚的意思
生普洱茶的功效与作用
现在流行什么