小度生活
首页
美食营养
手工爱好
生活家居
返回
小度生活
首页
美食营养
游戏数码
手工爱好
生活家居
健康养生
运动户外
职场理财
情感交际
母婴教育
时尚美容
知识问答
生活知识
生活百科
搜索
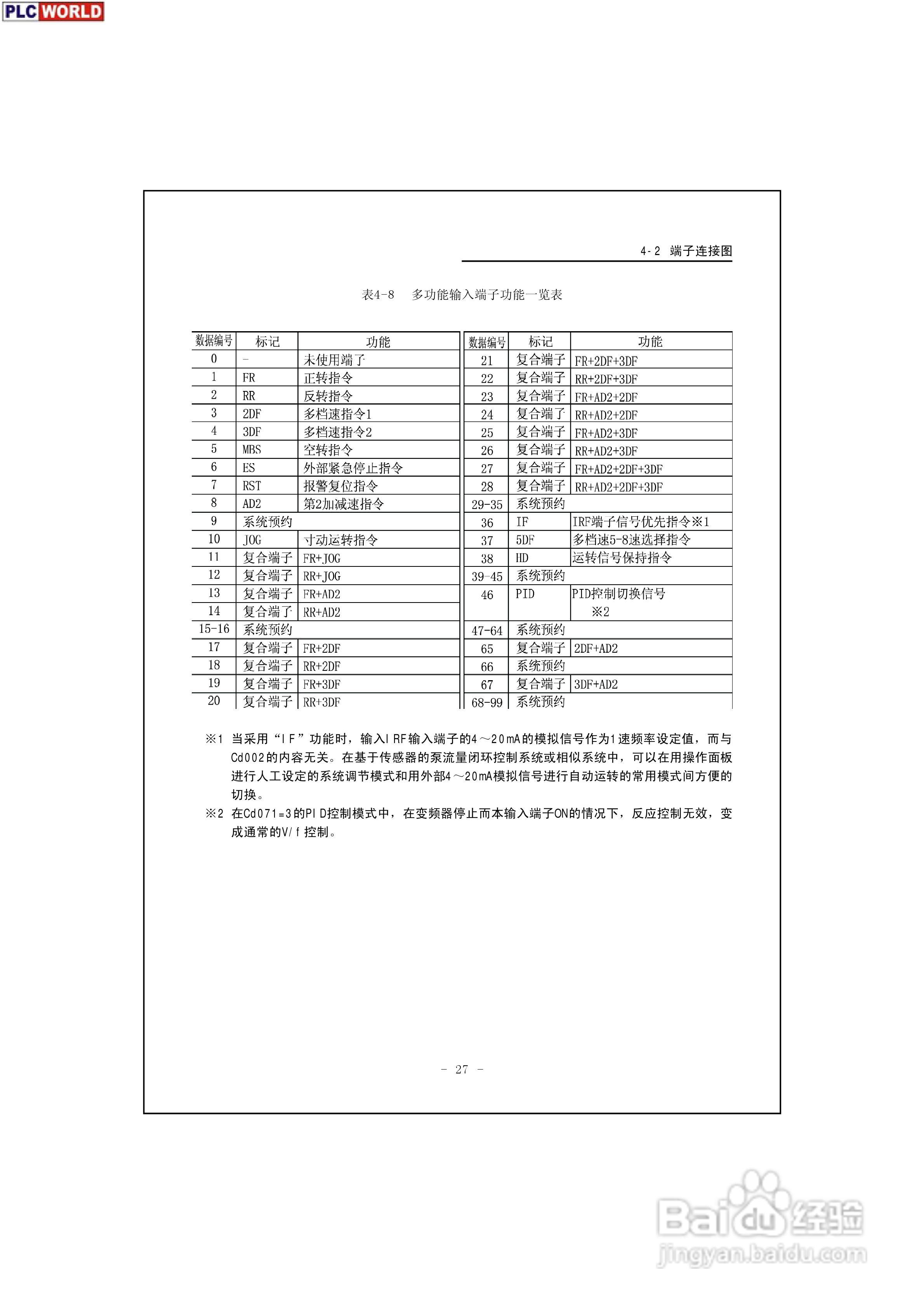
三垦力达电气200V-400V系列高性能迷你型变频器说明书:[3]
2026-03-27 03:20:13
本篇为《三垦力达电气200V-400V系列高性能迷你型变频器说明书》,主要介绍该产品的使用方法以及常见故障解决方案。
(共篇)
上一篇:
|
下一篇:
声明:
本网站引用、摘录或转载内容仅供网站访问者交流或参考,不代表本站立场,如存在版权或非法内容,请联系站长删除,联系邮箱:site.kefu@qq.com。
相关推荐
SanKen 高性能多功能静音式变频器400V系列( A 型/B型/:[6]
阅读量:58
IKA MS2迷你型震荡器使用说明书:[3]
阅读量:59
SanKen 高性能多功能静音式变频器400V系列( A 型/B型/:[5]
阅读量:64
IKA MS1迷你型震荡器使用说明书:[3]
阅读量:151
变频器滤波器的选型
阅读量:121
猜你喜欢
什么什么大什么
苹果作用
汉服运动
百消丹的功效与作用
夏季养生知识
消毒柜什么牌子好
藿香正气水的功效与作用
维生素k的作用及功能
芭乐的功效与作用
教育知识与能力必背100题
猜你喜欢
车前子的作用
隔离霜有什么作用
什么是综合单价
运动腹痛
白鲜皮的功效与作用
金毛狗脊的功效与作用
仙鹤草的功效与作用
利息收入计入什么科目
驴肉的功效与作用
例假期间能吃什么水果