小度生活
首页
美食营养
手工爱好
生活家居
返回
小度生活
首页
美食营养
游戏数码
手工爱好
生活家居
健康养生
运动户外
职场理财
情感交际
母婴教育
时尚美容
知识问答
生活知识
生活百科
搜索
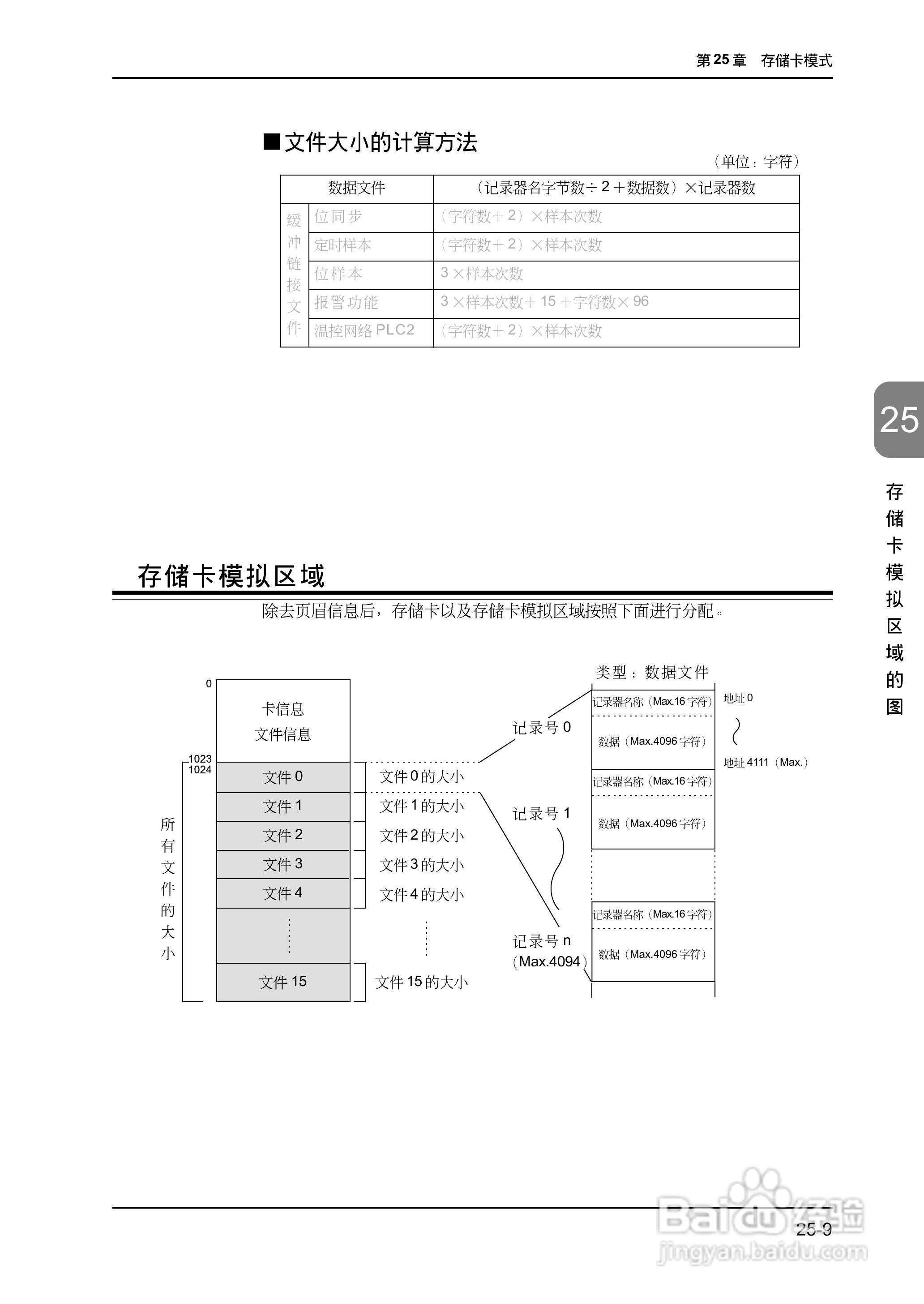
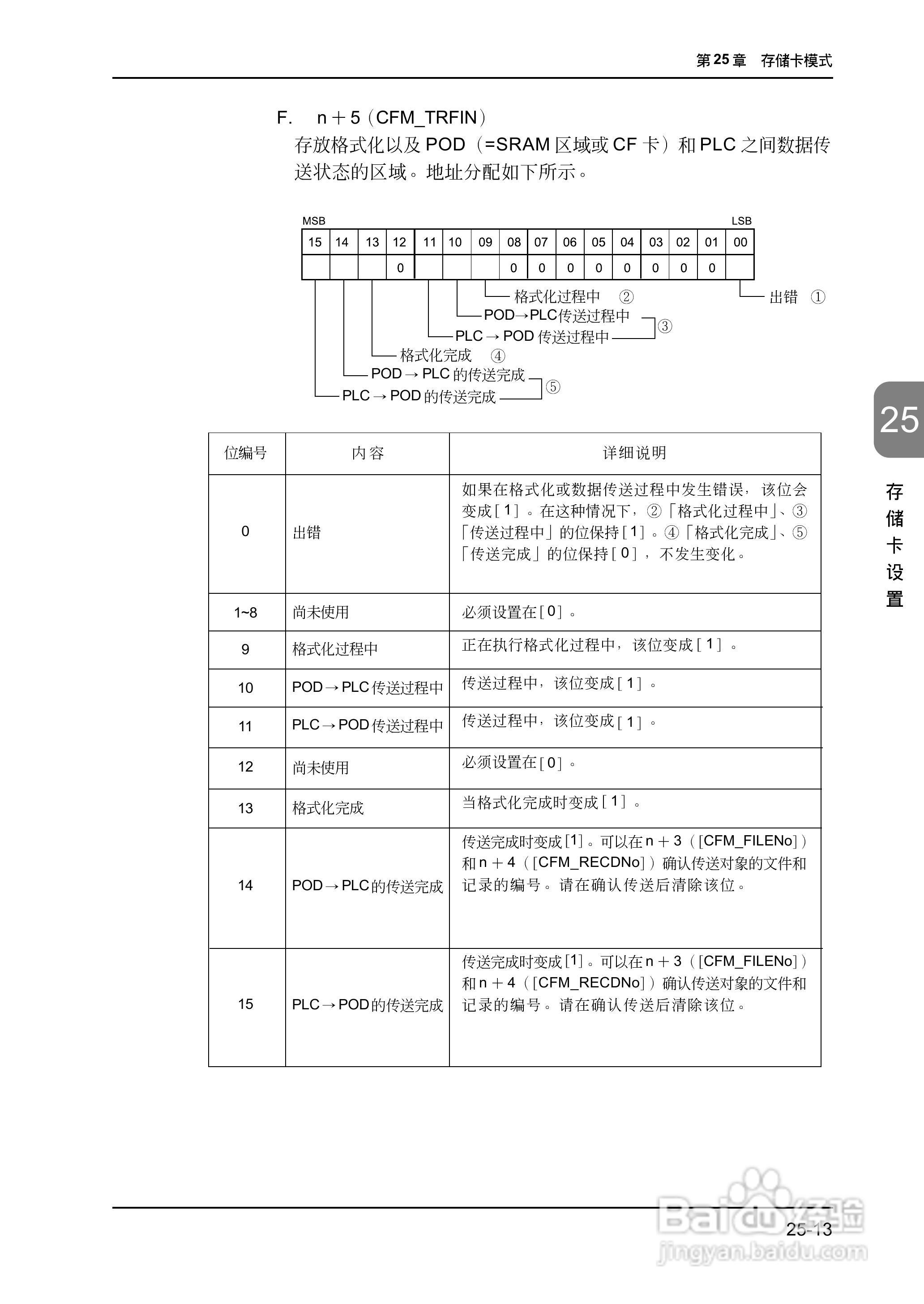
松下UG420H-E变频器使用说明书:[61]
2026-04-01 01:01:40
本篇为《松下UG420H-E变频器使用说明书》,主要介绍该产品的使用方法以及常见故障解决方案。
(共篇)
上一篇:
|
下一篇:
声明:
本网站引用、摘录或转载内容仅供网站访问者交流或参考,不代表本站立场,如存在版权或非法内容,请联系站长删除,联系邮箱:site.kefu@qq.com。
相关推荐
松下UG420H-E变频器使用说明书:[65]
阅读量:163
松下UG420H-E变频器使用说明书:[70]
阅读量:137
松下UG420H-E变频器使用说明书:[72]
阅读量:94
变频器调试接线教程
阅读量:29
松下UG420H-E变频器使用说明书:[37]
阅读量:32
猜你喜欢
三明治的做法大全
挠美女脚心视频大全
热血江湖披风大全图
林肯mkc怎么样
斗鱼怎么开直播间
脚本大全
性感美女大全
花卷的做法大全图解
消防手抄报大全
怎么在网上预约挂号
猜你喜欢
图纸比例怎么换算
小孩子打嗝怎么办
李勤勤个人资料简介
痔疮疼痛怎么办
杨慎简介
罗汉鱼苗怎么养
儿童水彩画图片大全
造梦西游3兑换码大全
灯具图片大全
名车标志图片大全