小度生活
首页
美食营养
手工爱好
生活家居
返回
小度生活
首页
美食营养
游戏数码
手工爱好
生活家居
健康养生
运动户外
职场理财
情感交际
母婴教育
时尚美容
知识问答
生活知识
生活百科
搜索
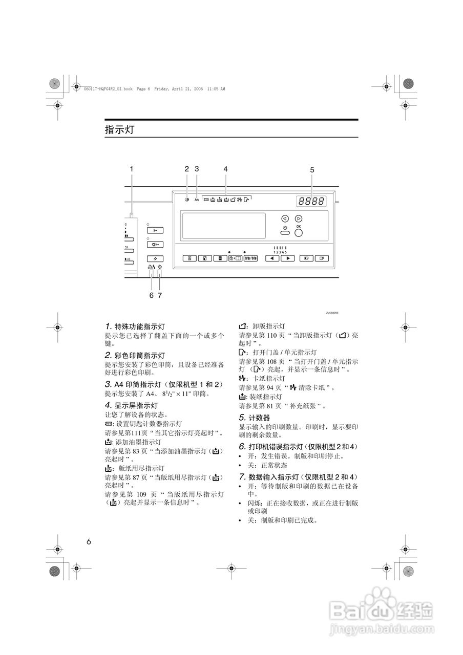
基士得耶CP6451P一体机使用说明书:[3]
2026-04-11 14:45:05
本篇为《基士得耶CP6451P一体机使用说明书》,主要介绍该产品的使用方法以及常见故障解决方案。
(共篇)
上一篇:
|
下一篇:
声明:
本网站引用、摘录或转载内容仅供网站访问者交流或参考,不代表本站立场,如存在版权或非法内容,请联系站长删除,联系邮箱:site.kefu@qq.com。
相关推荐
基士得耶CP6451P一体机使用说明书:[8]
阅读量:137
基士得耶CP6451P一体机使用说明书:[7]
阅读量:20
使用说明书封面怎么做
阅读量:63
使用说明书wf2651使用指南
阅读量:169
基士得耶CP6451P一体机使用说明书:[15]
阅读量:91
猜你喜欢
见光死是什么意思
世界杯什么时候结束
爱莫能助的意思
浅尝辄止是什么意思
憔悴是什么意思
韩国什么化妆品值得买
新社保卡有什么功能
新英雄什么时候出
让球是什么意思
book是什么意思
猜你喜欢
今年流行什么外套
祝福领导最实在的话
碧莲是什么意思
沙发床什么品牌好
夜深人静的意思
惊惶的意思
车载净化器什么牌子好
粘鞋子用什么胶水好
阴性阳性是什么意思
二十四节气歌的意思