小度生活
首页
美食营养
手工爱好
生活家居
返回
小度生活
首页
美食营养
游戏数码
手工爱好
生活家居
健康养生
运动户外
职场理财
情感交际
母婴教育
时尚美容
知识问答
生活知识
生活百科
搜索
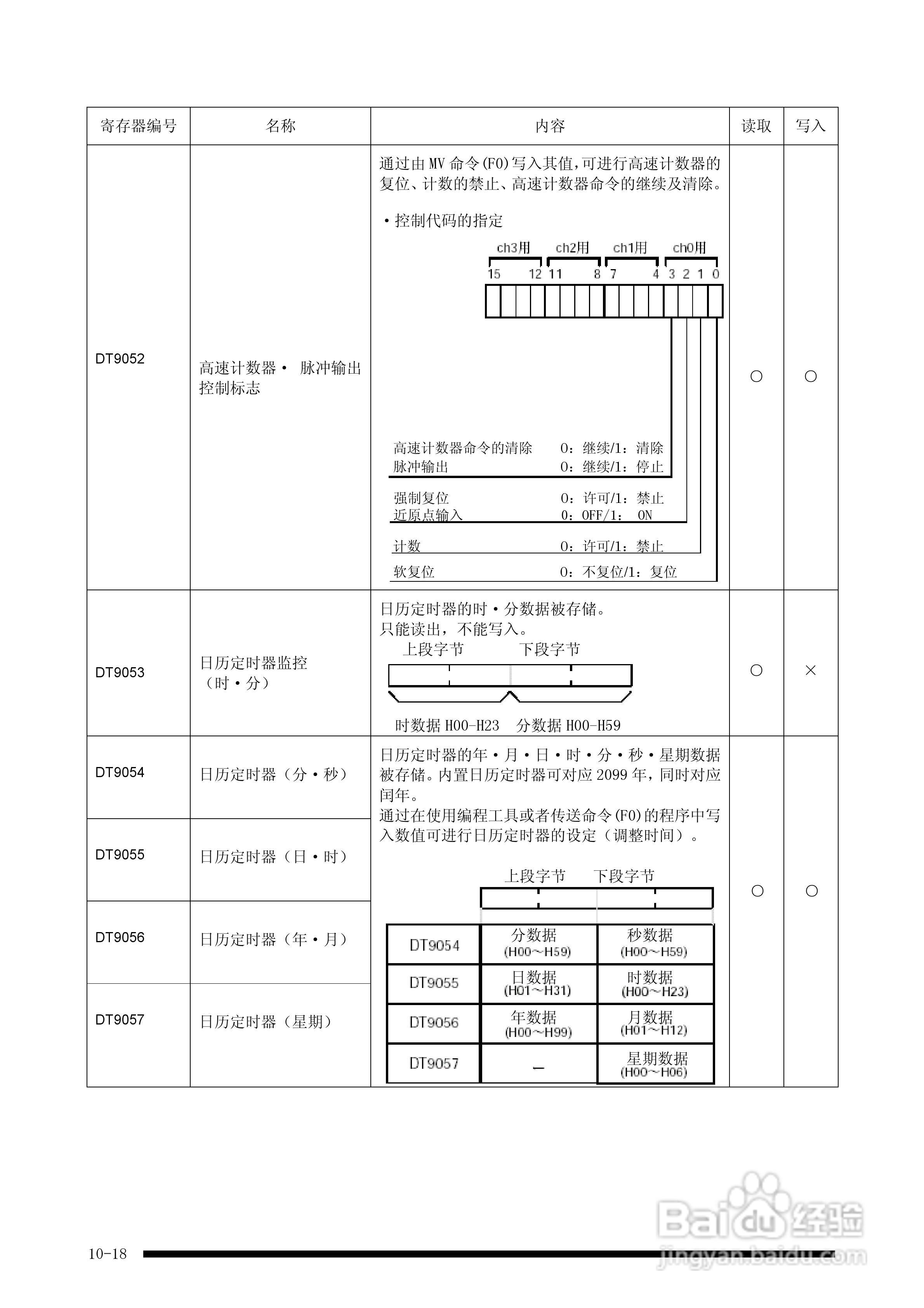
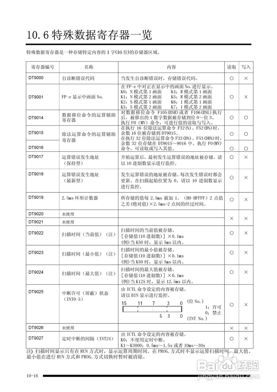
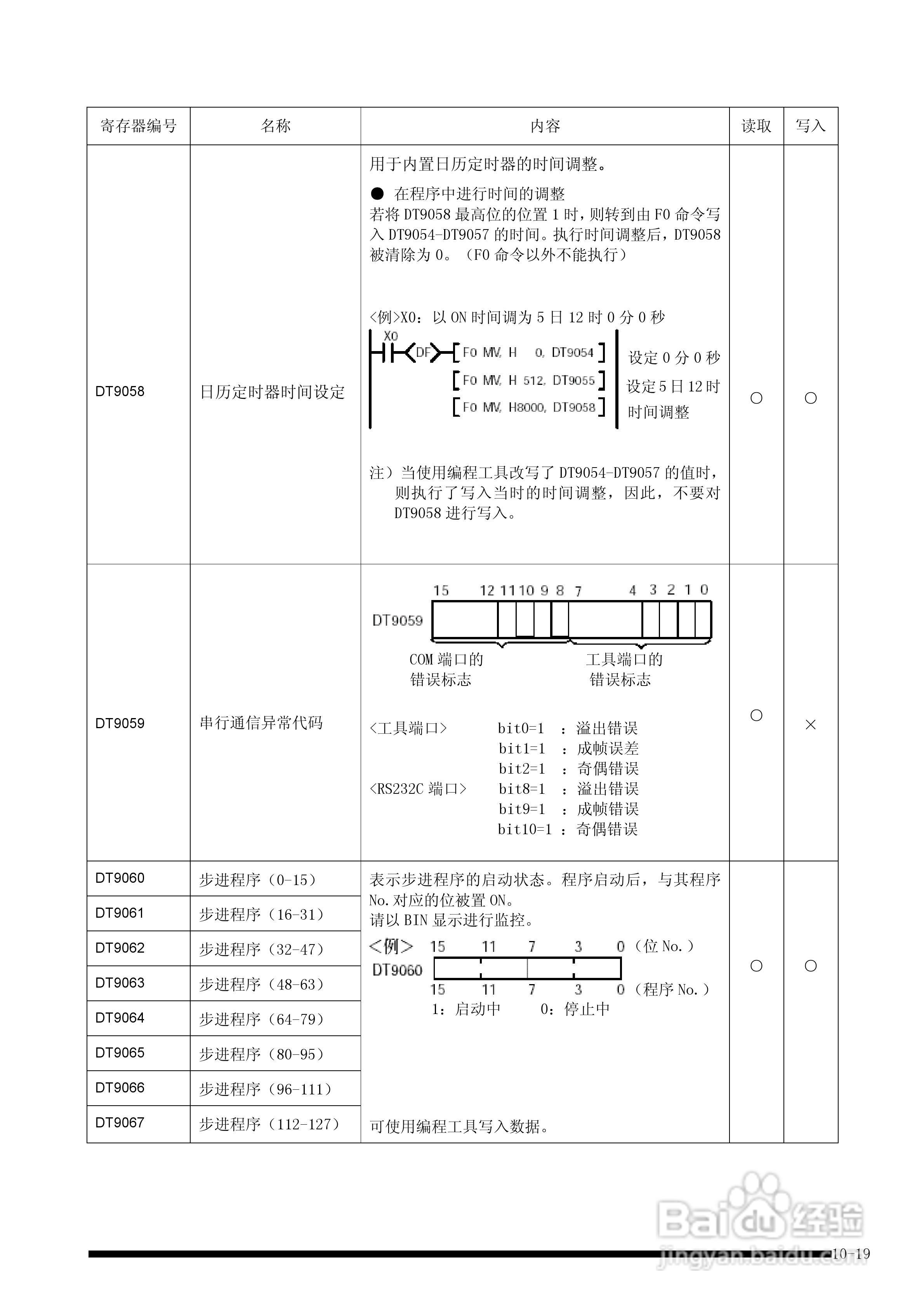
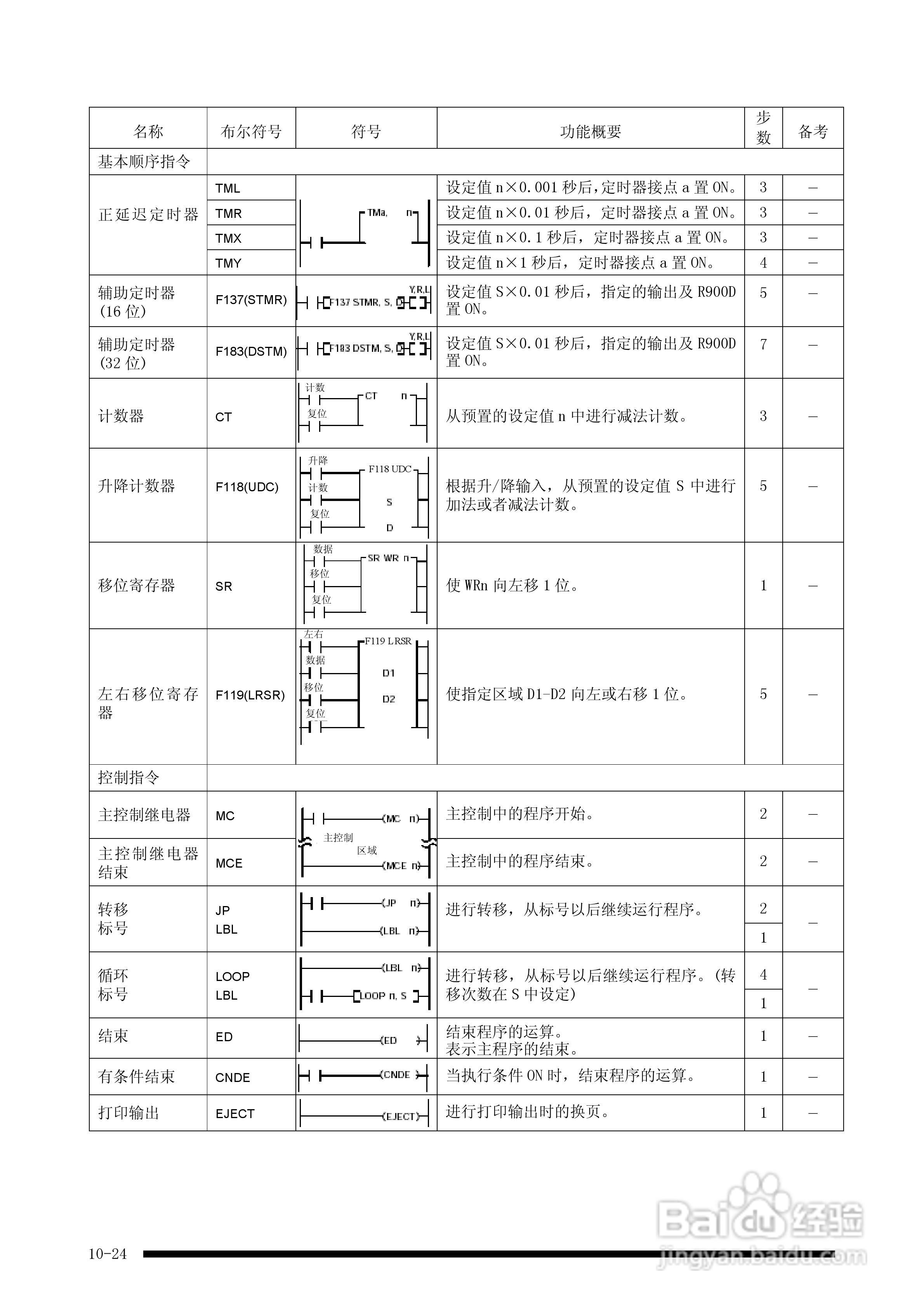
panasonic 面板安装型控制器FP-e控制装置用户手册:[13]
2026-05-23 00:58:40
本篇为《panasonic 面板安装型控制器FP-e控制装置用户手册》,主要介绍该产品的使用方法以及常见故障解决方案。
(共篇)
上一篇:
|
下一篇:
声明:
本网站引用、摘录或转载内容仅供网站访问者交流或参考,不代表本站立场,如存在版权或非法内容,请联系站长删除,联系邮箱:site.kefu@qq.com。
相关推荐
panasonic 面板安装型控制器FP-e控制装置用户手册:[14]
阅读量:44
panasonic 面板安装型控制器FP-e控制装置用户手册:[10]
阅读量:73
Panasonic AW-RP655MC多功能控制器操作手册:[3]
阅读量:124
Panasonic AW-RP655MC多功能控制器操作手册:[1]
阅读量:20
Panasonic AW-RP655MC多功能控制器操作手册:[2]
阅读量:165
猜你喜欢
macd是什么意思
控股关联是什么意思
头昏眼花的意思
蚂蚁花呗是什么意思
红颜知己的意思
shadow是什么意思
殊途同归的意思
bamboo是什么意思
什么综艺节目好看
慎重的意思
猜你喜欢
自由职业者是什么意思
胎盘成熟度是什么意思
ipo的意思
爬山是什么意思
做酸奶什么时候放糖
鸡眼贴到什么程度算好
神灯治疗仪什么牌子好
什么是早教机
人均可支配收入是什么意思
什么是黄蜡石