小度生活
首页
美食营养
手工爱好
生活家居
返回
小度生活
首页
美食营养
游戏数码
手工爱好
生活家居
健康养生
运动户外
职场理财
情感交际
母婴教育
时尚美容
知识问答
生活知识
生活百科
搜索
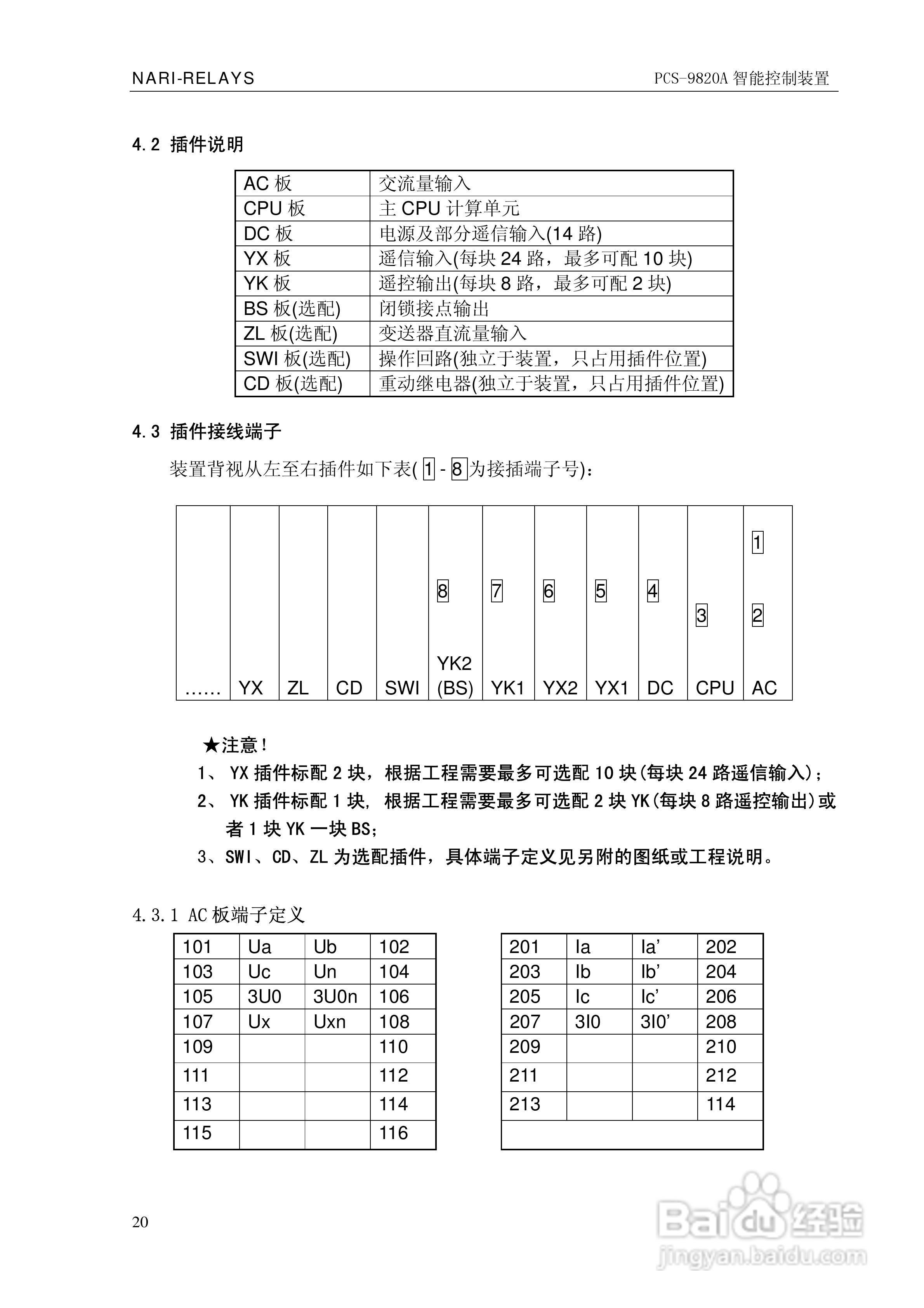
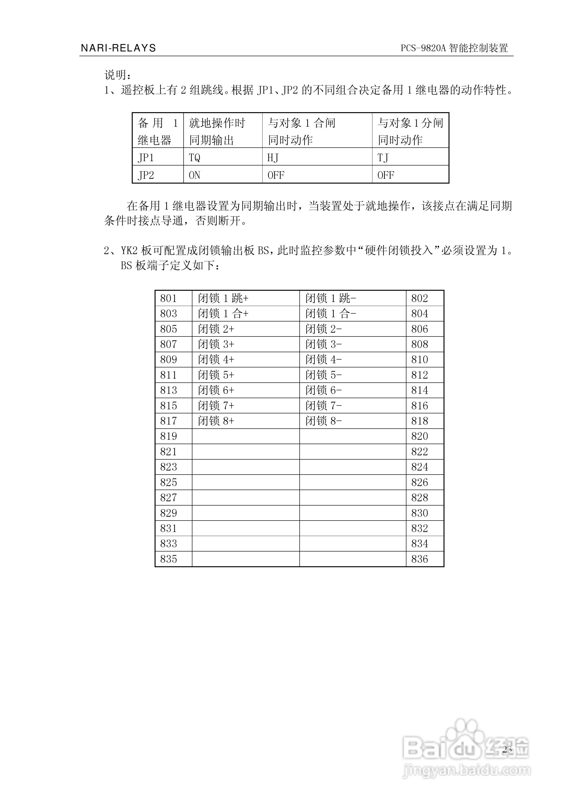
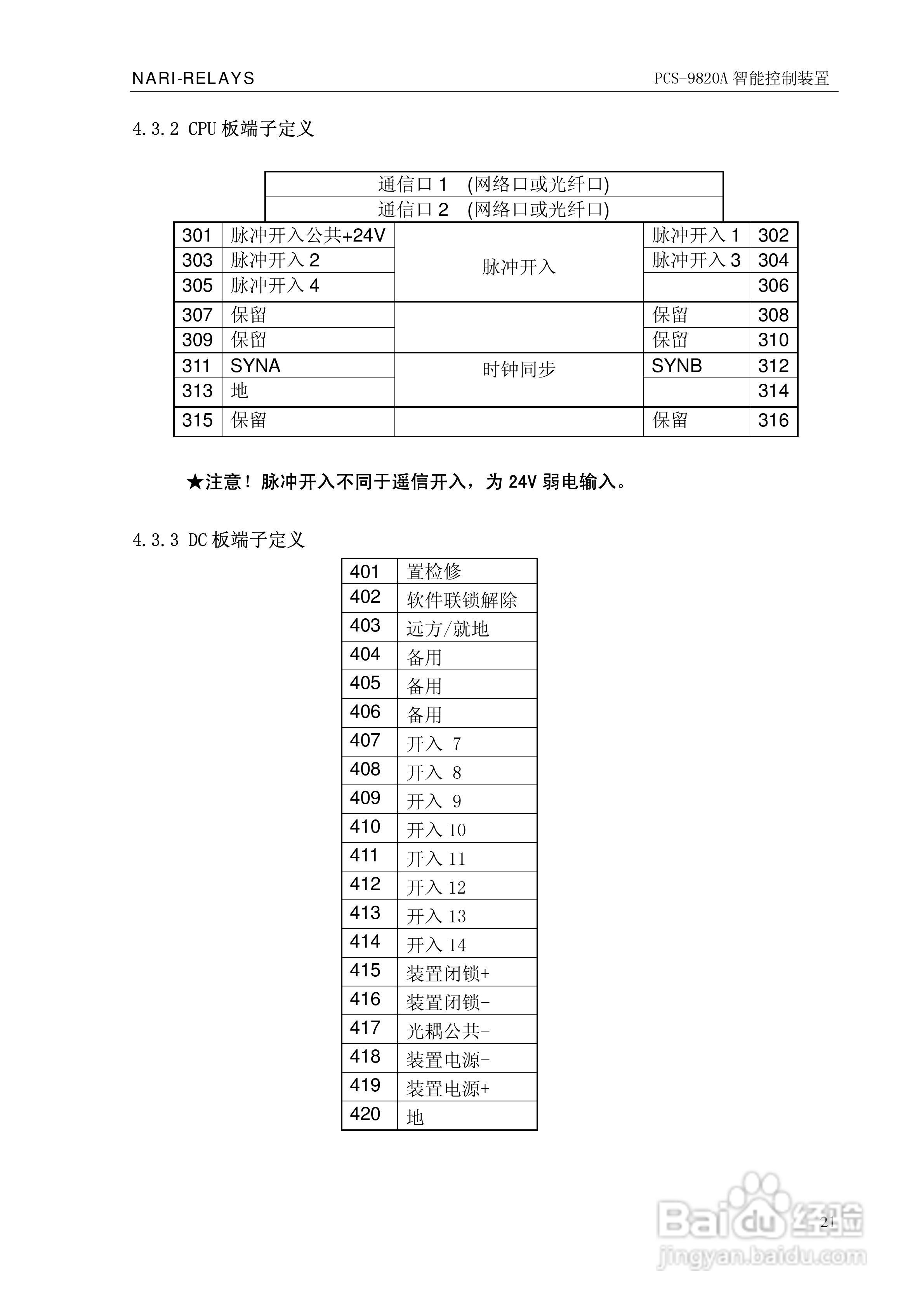
南瑞继保PCS-9820A智能控制装置使用说明书:[3]
2026-03-27 02:21:40
本篇为《南瑞继保PCS-9820A智能控制装置使用说明书》,主要介绍该产品的使用方法以及常见故障解决方案。
(共篇)
上一篇:
声明:
本网站引用、摘录或转载内容仅供网站访问者交流或参考,不代表本站立场,如存在版权或非法内容,请联系站长删除,联系邮箱:site.kefu@qq.com。
相关推荐
南瑞继保PCS-9820A智能控制装置使用说明书:[2]
阅读量:82
南瑞继保PCS-9820B智能控制装置使用说明书:[3]
阅读量:38
南瑞继保PCS-9820B智能控制装置使用说明书:[2]
阅读量:172
南瑞继保PCS-9820B智能控制装置使用说明书:[1]
阅读量:102
南瑞继保RCS-993A型失步解列装置使用说明书:[3]
阅读量:150
猜你喜欢
如何催款
如何安装java
眼部脂肪粒如何去除
假期生活作文
中性粒细胞偏高是什么意思
南无阿弥陀佛是什么意思
塑料瓶中的创意生活
我们的生活充满阳光伴奏
酒精过敏很痒怎么办
玉字加一笔是什么字
猜你喜欢
如何处理好婆媳关系
空调漏水是什么原因
怎么改变桌面图标大小
男性阴囊潮湿是什么病
夏季如何养生
特级生活片
正山小种是什么茶
乾坤是什么意思
剑灵龙骨卷轴怎么获得
如何网络宣传