小度生活
首页
美食营养
手工爱好
生活家居
返回
小度生活
首页
美食营养
游戏数码
手工爱好
生活家居
健康养生
运动户外
职场理财
情感交际
母婴教育
时尚美容
知识问答
生活知识
生活百科
搜索
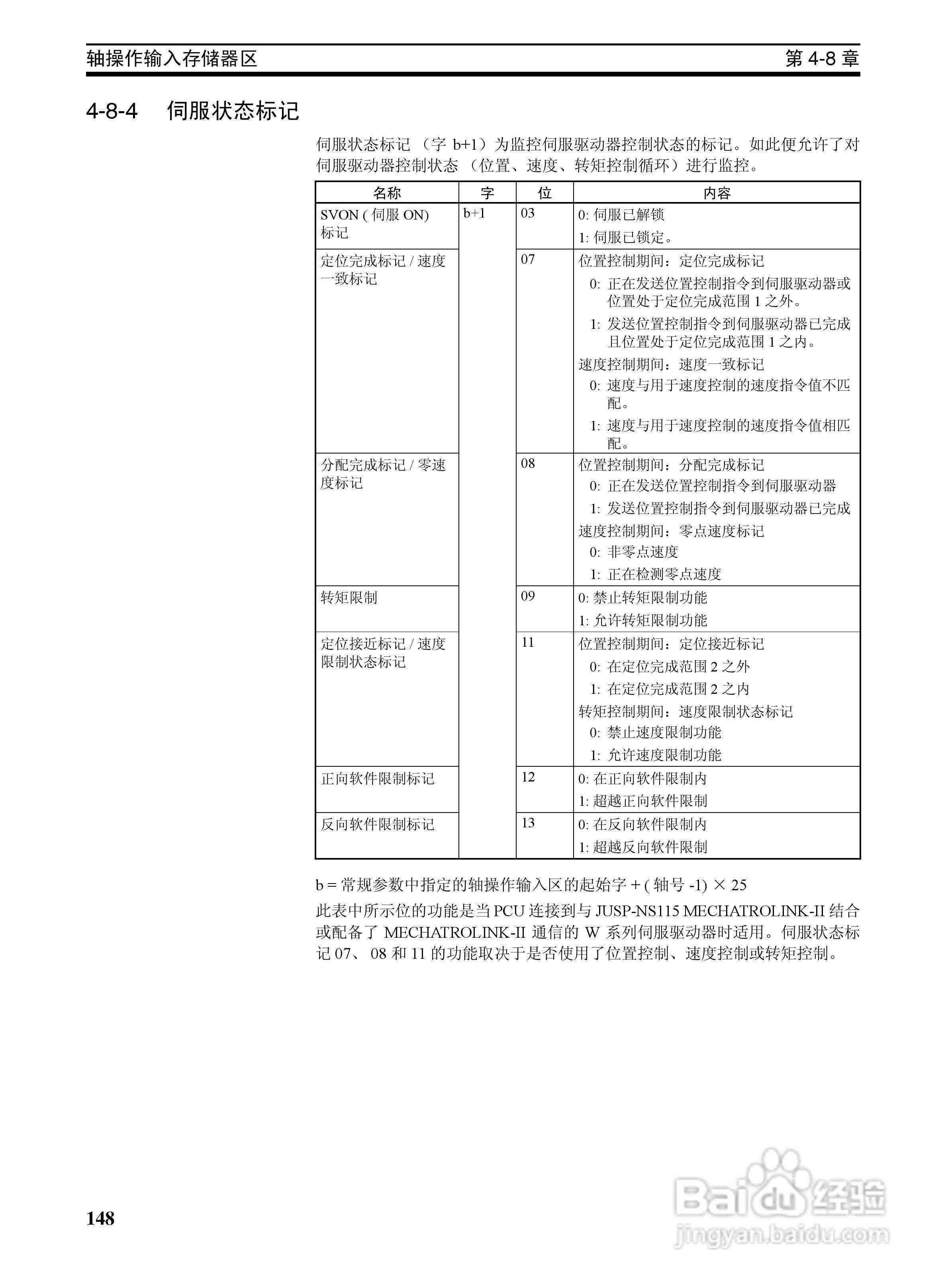
OMRON SYSMAC CJ1W-NCF71位置控制单元操作手册:[17]
2026-03-28 00:04:35
本篇为《OMRON SYSMAC CJ1W-NCF71位置控制单元操作手册》,主要介绍该产品的使用方法以及常见故障解决方案。
(共篇)
上一篇:
|
下一篇:
声明:
本网站引用、摘录或转载内容仅供网站访问者交流或参考,不代表本站立场,如存在版权或非法内容,请联系站长删除,联系邮箱:site.kefu@qq.com。
相关推荐
OMRON SYSMAC CJ1W-NCF71位置控制单元操作手册:[37]
阅读量:190
OMRON SYSMAC CJ1W-NCF71位置控制单元操作手册:[32]
阅读量:164
OMRON SYSMAC CJ1W-NCF71位置控制单元操作手册:[46]
阅读量:76
OMRON SYSMAC CJ1W-NCF71位置控制单元操作手册:[33]
阅读量:48
OMRON SYSMAC CJ1W-NCF71位置控制单元操作手册:[30]
阅读量:146
猜你喜欢
ref是什么意思
什么是方程
什么是排卵期
氨基酸是什么
牛津纺是什么面料
双胶纸是什么纸
徘徊是什么意思
itv是什么
苛刻是什么意思
有机食品是什么意思
猜你喜欢
tf是什么意思
宫颈纳氏囊肿是什么
法定代表人是什么意思
砼是什么意思
9月20日是什么星座
皮蛋是什么蛋
灯火阑珊处什么意思
mouth是什么意思
白裤子配什么上衣
乌龙球是什么意思