小度生活
首页
美食营养
手工爱好
生活家居
返回
小度生活
首页
美食营养
游戏数码
手工爱好
生活家居
健康养生
运动户外
职场理财
情感交际
母婴教育
时尚美容
知识问答
生活知识
生活百科
搜索
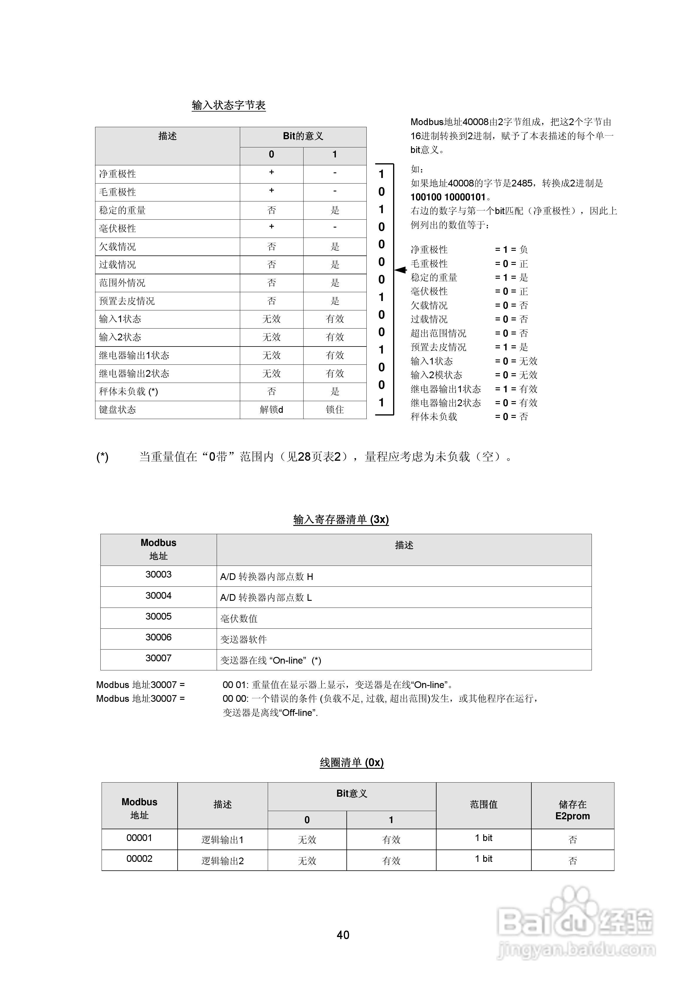
DAT400-S防暴称重变送器说明书:[4]
2026-04-03 08:40:02
本篇为《DAT400-S防暴称重变送器说明书》,主要介绍该产品的使用方法以及常见故障解决方案。
(共篇)
上一篇:
|
下一篇:
声明:
本网站引用、摘录或转载内容仅供网站访问者交流或参考,不代表本站立场,如存在版权或非法内容,请联系站长删除,联系邮箱:site.kefu@qq.com。
相关推荐
DAT400-S防暴称重变送器说明书:[2]
阅读量:56
DAT400称重变送器说明书:[4]
阅读量:102
有功功率变送器/无功功率变送器使用说明
阅读量:190
单相电流电压变送器使用说明
阅读量:87
功率因数变送器
阅读量:82
猜你喜欢
避孕环什么时候取
lofter是什么意思
封阳台用什么材料好
otg是什么意思
什么是书号
邮箱是什么意思
什么是dlp
责无旁贷的贷什么意思
宁静致远的意思
瑕不掩瑜的意思
猜你喜欢
貌似是什么意思
封阳台用什么材料好
e31230v2配什么主板
面包粉什么牌子好
smell是什么意思
26uuu改成什么了
孤零零的意思
煞南是什么意思
大相径庭是什么意思
怨天尤人的意思