小度生活
首页
美食营养
手工爱好
生活家居
返回
小度生活
首页
美食营养
游戏数码
手工爱好
生活家居
健康养生
运动户外
职场理财
情感交际
母婴教育
时尚美容
知识问答
生活知识
生活百科
搜索
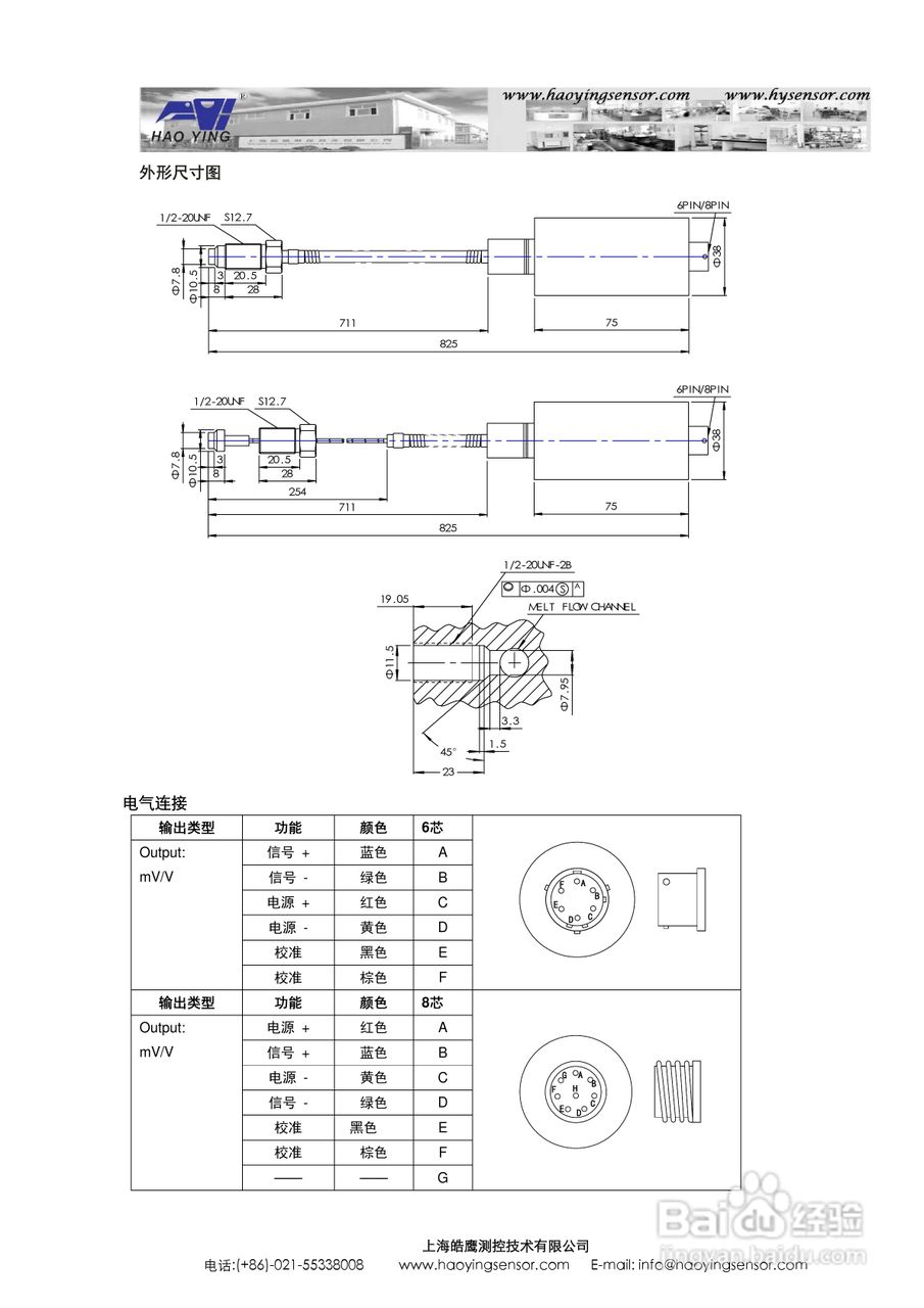
上海皓鹰PT120X耐磨型高温熔体压力传感器使用手册
2026-03-31 08:26:42
声明:
本网站引用、摘录或转载内容仅供网站访问者交流或参考,不代表本站立场,如存在版权或非法内容,请联系站长删除,联系邮箱:site.kefu@qq.com。
相关推荐
上海皓鹰PT120直杆型高温熔体压力传感器使用手册
阅读量:136
上海皓鹰PT124软管型高温熔体压力传感器使用手册
阅读量:151
上海皓鹰PT120FB螺纹连接型高温熔体压力变送器使用手
阅读量:53
上海皓鹰PT123D软管型高温熔体压力传感器使用手册
阅读量:188
上海拍车牌基本流程
阅读量:146
猜你喜欢
token什么意思
凯格尔运动视频
关于体育的知识
现在什么手机最好
地球知识能量站
八年级上册政治知识点
珍珠粉的作用
知识英文
桂花的功效与作用
盐酸地芬尼多片的作用与用途
猜你喜欢
蒲公英的功效与作用
服装面料知识大全
小学生交通安全知识
抗生素的作用
海蓝宝的功效与作用
致垒球运动员加油稿
高三数学知识点
澳门用什么货币
石榴皮的作用
天冬的功效与作用