小度生活
首页
美食营养
手工爱好
生活家居
返回
小度生活
首页
美食营养
游戏数码
手工爱好
生活家居
健康养生
运动户外
职场理财
情感交际
母婴教育
时尚美容
知识问答
生活知识
生活百科
搜索
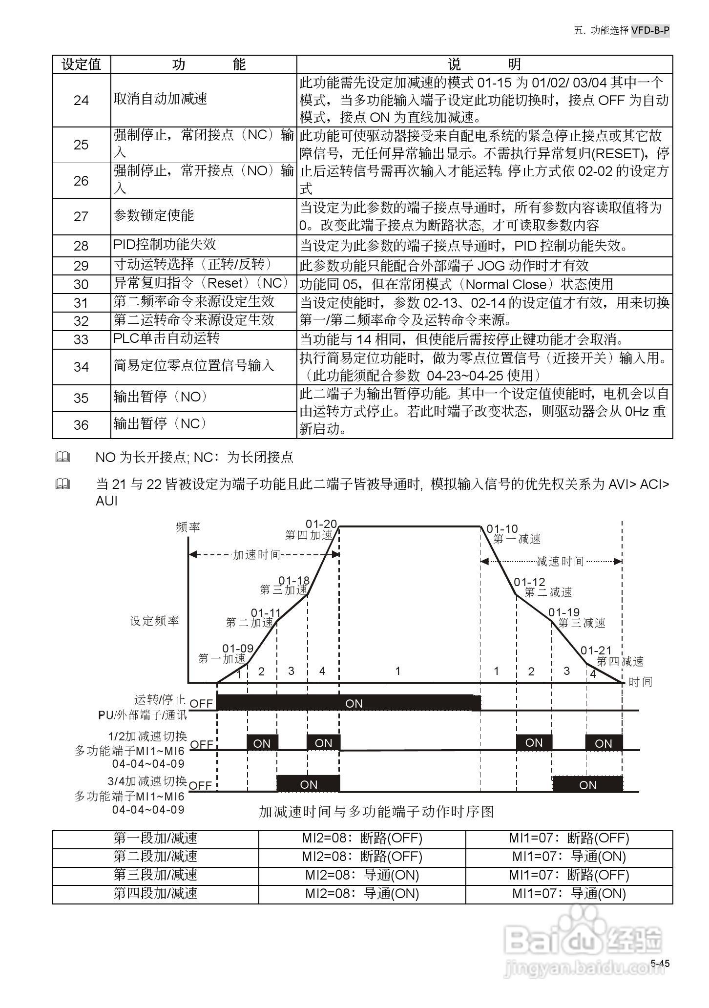
台安VFD450B43W-P变频器使用手册:[11]
2026-05-04 05:34:55
本篇为《台安VFD450B43W-P变频器使用手册》,主要介绍该产品的使用方法以及常见故障解决方案。
(共篇)
上一篇:
|
下一篇:
声明:
本网站引用、摘录或转载内容仅供网站访问者交流或参考,不代表本站立场,如存在版权或非法内容,请联系站长删除,联系邮箱:site.kefu@qq.com。
相关推荐
台安VFD450B43W-P变频器使用手册:[13]
阅读量:109
变频器调试接线教程
阅读量:57
变频器怎么恢复出厂设置
阅读量:36
变频器维修教程
阅读量:138
变频器控制线路接线方法
阅读量:143
猜你喜欢
内向是什么意思
外包是什么意思
面基是什么意思
苹果公开版什么意思
nine是什么意思
please是什么意思
纯牛奶什么时候喝最好
ml什么意思
四什么八什么的成语
啤酒加味精的作用是什么
猜你喜欢
天珠是什么
锦纶是什么面料
煲机是什么意思
冲账是什么意思
4月6日是什么星座
什么是闰年
最低还款额是什么意思
鸡子是什么
今年什么年
芊芊是什么意思