小度生活
首页
美食营养
手工爱好
生活家居
返回
小度生活
首页
美食营养
游戏数码
手工爱好
生活家居
健康养生
运动户外
职场理财
情感交际
母婴教育
时尚美容
知识问答
生活知识
搜索
国电南瑞NSR322A断路器保护装置技术使用说明书:[4]
2025-10-05 03:36:51
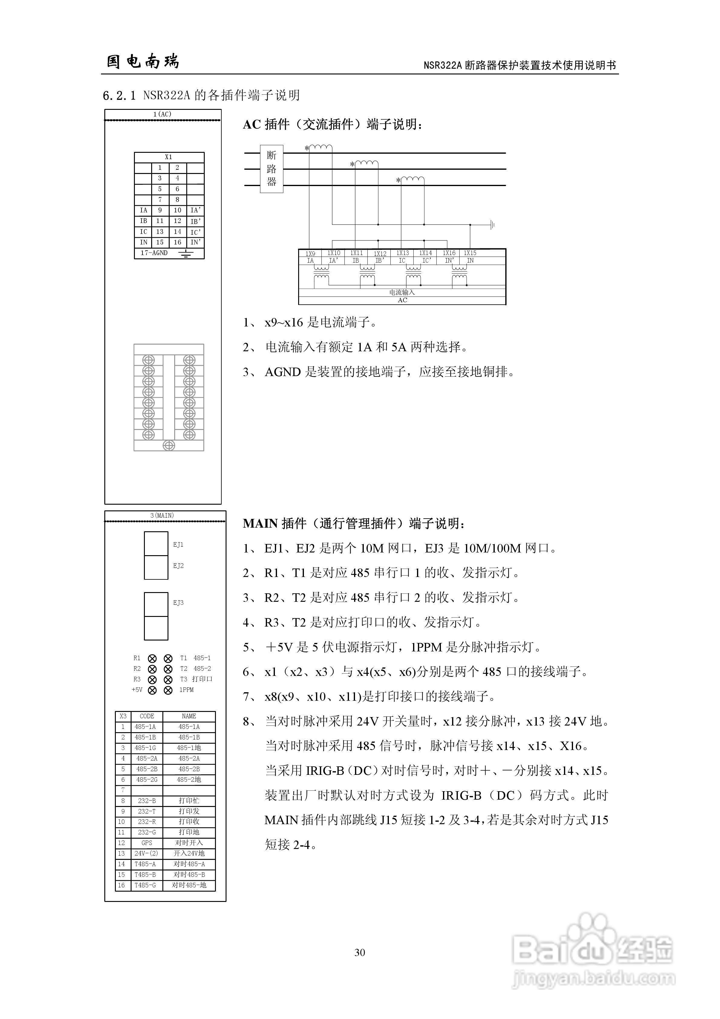
本篇为《国电南瑞NSR322A断路器保护装置技术使用说明书》,主要介绍该产品的使用方法以及常见故障解决方案。
(共篇)
上一篇:
|
下一篇:
声明:
本网站引用、摘录或转载内容仅供网站访问者交流或参考,不代表本站立场,如存在版权或非法内容,请联系站长删除,联系邮箱:site.kefu@qq.com。
相关推荐
断路器和隔离开关的区别?
阅读量:123
国电南瑞NSR668RF 电抗器保护测控装置技术使用说明书:[4]
阅读量:38
关于漏电断路器能耗问题
阅读量:49
怎样维护真空断路器
阅读量:29
RCS-921CT断路器失灵起动及辅助保护装置使用说明书:[3]
阅读量:114
猜你喜欢
儿童座椅什么牌子好
移情别恋什么意思
今年流行什么外套
vocabulary是什么意思
诞辰是什么意思
荷包蛋的蛋黄什么时候戳破才好
奇观的观是什么意思
惊艳的意思
首当其冲意思
残念什么意思
猜你喜欢
直男是什么意思简单点
中考祝福
wise是什么意思
拾人牙慧是什么意思
什么东西好玩
bullshit什么意思中文
破折号的意思
obvious什么意思
有什么好的qq昵称
睡眠面膜什么牌子好