小度生活
首页
美食营养
手工爱好
生活家居
返回
小度生活
首页
美食营养
游戏数码
手工爱好
生活家居
健康养生
运动户外
职场理财
情感交际
母婴教育
时尚美容
知识问答
生活知识
搜索
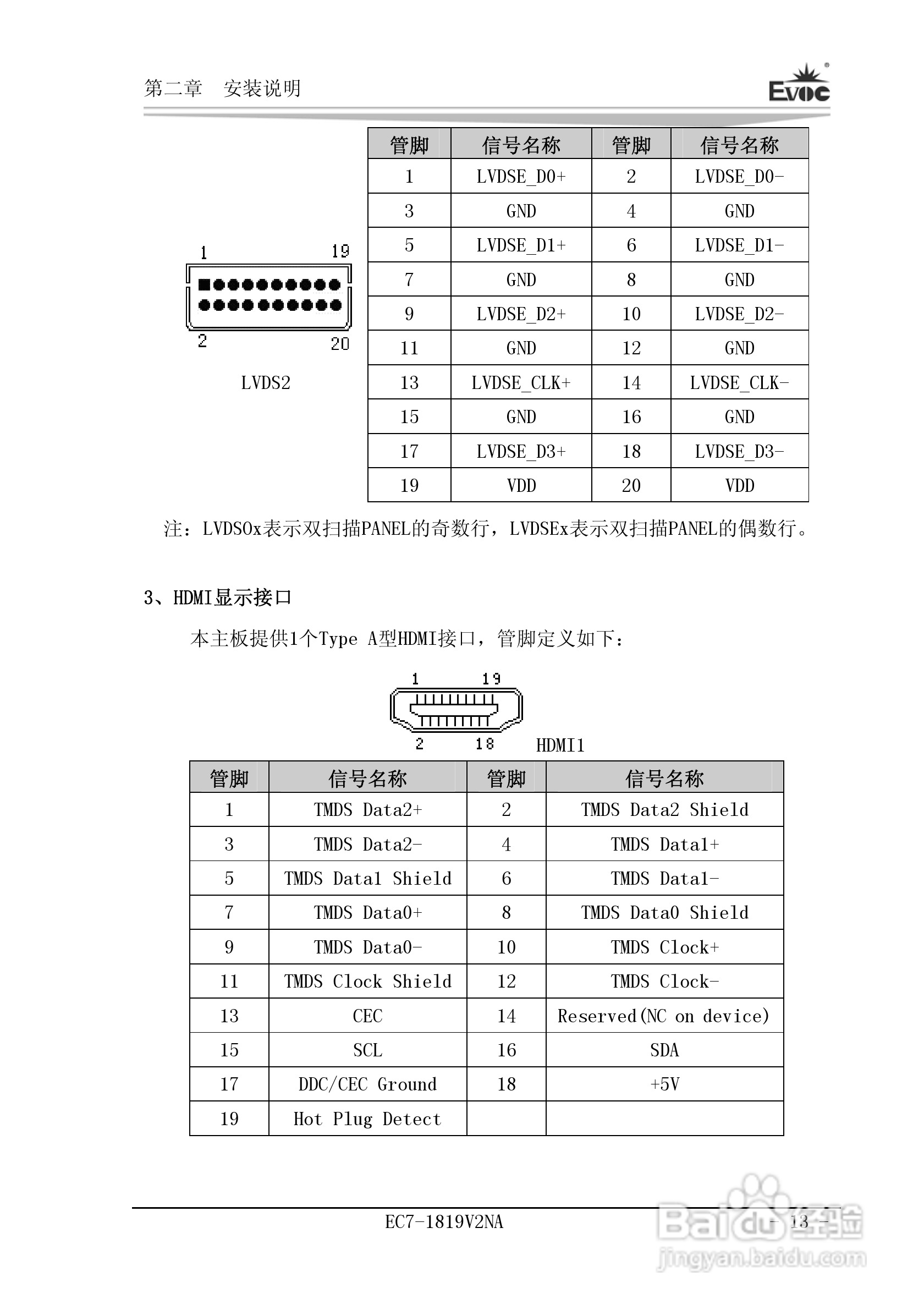
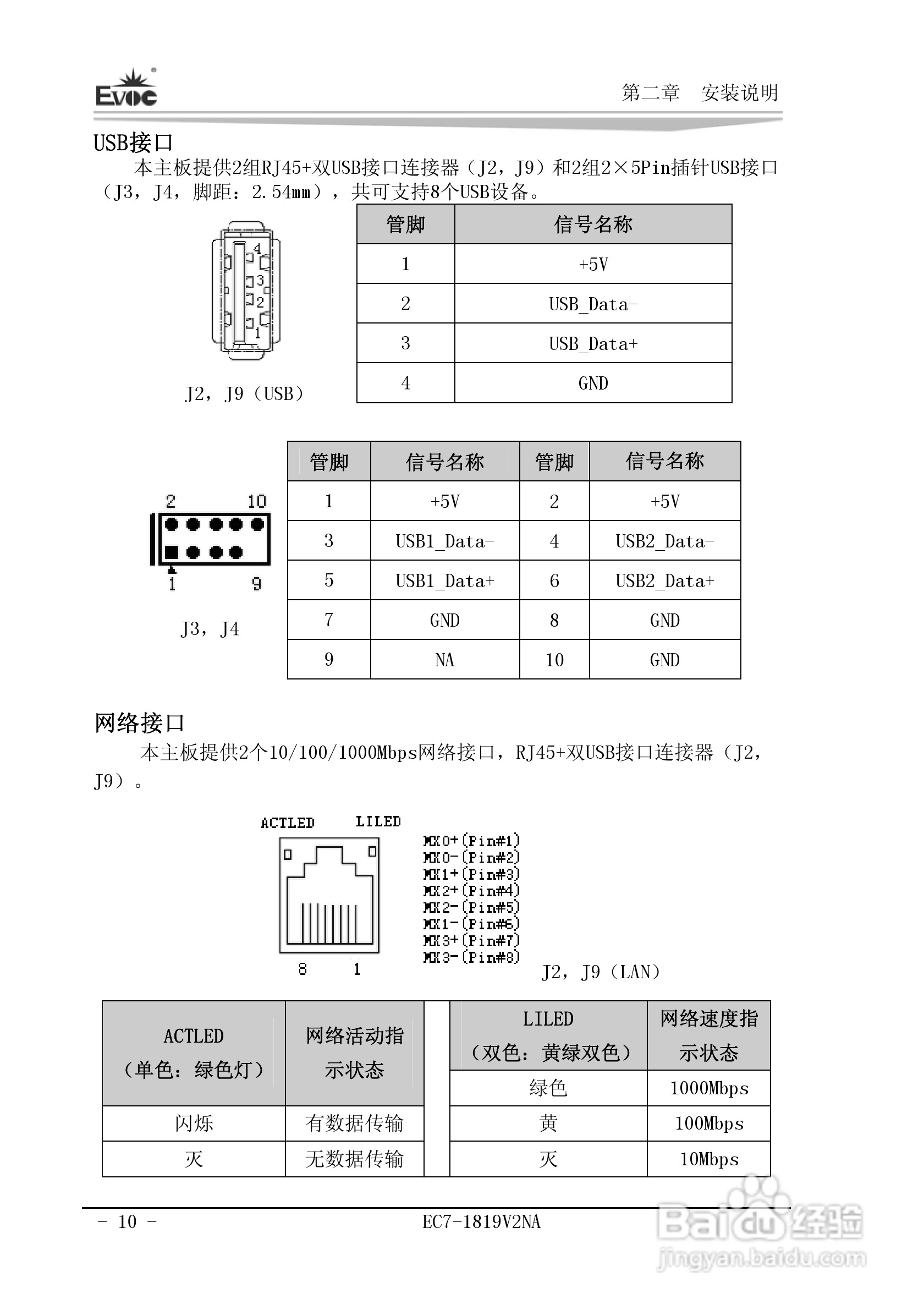
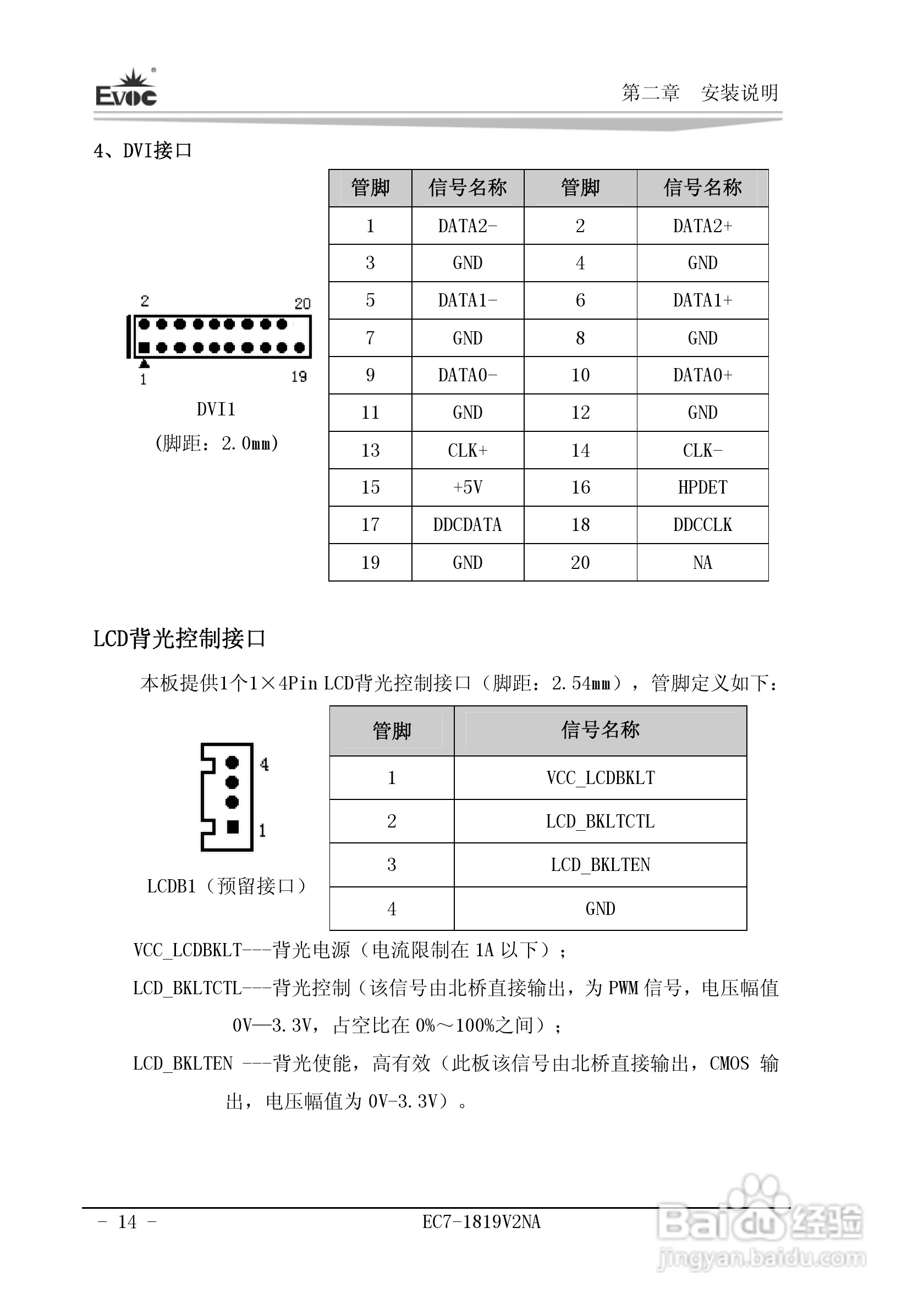
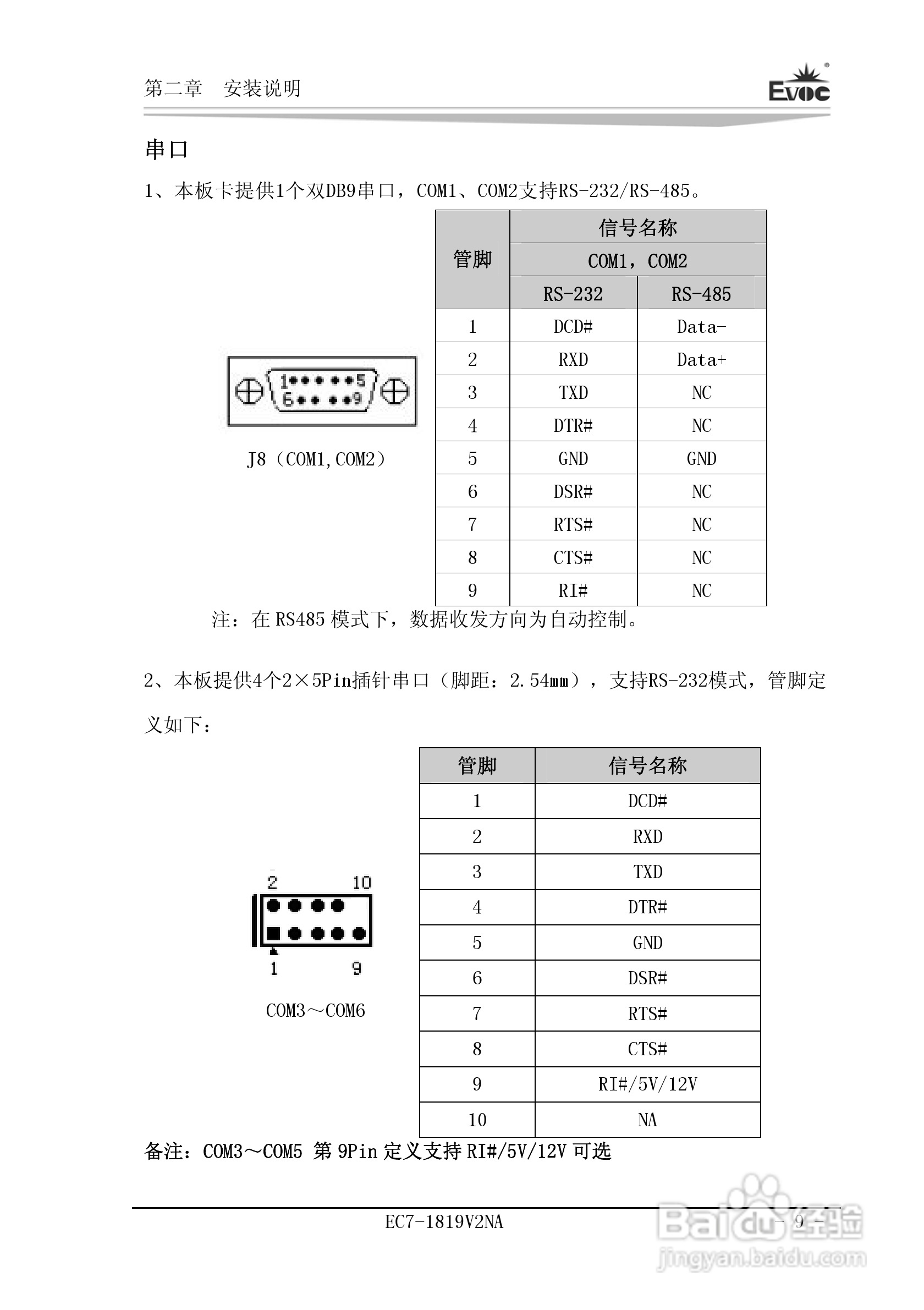
研祥Mini-ITX主板EC7-1819V2NA说明书:[2]
2026-02-02 08:24:04
本篇为《研祥Mini-ITX主板EC7-1819V2NA说明书》,主要介绍该产品的使用方法以及常见故障解决方案。
(共篇)
上一篇:
|
下一篇:
声明:
本网站引用、摘录或转载内容仅供网站访问者交流或参考,不代表本站立场,如存在版权或非法内容,请联系站长删除,联系邮箱:site.kefu@qq.com。
相关推荐
研祥Mini-ITX主板EC7-1819V2NA说明书:[7]
阅读量:152
研祥Mini-ITX主板EC7-1819V2NA说明书:[11]
阅读量:91
研祥Mini-ITX主板EC7-1818CLD2NA说明书:[2]
阅读量:139
研祥Mini-ITX主板EC7-1814L2NA说明书:[2]
阅读量:95
主板的结构说明
阅读量:158
猜你喜欢
运动宣言
author是什么意思
维生素b6功能与作用
打破沙锅问到底是什么意思
courage是什么意思
xd股票什么意思
farmer什么意思
19年是什么年
professor是什么意思
如饥似渴是什么意思
猜你喜欢
考上大学送什么礼物
什么狗最贵
平步青云什么意思
什么是地震
快递未妥投是什么意思
明日黄花是什么意思
蜜蜂养殖技术视频
女生学什么专业就业前景好
伊可新维生素ad滴剂
天津体育学院运动与文化艺术学院