小度生活
首页
美食营养
手工爱好
生活家居
返回
小度生活
首页
美食营养
游戏数码
手工爱好
生活家居
健康养生
运动户外
职场理财
情感交际
母婴教育
时尚美容
知识问答
生活知识
搜索
柯尼卡美能达分光测色计CM-2300d使用说明书:[3]
2026-01-13 07:39:58
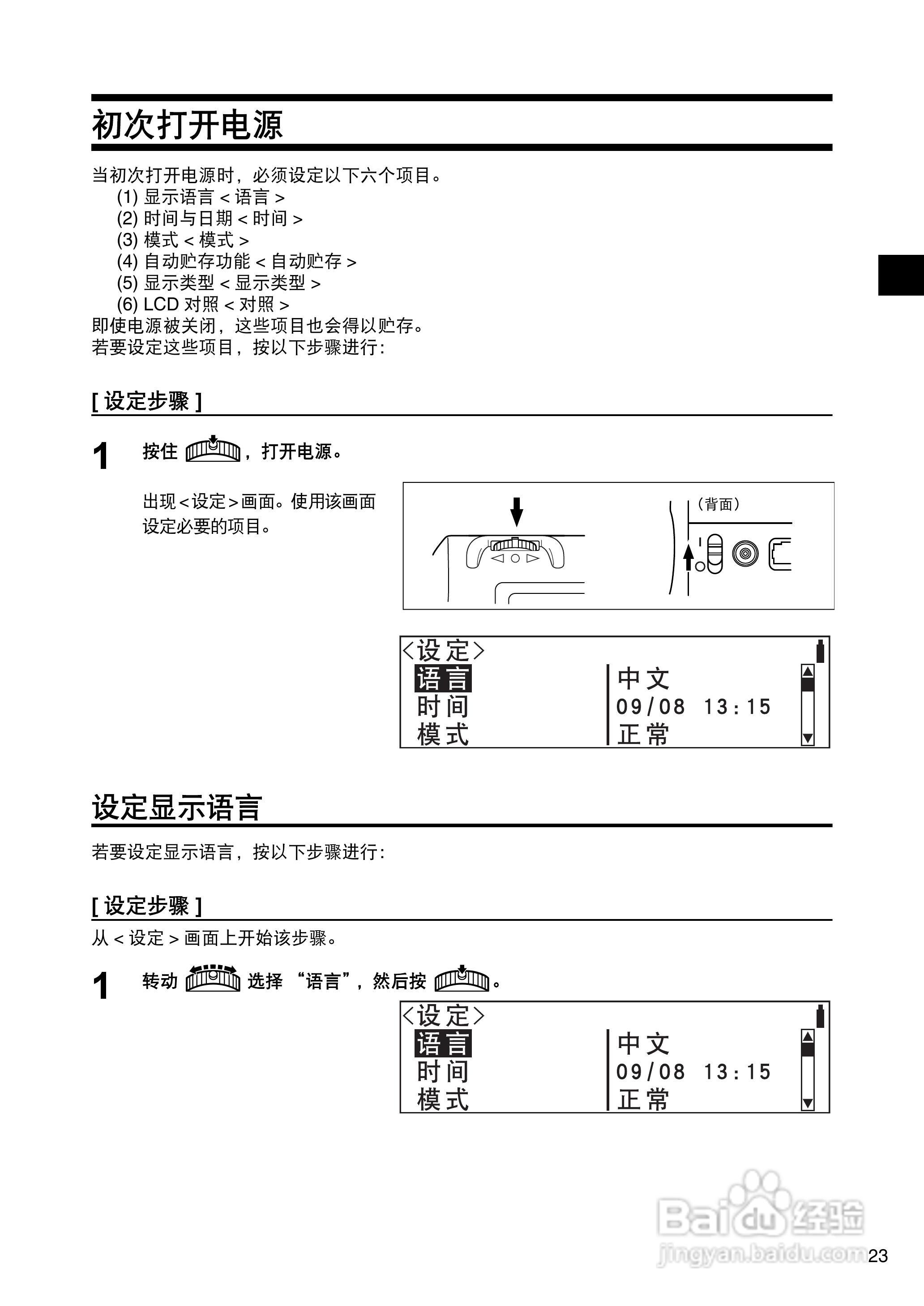
本篇为《柯尼卡美能达分光测色计CM-2300d使用说明书》,主要介绍该产品的使用方法以及常见故障解决方案。
(共篇)
上一篇:
|
下一篇:
声明:
本网站引用、摘录或转载内容仅供网站访问者交流或参考,不代表本站立场,如存在版权或非法内容,请联系站长删除,联系邮箱:site.kefu@qq.com。
相关推荐
柯尼卡美能达分光测色计CM-2300d使用说明书:[2]
阅读量:75
柯尼卡美能达分光测色计CM-2300d使用说明书:[4]
阅读量:39
柯尼卡美能达分光测色计CM-2500d使用说明书:[7]
阅读量:131
柯尼卡美能达彩色打印机如何黑白打印
阅读量:107
柯尼卡美能达751如何关闭并打开主开关
阅读量:100
猜你喜欢
在家可以做什么赚钱
光雾山风景区
太极拳的特点
儿童头晕是怎么回事
doc文件怎么打开
吃什么可以祛斑
赵丽颖怎么当上演员的
股票的特点
appcrash的问题怎么修复
普通面粉可以做蛋糕吗
猜你喜欢
潍坊旅游景点
空腹可以吃饭吗
沈阳市旅游学校
代购怎么找货源
电脑怎么还原出厂设置
大理丽江旅游
怎么让自己变得有气质
怎么看笔记本的配置
浙江莫干山旅游攻略
太湖旅游