小度生活
首页
美食营养
手工爱好
生活家居
返回
小度生活
首页
美食营养
游戏数码
手工爱好
生活家居
健康养生
运动户外
职场理财
情感交际
母婴教育
时尚美容
知识问答
生活知识
生活百科
搜索
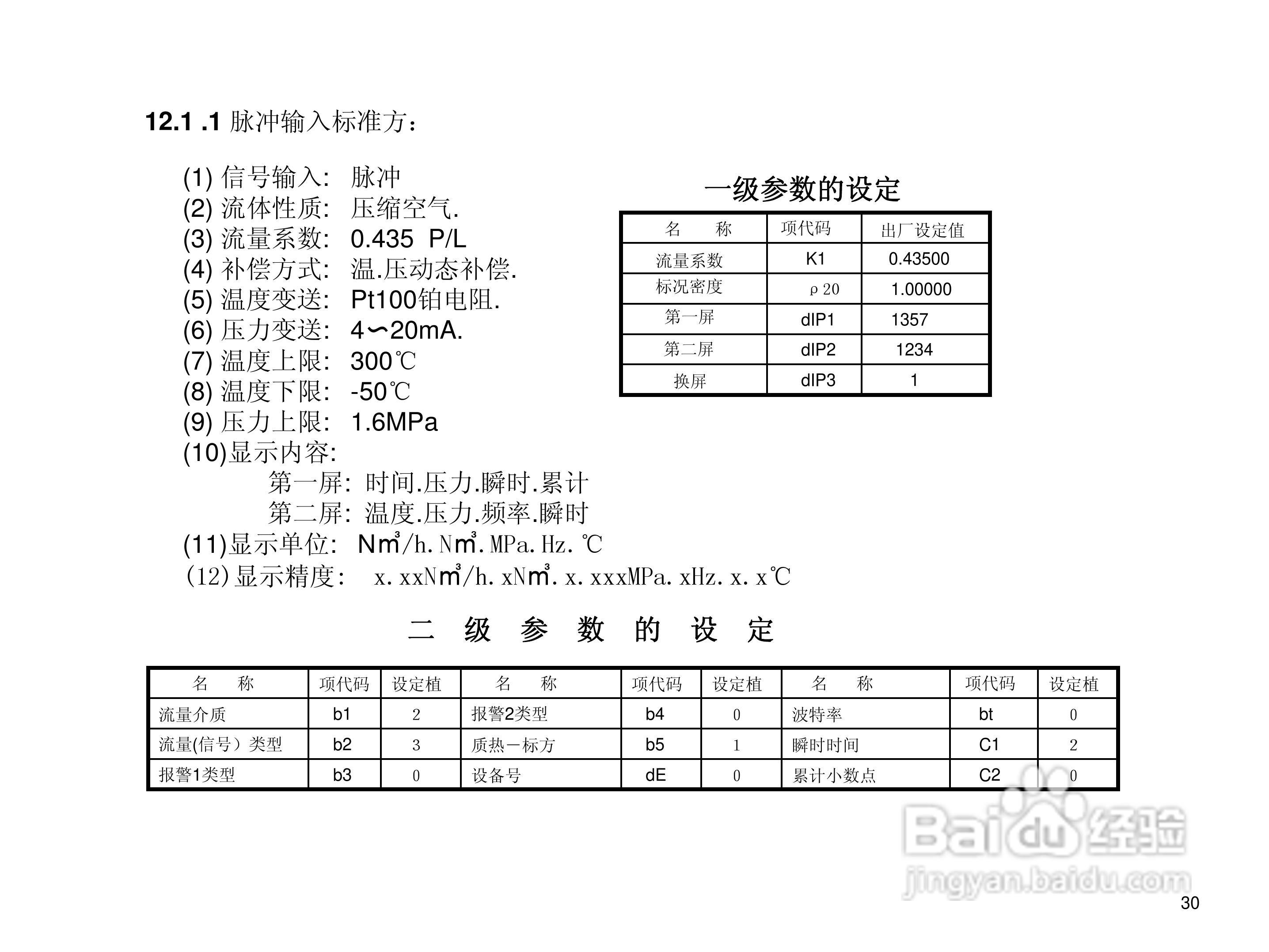
YF202流量积算仪使用说明书:[4]
2026-03-24 16:16:55
本篇为《YF202流量积算仪使用说明书》,主要介绍该产品的使用方法以及常见故障解决方案。
(共篇)
上一篇:
|
下一篇:
声明:
本网站引用、摘录或转载内容仅供网站访问者交流或参考,不代表本站立场,如存在版权或非法内容,请联系站长删除,联系邮箱:site.kefu@qq.com。
相关推荐
ZYW202-QF流量积算记录仪操作手册:[4]
阅读量:122
VPR202-QF流量积算仪用户手册:[9]
阅读量:150
VPR202-QF流量积算仪用户手册:[8]
阅读量:180
VPR202-QF流量积算仪用户手册:[6]
阅读量:97
ZYW202-QF流量积算记录仪操作手册:[3]
阅读量:93
猜你喜欢
什么名字好听又有内涵
小满是什么季节
万金油是什么意思
平行世界是什么意思
use是什么意思
电动车上牌照需要什么手续
遗精是什么原因引起的
5月23日是什么星座
什么工作有前途
k开头的是什么车
猜你喜欢
down是什么意思
经常口腔溃疡是什么原因引起的
出柜是什么意思
什么的生活
9月14日是什么星座
place是什么意思
are是什么意思
fake什么意思
pta是什么
什么时候七夕