小度生活
首页
美食营养
手工爱好
生活家居
返回
小度生活
首页
美食营养
游戏数码
手工爱好
生活家居
健康养生
运动户外
职场理财
情感交际
母婴教育
时尚美容
知识问答
生活知识
生活百科
搜索
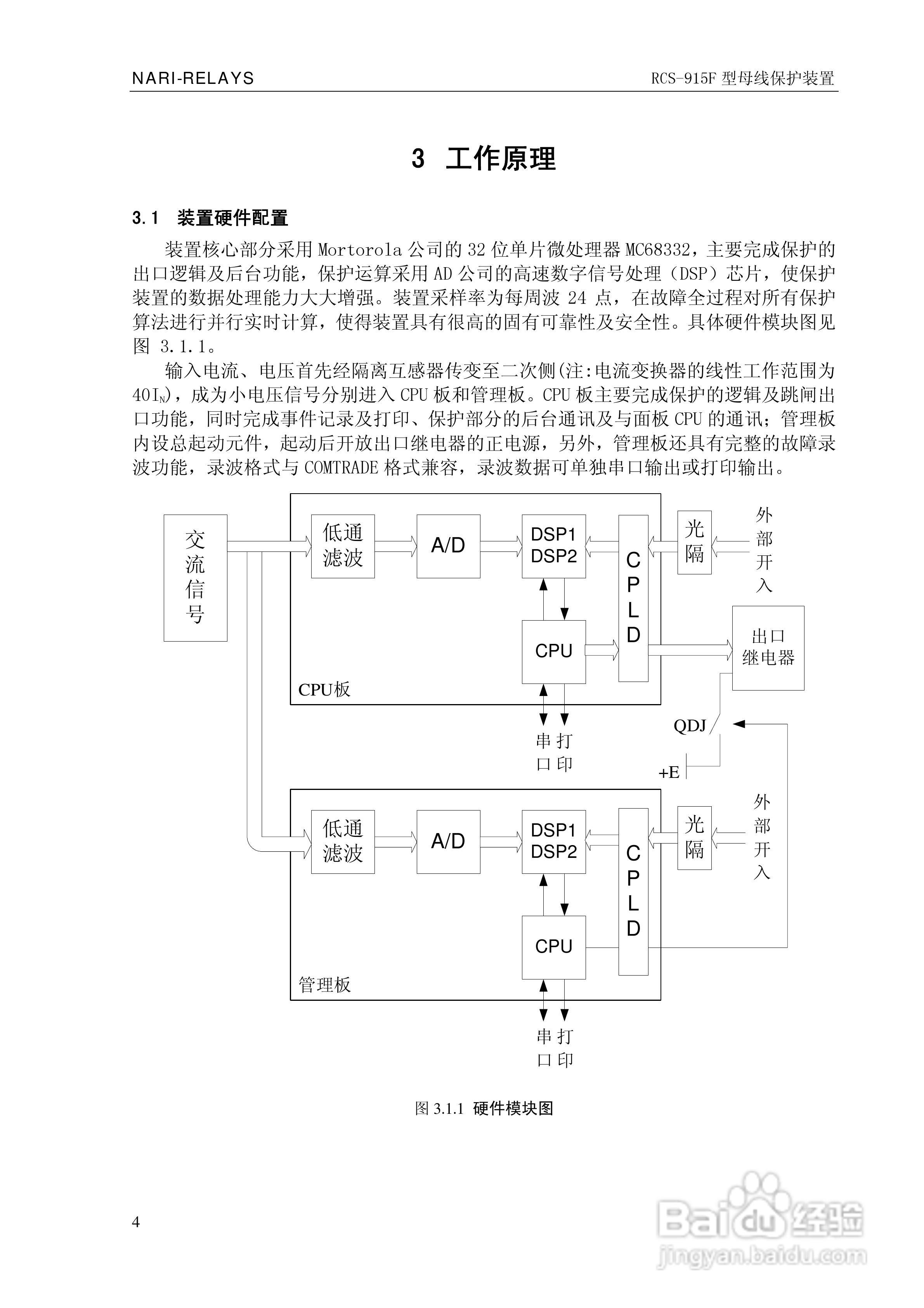
RCS-915F型微机母线保护装置技术和使用说明书:[1]
2026-04-26 16:42:01
本篇为《RCS-915F型微机母线保护装置技术和使用说明书》,主要介绍该产品的使用方法以及常见故障解决方案。
(共篇)
下一篇:
声明:
本网站引用、摘录或转载内容仅供网站访问者交流或参考,不代表本站立场,如存在版权或非法内容,请联系站长删除,联系邮箱:site.kefu@qq.com。
相关推荐
RCS-915SH型微机母线保护装置技术和使用说明书:[1]
阅读量:193
RCS-915G型微机母线保护装置技术和使用说明书:[2]
阅读量:113
RCS-915AB型微机母线保护装置技术和使用说明书:[5]
阅读量:171
RCS-915AB型微机母线保护装置技术和使用说明书:[3]
阅读量:87
母线搭接方式
阅读量:74
猜你喜欢
怎么治咳嗽
怎么用钱折爱心
怎么摘隐形眼镜
分号怎么打
脸上有红血丝怎么办
感冒流鼻涕怎么办
背上长痘痘怎么消除
音乐1234567怎么读
卷轴怎么画
南沙天后宫怎么去
猜你喜欢
善草纪护肤品怎么样
知道番号怎么下载
手机以旧换新怎么换
白玉堂是怎么死的
谷歌地球怎么用
动态心电图怎么做
木瓜怎么吃最好
韩束面膜怎么样
所有制性质怎么填
鸡爪怎么烧简单又好吃