小度生活
首页
美食营养
手工爱好
生活家居
返回
小度生活
首页
美食营养
游戏数码
手工爱好
生活家居
健康养生
运动户外
职场理财
情感交际
母婴教育
时尚美容
知识问答
生活知识
生活百科
搜索
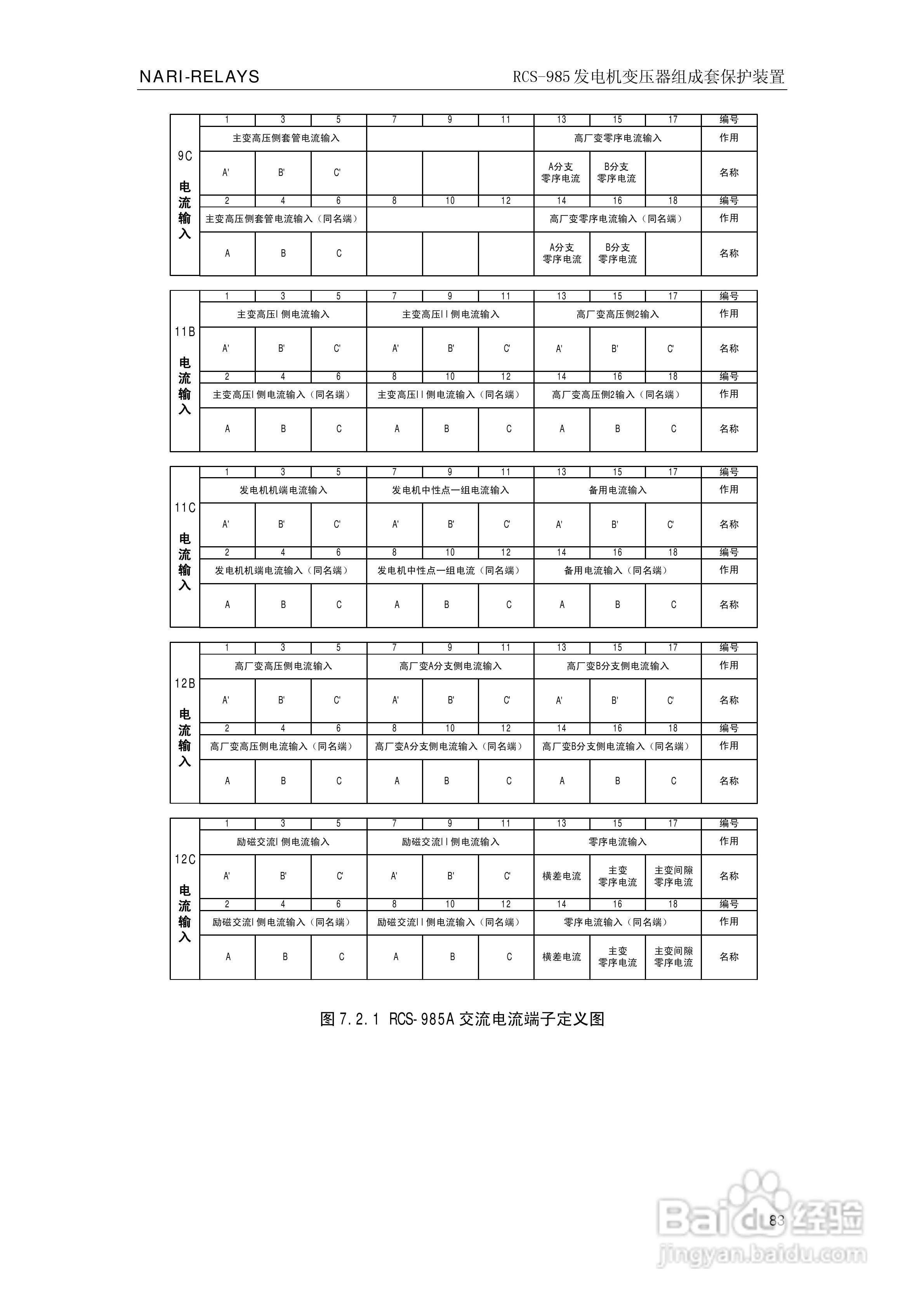
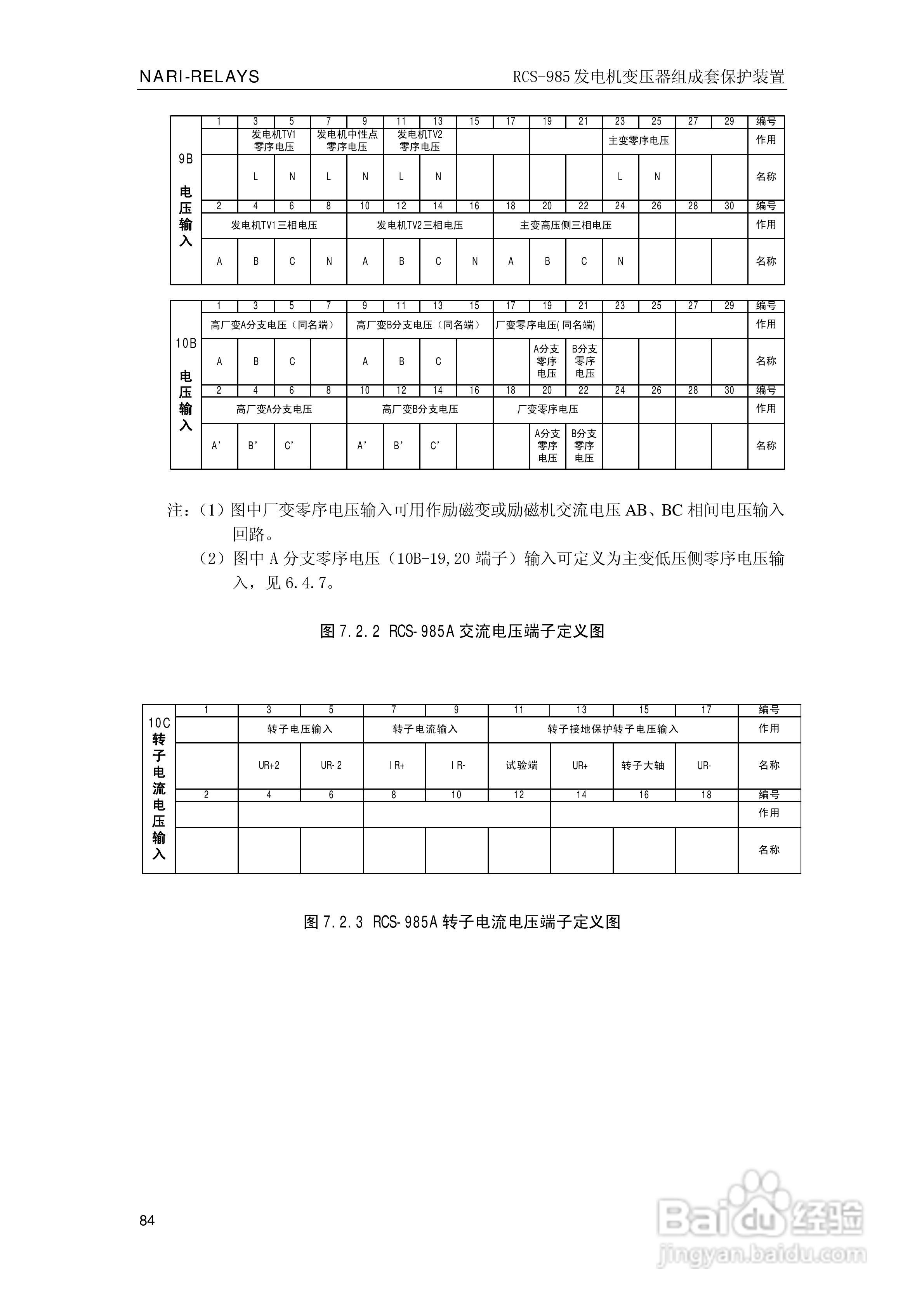
南瑞RCS-985G发电机变压器成套保护装置技术说明书:[9]
2026-05-10 18:03:51
本篇为《南瑞RCS-985G发电机变压器成套保护装置技术说明书》,主要介绍该产品的使用方法以及常见故障解决方案。
(共篇)
上一篇:
|
下一篇:
声明:
本网站引用、摘录或转载内容仅供网站访问者交流或参考,不代表本站立场,如存在版权或非法内容,请联系站长删除,联系邮箱:site.kefu@qq.com。
相关推荐
齿科(牙科/义齿)3D打印机的“王牌”机型
阅读量:51
南瑞RCS-985G发电机变压器成套保护装置技术说明书:[1]
阅读量:156
启格慧SEL课程教学目标是什么?
阅读量:114
侠义OL副本、加点及强化攻略
阅读量:107
如何选购紫砂壶
阅读量:63
猜你喜欢
窃窃私语是什么意思
灶台用什么材料好
股票委比是什么意思
什么牌子的粉底液好
亡羊补牢的意思和道理
gif用什么软件打开
fit是什么意思
autumn是什么意思
soon是什么意思
西皮是什么意思
猜你喜欢
提车要注意什么
相看两不厌只有敬亭山的意思
契税什么时候缴纳
用醋洗脸有什么好处
激励的意思
指手画脚的意思
显卡挖矿是什么意思
爽约是什么意思
失独是什么意思
胎儿入盆有什么感觉