小度生活
首页
美食营养
手工爱好
生活家居
返回
小度生活
首页
美食营养
游戏数码
手工爱好
生活家居
健康养生
运动户外
职场理财
情感交际
母婴教育
时尚美容
知识问答
生活知识
生活百科
搜索
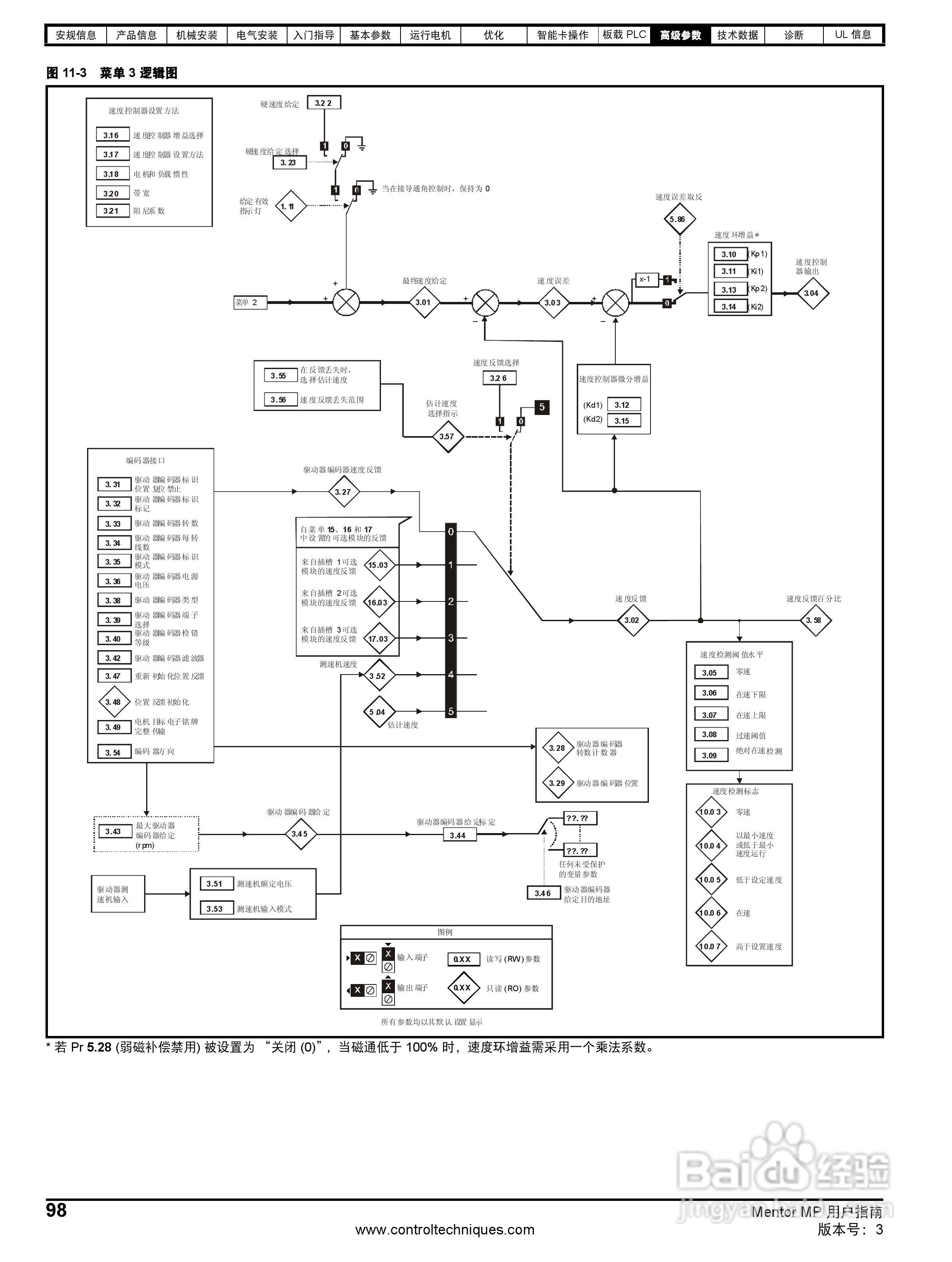
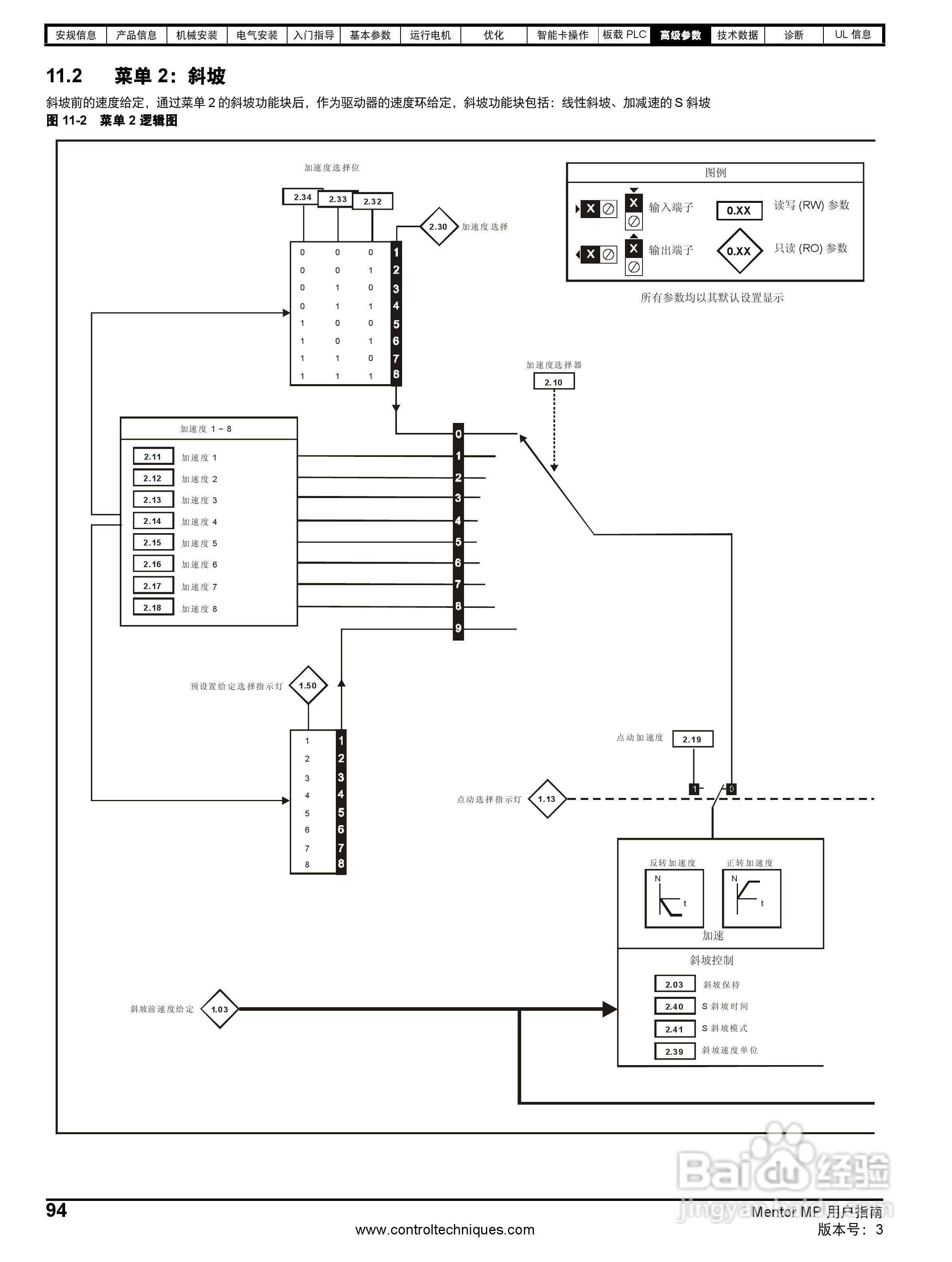
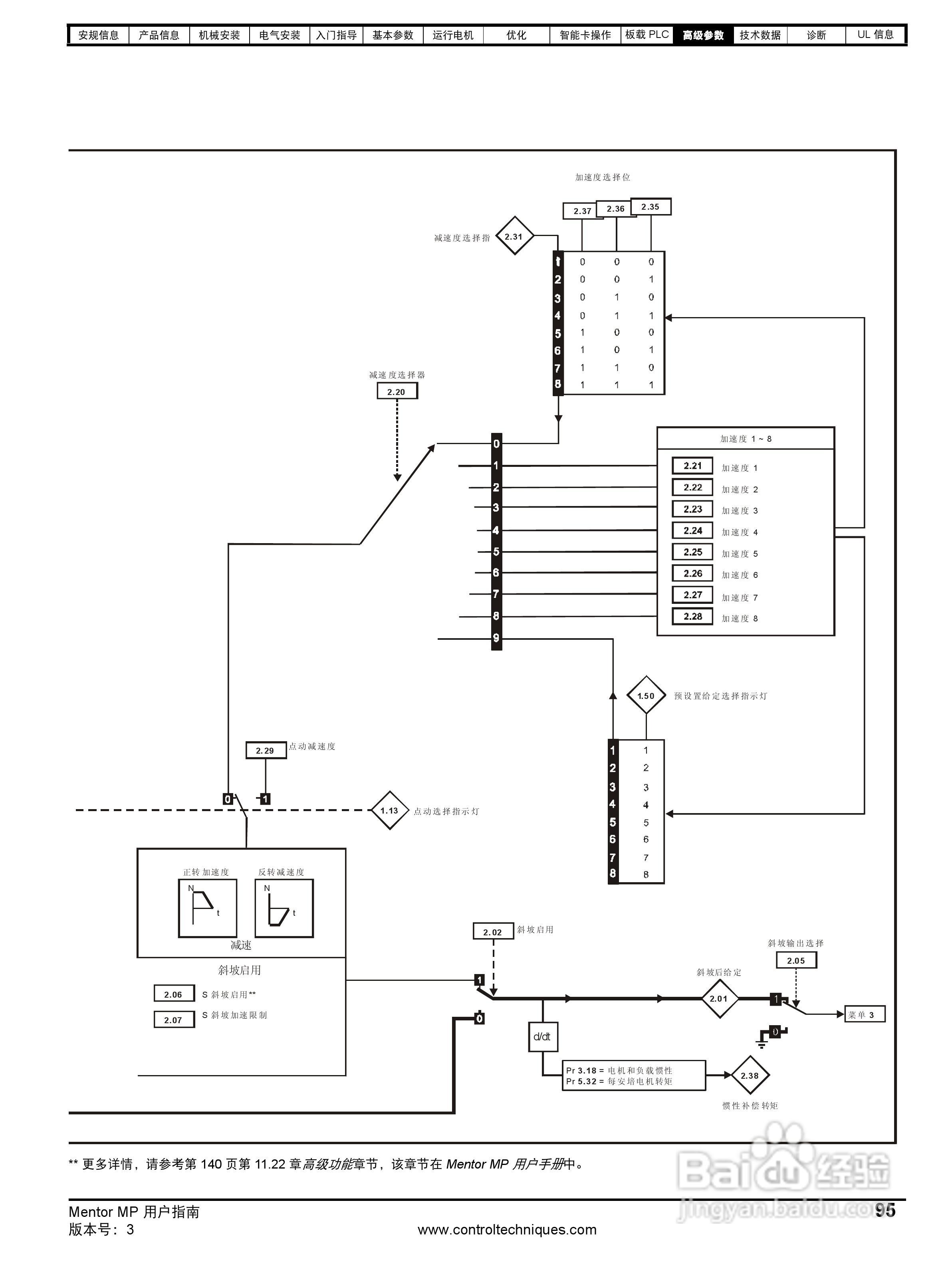
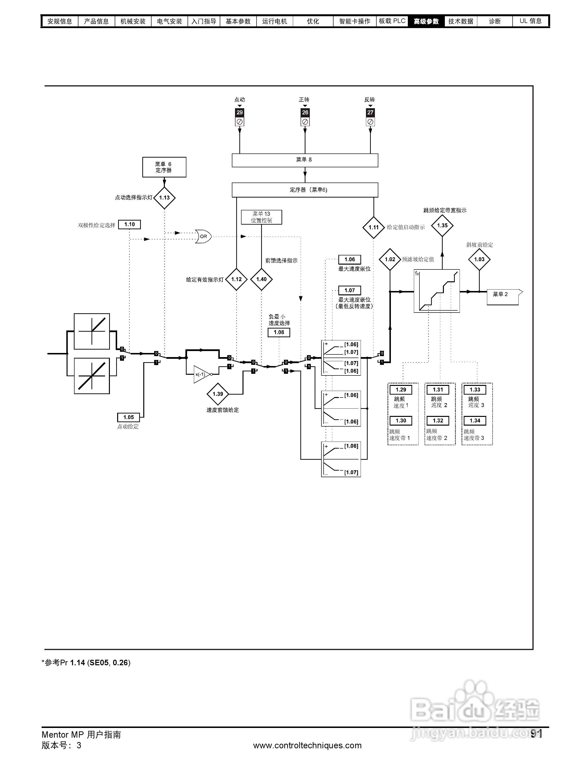
艾默生MP1850A4R直流驱动器中文手册:[10]
2026-04-08 09:23:29
本篇为《艾默生MP1850A4R直流驱动器中文手册》,主要介绍该产品的使用方法以及常见故障解决方案。
(共篇)
上一篇:
|
下一篇:
声明:
本网站引用、摘录或转载内容仅供网站访问者交流或参考,不代表本站立场,如存在版权或非法内容,请联系站长删除,联系邮箱:site.kefu@qq.com。
相关推荐
十大海淘转运公司
阅读量:151
科学普及手抄报
阅读量:162
K&R ACD300 经济矢量型变频器用户手册:[4]
阅读量:107
(BSCI验厂)BSCI认证流程详解
阅读量:126
西班牙语在线学习
阅读量:100
猜你喜欢
胖大海的功效与作用
运动会开幕式主持词
鹿鞭的功效与作用
维e什么时候吃最好
四物汤的功效与作用
有关蜜蜂的知识
猕猴桃的功效与作用
apologize什么意思
什么是资本主义国家
物理八年级上册知识点
猜你喜欢
免疫球蛋白的作用
咖啡知识
蟾酥的功效与作用
拮抗作用
什么动物寿命最长
折耳根的功效与作用
炒锅什么牌子好
运动会宣传稿400字
备孕知识
酸角的功效与作用